
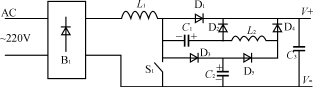
图 PFC主电路原理图
如图所示的无损吸收PFC主电路的原理图。图中B1为整流桥,L1为PFC升压电感,D1为隔直二极管,S1为开关管,C1,C2,D2,D3和D4,L2组成无损吸收网路,C3为输出滤波电容。具体分析过程如下:当S1断开前,C2中的能量通过D5及L2转移到了C1中,C2的电压降至0。C1的极性如图1所示。当S1断开时,C2上开始为零电压,L1中的电流通过D3给C2充电,直到D1导通为止。并且C2的电位通过D4、D5箝位到输出电压。同时C1通过D2向负载放电,能抑制S1漏极上电压的上升时间,从而充分地保证S1关断在零电压状态下。当S1合上时,C1的左端通过S1接地,电容C2上的电荷通过D5、L2转移到C1中。当开关再次关断的时候,重复上述过程。
烜芯微专业制造二极管,三极管,MOS管,桥堆等20年,工厂直销省20%,4000家电路电器生产企业选用,专业的工程师帮您稳定好每一批产品,如果您有遇到什么需要帮助解决的,可以点击右边的工程师,或者点击销售经理给您精准的报价以及产品介绍
烜芯微专业制造二极管,三极管,MOS管,桥堆等20年,工厂直销省20%,4000家电路电器生产企业选用,专业的工程师帮您稳定好每一批产品,如果您有遇到什么需要帮助解决的,可以点击右边的工程师,或者点击销售经理给您精准的报价以及产品介绍