在音响领域里人们一直坚守着A类功放的阵地。认为A类功放声音最为清新透明,具有很高的保真度。但是,A类功放的低效率和高损耗却是它无法克服的先天顽疾。B类功放虽然效率提高很多,但实际效率仅为50%左右,在小型便携式音响设备如汽车功放、笔记本电脑音频系统和专业超大功率功放场合,仍感效率偏低不能令人满意。所以,效率极高的D类功放,因其符合绿色革命的潮流正受着各方面的重视。
由于集成电路技术的发展,原来用分立元件制作的很复杂的调制电路,现在无论在技术上还是在价格上均已不成问题。而且近年来数字音响技术的发展,人们发现D类功放与数字音响有很多相通之处,进一步显示出D类功放的发展优势。
D类功放是放大元件处于开关工作状态的一种放大模式。无信号输入时放大器处于截止状态,不耗电。工作时,靠输入信号让晶体管进入饱和状态,晶体管相当于一个接通的开关,把电源与负载直接接通。理想晶体管因为没有饱和压降而不耗电,实际上晶体管总会有很小的饱和压降而消耗部分电能。这种耗电只与管子的特性有关,而与信号输出的大小无关,所以特别有利于超大功率的场合。在理想情况下,D类功放的效率为100%,B类功放的效率为78.5%,A类功放的效率才50%或25%(按负载方式而定)。
D类功放实际上只具有开关功能,早期仅用于继电器和电机等执行元件的开关控制电路中。然而,开关功能(也就是产生数字信号的功能)随着数字音频技术研究的不断深入,用与Hi-Fi音频放大的道路却日益畅通。20世纪60年代,设计人员开始研究D类功放用于音频的放大技术,70年代Bose公司就开始生产D类汽车功放。一方面汽车用蓄电池供电需要更高的效率,另一方面空间小无法放入有大散热板结构的功放,两者都希望有D类这样高效的放大器来放大音频信号。其中关键的一步就是对音频信号的调制。
图1是D类功放的基本结构,可分为三个部分:


图1 D类功放基本结构
第一部分为调制器,最简单的只需用一只运放构成比较器即可完成。把原始音频信号加上一定直流偏置后放在运放的正输入端,另通过自激振荡生成一个三角形波加到运放的负输入端。当正端上的电位高于负端三角波电位时,比较器输出为高电平,反之则输出低电平。若音频输入信号为零、直流偏置三角波峰值的1/2,则比较器输出的高低电平持续的时间一样,输出就是一个占空比为1:1的方波。当有音频信号输入时,正半周期间,比较器输出高电平的时间比低电平长,方波的占空比大于1:1;负半周期间,由于还有直流偏置,所以比较器正输入端的电平还是大于零,但音频信号幅度高于三角波幅度的时间却大为减少,方波占空比小于1:1。这样,比较器输出的波形就是一个脉冲宽度被音频信号幅度调制后的波形,称为PWM(PulseWidthModulation脉宽调制)或PDM波形。音频信息被调制到脉冲波形中。
第二部分就是D类功放,这是一个脉冲控制的大电流开关放大器,把比较器输出的PWM信号变成高电压、大电流的大功率PWM信号。能够输出的最大功率有负载、电源电压和晶体管允许流过的电流来决定。
第三部分需把大功率PWM波形中的声音信息还原出来。方法很简单,只需要用一个低通滤波器。但由于此时电流很大,RC结构的低通滤波器电阻会耗能,不能采用,必须使用LC低通滤波器。当占空比大于1:1的脉冲到来时,C的充电时间大于放电时间,输出电平上升;窄脉冲到来时,放电时间长,输出电平下降,正好与原音频信号的幅度变化相一致,所以原音频信号被恢复出来,见图2。


图2模拟D类功放工作原理
D类功放设计考虑的角度与AB类功放完全不同。此时功放管的线性已没有太大意义,更重要的开关响应和饱和压降。由于功放管处理的脉冲频率是音频信号的几十倍,且要求保持良好的脉冲前后沿,所以管子的开关响应要好。另外,整机的效率全在于管子饱和压降引起的管耗。所以,饱和管压降小不但效率高,功放管的散热结构也能得到简化。若干年前,这种高频大功率管的价格昂贵,在一定程度上限制了D类功放的发展。现在小电流控制大电流的MOSFET已普遍运用于工业领域,特别是近年来UHCMOSFET已在Hi-Fi功放上应用,器件的障碍已经消除。
调制电路也是D类功放的一个特殊环节。要把20KHz以下的音频调制成PWM信号,三角波的频率至少要达到200KHz。频率过低达到同样要求的THD标准,对无源LC低通滤波器的元件要求就高,结构复杂。频率高,输出波形的锯齿小,更加接近原波形,THD小,而且可以用低数值、小体积和精度要求相对差一些的电感和电容来制成滤波器,造价相应降低。但此时晶体管的开关损耗会随频率上升而上升,无源器件中的高频损耗、谢频的取肤效应都会使整机效率下降。更高的调制频率还会出现射频干扰,所以调制频率也不能高于1MHz。
同时,三角波形的形状、频率的准确性和时钟信号的抖晃都会影响到以后复原的信号与原信号不同而产生失真。所以要实现高保真,出现了很多与数字音响保真相同的考虑。
还有一个与音质有很大关系的因数就是位于驱动输出与负载之间的无源滤波器。该低通滤波器工作在大电流下,负载就是音箱。严格地讲,设计时应把音箱阻抗的变化一起考虑进去,但作为一个功放产品指定音箱是行不通的,所以D类功放与音箱的搭配中更有发烧友驰骋的天地。实际证明,当失真要求在0.5%以下时,用二阶Butterworth最平坦响应低通滤波器就能达到要求。如要求更高则需用四阶滤波器,这时成本和匹配等问题都必须加以考虑。
近年来,一般应用的D类功放已有集成电路芯片,用户只需按要求设计低通滤波器即可。
OTL是英文OutputTransformerLessAmplifier的简称,是一种无输出变压器的功率放大器。
一、OTL电子管功放电路的特点
普通电子管功率放大器的输出负载为动圈式扬声器,其阻抗非常低,仅为4~16Ω。而一般功放电子管的内阻均比较高,在普通推挽功放中屏极至屏极的负载阻抗一般为5~10kΩ,故不能直接驱动低阻抗的扬声器,必须采用输出变压器来进行阻抗变换。由于输出变压器是一种电感元件,通过变压器的信号频率不同,其电感线圈所呈现的阻抗也不同。为了延伸低频响应,线圈的电感量应足够大,圈数也就越多,因此在每层之间的分布电容也相应增大,使高频扩展受到限制,此外还会造成非线性失真与相位失真。
为了消除这些不良影响,各种不同形式的电子管OTL无输出变压器功率放大器应运而生,许多适用于OTL功放的新型功率电子管在国外也不断被设计制造出来。电子管OTL功率放大器的音质清澄透明,保真度高,频率响应宽阔,高频段与低频段的频率延伸范围一般可达10HZ~100kHz,而且其相位失真、非线性失真、瞬态响应等技术性能均有明显提高。
二、电子管OTL功放电路的形式
图1(a)~图1(f)是OTL无输出功放基本电路。图1(a)和图1(b)为OTL功放两种供电结构的方式,即正负双电源式和单电源供电方式。在正负双电源式OTL功放中,中心为地电位。这样可保证推挽电路的对称性,因此可以省略输出电容,使功放的频率响应特性更佳。单电源式OTL电路为了使两只推挽管具有相同的工作电压,必须使中心点的工作电压等于电源电压的一半。同时,其输出电容C1的容量必须足够大,不影响输出阻抗与低频响应的要求。


图1(c)和图1(d)为OTL功放电子管栅极偏置的取法。由于上边管阴极不接地,因此上边管的推动信号由栅极与阴极之间加入,而下边管的推动信号可由栅极与地之间加入。至于其偏置方式,上边管可通过中心点对地分压后取出,而下边管的偏置电压必须另设专门的负压电源来供给。
图1(e)和图1(f)为OTL倒相电路的应用。图1(e)为采用屏阴分割式倒相电路对OTL功放进行激励。只要倒相管的屏极负载电阻RL与阴极负载电阻RK的阻值相等,其输出的激励电压总能获得平衡。
图1(f)为采用共阴极差分式倒相电路。由于共阴极电阻RK,的阻值较大,具有深度负反馈作用,故电路稳定可靠。同时,只要担任差分放大的上管与下管的屏极负载电阻取值相等,其两管的屏极总能输出一对相位相反、幅值相等的推动信号电压。
三、OTL功放电路的选管
对于电子管OTL功放的输出级,不是所有功率电子管均能适用,必须选用符合如下条件的功率电子管才能取得良好的效果。
1、低内阻特性
一般功率电子管的屏极内阻为10kΩ左右,不适用于OTL功放。OTL功放必须选用屏极内阻在200~800Ω的功率电子管。这些低内阻功率电子管有6AS7、6N5P、6C33C-B、6080、6336等。
2、低屏压、大电流特性
一般功率电子管的屏极电压均为400V左右,高屏压电子管可达800~1000V,而OTL功放必须选用屏极电压在150~250V之间的低屏压、大电流特性的功率电子管来担任。以上所列低内阻功率电子管均具有低屏压、大电流的工作特性。此外还有6C19、6KD6、421A、6146等功率电子管。这些电子管本身具有低屏压、大电流特性,但其屏极内阻稍高,应多管并联才能适用于OTL功放。
3、采用新型OTL功放专用功率电子管
这类电子管不仅内阻较低,而且具有低屏压、大电流特性,如6HB5、6LF6、17KV6、26LW6、30KD6、40KG6等。为了降低电子管灯丝的功耗,许多用于OTL功放的功率电子管的灯丝电压提高到20~40V,以便于串联使用。
四、几种OTL功放典型电路
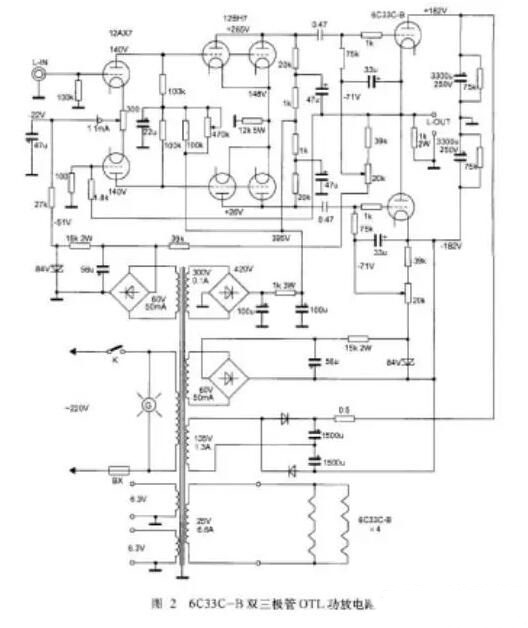
1.新型三极功率管OTL功放
图2是6C33C-B双三极管OTL功放电路图。本电路采用国外新型低内阻、大功率双三极管6C33C-B作OTL功放,每个声道用一对6C33C-B作功率放大,在输出8Ω负载时,每声道的输出功率可达40W。


本OTL功放输入级采用高放大系数双三极电子管12AX7组成前级差分兼倒相电路。该电路具有输入阻抗高、动态范围大的特点。为了拓宽频响、减小相位失真,输入级与推动级之间采用直接耦合的方式。为提高前级增益,在差分输入管12AX7的阴极加上-22V电压,并串接了一只1.1mA的恒流二极管,使前级工作更加稳定可靠。
推动放大级由中放大系数双三极电子管12BH7担任,该管特性与l2AU7、12JD8、5687等双三极管特性相近。为了增大屏极电流,提高推动级输出能力,特将两只三极管并联使用,每管屏极电压高达265V,组成共阴极推动放大电路。为提高推动级各项电性能、减小失真、拓宽频响,在两管的阴极加有较深的电流负反馈。
OTL功放输出级每个声道采用一对新型双三极功率电子管6C33C-B。前级一对幅值相等、相位相反的推动信号经过两只0.47F电容耦合至功放管。
本OTL功放级采用正负双电源形式,其功放级工作电压为±182V。功放管6C33C-B的栅极与阴极间的最高负压值为-60V,上边管的栅负压由单独的负压电源供给,下边管的栅负压则由另一组负电压供给。
为提高OTL功放的各项电性能,在OTL中点输出端与输入端之间通过1.8kΩ电阻加了适当的电压负反馈,使整机电性能稳定可靠。本机的频率响应为10Hz~200kHz(±0.1dB)。
在OTL功放电源供给方面,功放级的正负高压由电源变压器中135V/1.3A绕组经二极管正反相整流滤波后取得±182V高压。输入级与推动级的屏极高压由电源变压器300V/0.1A绕组经二极管桥式整流滤波后输出+395V高压,并经去耦电阻降压后得到+265V和+140V电压,分别供给12AX7和12BH7。栅负压电源分为两组,由电源变压器中的两个独立绕组60V/50mA经整流滤波后分别供给OTL功放管的栅极作为栅负偏压,并通过两只20kΩ可变电位器进行调节。灯丝电源分为3组,前级各声道为2组。功放管6C33C-B灯丝有两种用法,当串联使用时为12.6V/3.3A,并联使用时为6.3V/6.6A,本机采用的是串联方式。
2.普通三极管OTL功放
图3是6KD6五极管OTL功放电路图。它是将普通束射四极管或五极功率电子管改为三极管接法的OTL功放,利用了电子管帘栅极在相同栅压下可以输出较大电流的特点。原来由于相对的屏极内阻较大,限制了工作电流,但改成三极管接法以后,帘栅极的电压与屏极电压处于同等电位,屏极内阻大幅度下降,加强了屏极承受较大电流的能力,因此能在低阻抗负载下输出较大功率。


对于普通功率电子管改成三极管接法的OTL功放来说,并不是所有功率管均能采用,必须选用屏极电压范围较大的束射四极管或五极功率电子管,如6KD6、6L6、6P3P、6146等。同时,功放级还必须采用多只功率管并联的方式,在8Ω低阻抗负载时,每声道采用6只功率管并联才能符合低阻抗负载的要求,并且输出功率仅为30W左右。
本OTL功放的输入级由高放大系数电子管6J2担任,可将输入的音频信号进行较
大幅度提升,单级电压增益可达30dB以上。经放大后的信号电压采用直接耦合的方式传输至倒相级。倒相级由高屏压双三极管6SN7担任,屏极电压取值为340V。由该管组成屏阴分割式倒相电路,屏极与阴极的负载电阻均取值为33kΩ。这样,在输出端即可取得一对幅值相等、相位相反的推动信号电压。
OTL功放级采用SEPP并联推挽电路,可选用6KD6、6L6、6P3P等屏压范围大的功放管,并将其改为三极管接法。采用6只功放管并联的输出方式,使输出阻抗达到8~16Ω。
功放级电源为正负双电源形式,取值为±230V。功放管栅极负压应根据不同功率管特性决定,上边管与下边管通过各自的分压网络并通过调控电位器后获得。
烜芯微专业制造二极管,三极管,MOS管,桥堆等20年,工厂直销省20%,4000家电路电器生产企业选用,专业的工程师帮您稳定好每一批产品,如果您有遇到什么需要帮助解决的,可以点击右边的工程师,或者点击销售经理给您精准的报价以及产品介绍
烜芯微专业制造二极管,三极管,MOS管,桥堆等20年,工厂直销省20%,4000家电路电器生产企业选用,专业的工程师帮您稳定好每一批产品,如果您有遇到什么需要帮助解决的,可以点击右边的工程师,或者点击销售经理给您精准的报价以及产品介绍