电机相电流的采样对于FOC控制来说是不可或缺的,在设计电机控制电路时,为了能够准确的采样到电机绕组中的电流值,需要提高电流采集的抗干扰能力。那么如何保证我们的设计是合理的,小编带大家探讨下电机电流采集电路的三个基本要素。
一、引言
由于电机的宽范围调速以电机自身不能获得理想的正弦气隙磁场,导致在系统控制时采样的相电流含有不规则的高次谐波和随机干扰,再加上电流采样电路的不稳定性和A/D转换单元偏差的存在,更是加大了及高速特性,加上实际采样到的电流误差。
众所周知,电流的采样对电机矢量控制是非常重要的。电流采样方式主要有3种。


表1.1 电流采样方式
对于大部分电机应用,采用双电阻相电流采样的方法具有一定的优势,所以小编这里重点和大家探讨下双电阻方式下,如何提高相电流采样的抗干扰能力。
二、抗干扰设计
1、采样电阻
采样电阻是基本的电阻元器件,同时其参数的选择对采样精确度也是重要的影响因素。
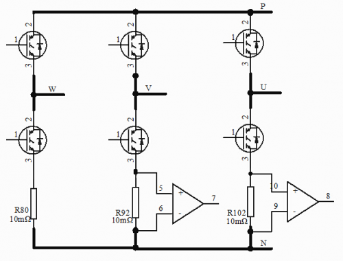
电机控制器对电机的其中两相电流通过采样电阻进行采样,如图1所示,从采样电阻上获取的电压信号经过电压偏置和放大,输入到微处理器的A/D单元,从而得到其中两相电流,再根据基尔霍夫定律,三相电流矢量和为0,推算出第三相的电流的值。


图1 双电阻采样
对于320V供电空调压缩机,电机内阻0.2Ω,如果采样电阻合适,则对回路没有什么影响。如果采样电阻的阻值过大,会引起电压的损耗,使能量效率变低,较大的阻值会使负载电压发生偏移,产生电磁干扰,产生系统对噪声敏感的问题。当确定好阻值后还需要考虑电阻的稳定性能和阻值误差。
2、运放设计
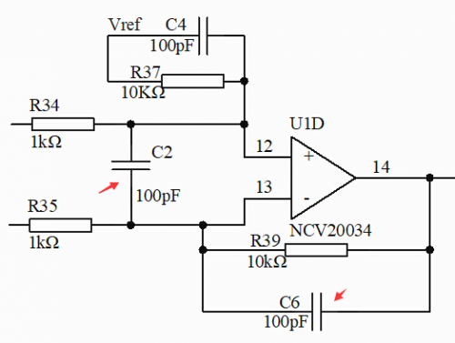
在电机的电路设计过程中需着重考虑运放电路的设计,下面为相电流采样电路的设计说明。本文中采用的是ON公司的NCV20034汽车级运放芯片,拥有高达7MHz的增益带宽,集成4路独立运放于一身。
运放芯片本身对共模干扰有抵抗作用,而在差模干扰的抵抗作用稍弱,所以设计的时候要着重提高差分线上的差模抗干扰能力。如图2所示,C2电容就是为了提高抗差模干扰能力。差分线上的电阻(R34、R35)和反馈电阻(R39)应使用高精度的电阻,使得理论计算得到的参数是准确可靠的。然后与运放的输出连接的AD口引脚上并连一个RC电路滤掉高次谐波干扰和随机脉冲干扰,从而提升抗干扰能力。


图2电流测量
3、PCB布置
为了能够准确的采样电流,应将运放芯片在PCB上的位置尽量靠近采样电阻,同时又要使运放芯片不能远离MCU,运放的地和MCU的地应该尽量靠拢。如图3所示,采样电阻(R98、R99、R100)两端走差分线到运放的同相和反相端口,差分线应等距并且尽量短,以避免其他的干扰产生。压缩机涉及到高压和低压部分,在布局电流地的时候,应使大电流地和小电流地能很好的单点隔离。


图3运放差分走线
以上经过硬件滤波后,如图4所示,3相电流波形得到显著的优化。


图4三相电流波形
烜芯微专业制造二极管,三极管,MOS管,桥堆等20年,工厂直销省20%,4000家电路电器生产企业选用,专业的工程师帮您稳定好每一批产品,如果您有遇到什么需要帮助解决的,可以点击右边的工程师,或者点击销售经理给您精准的报价以及产品介绍
烜芯微专业制造二极管,三极管,MOS管,桥堆等20年,工厂直销省20%,4000家电路电器生产企业选用,专业的工程师帮您稳定好每一批产品,如果您有遇到什么需要帮助解决的,可以点击右边的工程师,或者点击销售经理给您精准的报价以及产品介绍