在电子电路设计中,有时会对光耦的输入输出匹配电阻值有较为精确的需求。但是对于缺乏经验的设计者来说想要取得精确的光耦匹配电阻值是比较困难的,那些重点参数才是需要格外关注的?在计算过程中需要注意什么?在本文中小编将通过一个例子来为大家进行解释。
假设光耦为PS2801,光耦输入端(发光二极管)加电压3.3V,输出端(三极管端)加电压5V,那么两端的电阻如何计算?需要从哪些参数来决定呢?
关于光耦输入出端的电阻的计算,首先要做的就是将“最佳状态”定义好。也就是在输入经过光耦隔离后,输出波形一致。因为光耦的电流传输比容易受温度环境因素而变化,致使如果选择光耦两端电阻匹配不好的话,也会使波形变形。可能出现产品在不同温度环境的工作的不稳定,时而波形失真,时而波形很好的情况。
光耦两边电阻影响波形的因素,一个是影响上升沿,一个是影响下降沿。通过实验,把烙铁头子放在芯片上之后波形就会出现变形。而光耦的电阻,可以用datasheet上的参数和曲线来确定,如果提供的曲线工作范围不对称,就可以根据自己的需要来测定。
下面使用datasheet进行了一下试运算,来为大家作为参考。
1、确定‘过驱动’倍数,就是为了让三极管饱和导通必须加大驱动电流若干倍。
(1)、假设LZ的型号是PS2801K,则CTR=300%to600%,所以,这一项需要过驱动2倍。
(2)、温度影响,按温度范围-55to+75计算,约1.10/0.8=1.375,这一项需要过驱动1.375倍。
(3)、老化影响,按If=5mA,Ta=60,约1.0/0.6=1.67,这一项需要过驱动1.67倍。
总的过驱动倍数=4.58。


图1


图2
首页 > 功率开关器件
实例讲解如何得到精确的光耦匹配电阻值2016-05-16 09:35 来源:电源网综合 作者:铃铛
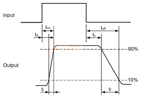
2、确定三极管的负载电阻,主要和信号频率有关。LZ是9600通讯,最短脉冲时间=104uS。信号经过ps2801之后,高低电平的时间参数不能有太大的变化,取20%即20uS??床问ㄒ?,必须同时满足td+tr20uS,ts+tf20uS。


图3


(1)


(2)
图4
图4是两张对比图,为负载电阻和开关时间的关系。左边的是Ic,但看不出过驱动倍数所以不能使用。
看图4(2),R=800时,ts+tf约为20uS?;挂匆幌鹿妒?,(5mA*236%)/(5v/0.800)=1.888倍,和实际要求4.58倍不符。最好自己加大If实测ts和tf。现在估算一下,过驱动倍数每增加1倍,ts、tf大约增加1倍(放了一定的余量),所以R必须减小为800*(1.888/4.58)=330,确定负载电阻R=330。
以上,就是光耦输出输入两端的电阻的大概计算方向,以及有哪些重要的参数是需要特别进行注意的。在实际设计过程中遇到此类问题的朋友不妨花上几分钟来阅读本文,从而在计算光耦电阻时能够有效地避免一些不必要的时间浪费。
烜芯微专业制造二极管,三极管,MOS管,桥堆等20年,工厂直销省20%,4000家电路电器生产企业选用,专业的工程师帮您稳定好每一批产品,如果您有遇到什么需要帮助解决的,可以点击右边的工程师,或者点击销售经理给您精准的报价以及产品介绍
烜芯微专业制造二极管,三极管,MOS管,桥堆等20年,工厂直销省20%,4000家电路电器生产企业选用,专业的工程师帮您稳定好每一批产品,如果您有遇到什么需要帮助解决的,可以点击右边的工程师,或者点击销售经理给您精准的报价以及产品介绍