通断性测试
各种各样的装置都需要进行通断性检查,包括电缆成套件、印制板和连接器,以确保这些元件具有预期的连续通路。在设置通断性测试时,工程师必须规定电阻最大为多少时装置是可用的。例如,若测得的电阻为1Ω或更小,则表示装置良好。通断性检查需要测量低阻,因此通常使用4线欧姆表进行测量,从测量值中消除测量线和开关电阻。
除进行通断性测试外,往往还会进行隔离电阻或绝缘电阻测试。尤其对于多芯电缆,每根导线都形成两端之间的连续通路,并且还要求每根导线与其它所有导线隔离。

图1,通断性测试系统
既然通断性测试往往涉及到多导线装置,因此利用一套开关系统将欧姆表自动连接到每根导线就非常有用。
图 1所示为一个典型的通断性测试电路。使用两组双刀开关对20根导线进行4线电阻测量。在2700型多用表/数据采集系统中,为了测量导线1的电阻,需闭合通道1(Ch.1)。在4线欧姆模式下,将自动闭合通道21。对每根导线重复以上动作。
为了测量20根导线,就需要2700型带有7702型40通道差分复用器???。如果同时测量的导线超过40根,就需要带有7702型??榈?750型多用表/开关系统。
绝缘电阻测试
直流绝缘电阻(IR)为施加到两根由绝缘层隔离的导线之间的电压与这两根导线之间通过的总电流之比。在测量电流之前,施加一定时间周期的测试电压。测得的电流通常非常小,因此往往需要使用皮安计或静电计进行测量。
有时候测量一个样本的绝缘电阻仅仅是为了确认大于规定的一个最小值。例如,大于10 MΩ的任何电阻值都认为是可接受的。测量的准确度并不关键,重要的是测得的电阻值大于一个规定值。
测量绝缘电阻的例子包括测量印制板上走线之间的通路,或多芯电缆中导线之间的电阻。由于IR测量往往涉及到多芯导线,所以通常需要一套切换系统来将皮安计和源切换至测试电路中的所有导线。
IR测试系统中采用的开关卡的设计和类型取决于多个因素,包括测试电压、电阻数量级、准确度、共用连接,等等。以下部分介绍两种IR测试系统。
图2所示为一套用来测量IR的测试系统,它通过7001型开关主机中的7111-S型40通道C型开关卡来测量多芯连接器中每个端子与其它所有端子之间的绝缘电阻。在去激励位置,电压源被连接到被测的所有插针。当选中了任意指定通道时,则测量该插针至其它所有插针的漏流。7111-S型开关卡的偏移电流指标100 pA。当测试电压为100 V时,则说明漏阻为1 TΩ。将该系统连入实际电路时,可非常容易地检测到大于10 GΩ的漏阻。

图 2,测量多芯连接器中任意插针至其它所有插针的绝缘电阻(IR)
图 3所示的系统中,可以对一个或多个插针施加测试电压,同时测量来自于一个或多个插针的电流。注意,每个插针上都连接有两组独立的开关。一组将测试电压连接到插针,而另一组测量漏流。因此就可以测量任意插针和另外任意一个插针或所有插针之间的IR。注意,在测试周期的有些时间点,所有的开关都将承受测试电压。所以,两组开关都必须能够承受预期的测试电压,并应该具有良好的通道间隔离,以防止测试信号劣化。
在图 3中,可使用7169A型20通道C型开关卡以相对较高的电压(最高500 V)测量绝缘电阻(对于最大1300 V的电压,可使用7153型4×5高电压小电流矩阵卡)。7169A型开关卡具有位置敏感的继电器,并只可用于7002型开关主机中。
7169A型开关卡上的两个总线可将其配置为开关或复用。若需测量插针1和2之间的绝缘电阻,需闭合通道1和22。

图 3,测试任意两个端子之间的绝缘电阻(IR)
电阻器(R)限制着通过继电器的充电电流。这些电阻器取代了开关卡上出厂安装的跳线,使电缆电容充电和放电电流达到最小。典型的R值为100 kΩ。
连通性和绝缘电阻组合测试
有些多插针装置需要测量通过每一导线的通路电阻或连通性(低阻),并测量导线之间的绝缘电阻(高阻)。测试系统需要切换和测量低阻( 1Ω)和非常高的电阻值(> 109Ω)。
该测试系统可被用于各种装置,例如连接器、开关、多芯电缆和印制板。
切换配置
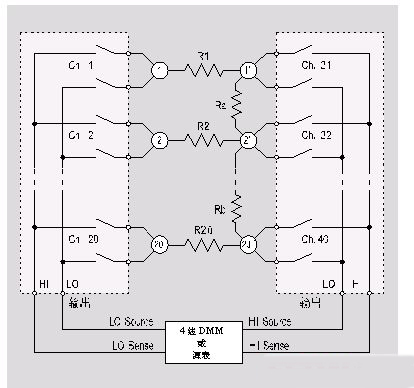
图4所示一套通断性和IR组合测量系统,通过一台4线DMM或源表测试多芯电缆。电阻R1~R20表示导线电阻.为了测量导线1的电阻R1,需要闭合通道1和21.电阻Ra和Rb表示导线之间的漏阻??刹饬咳我饬礁蚨喔枷咧涞穆┳?。若要测量漏阻Ra,需要闭合通道1和22。这实际上是导线1和2之间的漏阻,Ra远远大于R1。

图4,通断性和IR测试系统
单套包含7702型40通道差分放大器的2700型多用表/数据采集系统可测试最大20根导线。当利用DMM测量漏阻时,施加的最大电压通常小于15 V。此外,测得的最大电阻往往不会高于100 MΩ。为了测试规定测试电压下的IR,可以使用的测试配置如2400型源表和7001型或7002型开关主机中的7011型1×10多路选通卡。

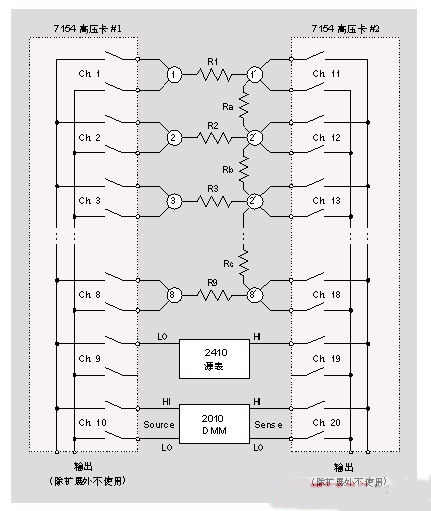
图5,扩展的通断性/IR测试系统
如果需要更高的测试电压或必须测量更高的漏阻,则可使用图5所示的电路。在该图中,采用了两块7154型高压扫描卡来将2410型源表和2010型数字多用表切换至8根导线。该系统能够以高达1000 V的测试电压测量低达0.1 mΩ的导线电阻和高达300 GΩ的漏阻。注意,2410型和2010型未被连接到开关卡输出,而是连接到插卡的指定通道。插卡的输出,仅用来将系统扩展为可测量更多数量的导线。若要测量电阻R1的阻值,需闭合通道1、10、11和20。这样将把2010型连接到R1两端;若要测量Ra,也就是R1和R2之间的漏阻,需要闭合通道1、9、12和19。这样将把2410型连接到漏阻(Ra)两端。
烜芯微专业制造二极管,三极管,MOS管,桥堆等20年,工厂直销省20%,4000家电路电器生产企业选用,专业的工程师帮您稳定好每一批产品,如果您有遇到什么需要帮助解决的,可以点击右边的工程师,或者点击销售经理给您精准的报价以及产品介绍