随着科学技术的发展,电力电子设备与人们的工作、生活的关系日益密切,而电子设备都离不开可靠的电源,因此直流开关电源开始发挥着越来越重要的作用,并相继进入各种电子、电器设备领域,程控交换机、通讯、电子检测设备电源、控制设备电源等都已广泛地使用了直流开关电源。同时随着许多高新技术,包括高频开关技术、软开关技术、功率因数校正技术、同步整流技术、智能化技术、表面安装技术等技术的发展,开关电源技术在不断地创新,这为直流开关电源提供了广泛的发展空间。但是由于开关电源中控制电路比较复杂,晶体管和集成器件耐受电、热冲击的能力较差,在使用过程中给用户带来很大不便。为了保护开关电源自身和负载的安全,根据了直流开关电源的原理和特点,设计了过热保护、过电流?;?、过电压保护以及软启动?;さ缏贰N闹兄饕致哿酥绷骺氐缭茨诓科骷母髦直;し绞剑⒔樯芰艘恍┚咛宓缏?。
开关电源的原理及特点
1.工作原理
直流开关电源由输入部分、功率转换部分、输出部分、控制部分组成。功率转换部分是开关电源的核心,它对非稳定直流进行高频斩波并完成输出所需要的变换功能。它主要由开关三极管和高频变压器组成。图1画出了直流开关电源的原理图及等效原理框图,它是由全波整流器,开关管V,激励信号,续流二极管Vp,储能电感和滤波电容C组成。实际上,直流开关电源的核心部分是一个直流变压器。


图1:直流开关电源原理
2.特点
为了适应用户的需求,国内外各大开关电源制造商都致力于同步开发新型高智能化的元器件,特别是通过改善二次整流器件的损耗,并在功率铁氧体(Mn-Zn)材料上加大科技创新,以提高在高频率和较大磁通密度下获得高的磁性能,同时SMT技术的应用使得开关电源取得了长足的进展,在电路板两面布置元器件,以确??氐缭吹那帷⑿?、薄。因此直流开关电源的发展趋势是高频、高可靠、低耗、低噪声、抗干扰和??榛?/div>
直流开关电源的缺点是存在较为严重的开关干扰,适应恶劣环境和突发故障的能力较弱。由于国内微电子技术、阻容器件生产技术以及磁性材料技术与一些技术先进国家还有一定的差距,因此直流开关电源的制作技术难度大、维修麻烦和造价成本较高,
直流开关电源的?;?/div>
基于直流开关电源的特点和实际的电气状况,为使直流开关电源在恶劣环境及突发故障情况下安全可靠地工作,本文根据不同的情况设计了多种?;さ缏?。
1.过电流?;さ缏?/div>
在直流开关电源电路中,为了保护调整管在电路短路、电流增大时不被烧毁。其基本方法是,当输出电流超过某一值时,调整管处于反向偏置状态,从而截止,自动切断电路电流。如图1所示,过电流?;さ缏酚扇蹷G2 和分压电阻R4、R5组成。电路正常工作时,通过R4与R5的压作用,使得BG2 的基极电位比发射极电位高,发射结承受反向电压。于是BG2 处于截止状态(相当于开路),对稳压电路没有影响。当电路短路时,输出电压为零,BG2 的发射极相当于接地,则BG2 处于饱和导通状态(相当于短路),从而使调整管BG1 基极和发射极近于短路,而处于截止状态,切断电路电流,从而达到保护目的。


图2:过电流保护电路
2.过电压?;さ缏?/div>
直流开关电源中开关稳压器的过电压保护包括输入过电压?;ず褪涑龉缪贡;?。如果开关稳压器所使用的未稳压直流电源(诸如蓄电池和整流器)的电压如果过高,将导致开关稳压器不能正常工作,甚至损坏内部器件,因此开关电源中有必要使用输入过电压?;さ缏贰?br />


图3:过电压?;さ缏?/div>
图3为用晶体管和继电器所组成的保护电路,在该电路中,当输入直流电源的电压高于稳压二极管的击穿电压值时,稳压管击穿,有电流流过电阻R,使晶体管T导通,继电器动作,常闭接点断开,切断输入。输入电源的极性?;さ缏房梢愿淙牍缪贡;そ岷显谝黄穑钩杉员;ぜ鹩牍缪贡;さ缏?。
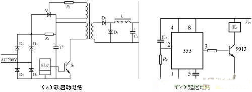
3. 软启动?;さ缏?/div>
开关稳压电源的电路比较复杂,开关稳压器的输入端一般接有小电感、大电容的输入滤波器。在开机瞬间,滤波电容器会流过很大的浪涌电流,这个浪涌电流可以为正常输入电流的数倍。这样大的浪涌电流会使普通电源开关的触点或继电器的触点熔化,并使输入保险丝熔断。另外,浪涌电流也会损害电容器,使之寿命缩短,过早损坏。为此,开机时应该接入一个限流电阻,通过这个限流电阻来对电容器充电。为了不使该限流电阻消耗过多的功率,以致影响开关稳压器的正常工作,而在开机暂态过程结束后,用一个继电器自动短接它,使直流电源直接对开关稳压器供电,这种电路称之谓直流开关电源的“软启动”电路 。


图4:软启动?;さ缏?/div>
如图4(a)所示,在电源接通瞬间,输入电压经整流桥(D1~D4)和限流电阻R1对电容器C充电,限制浪涌电流。当电容器C充电到约80%额定电压时,逆变器正常工作。经主变压器辅助绕组产生晶闸管的触发信号,使晶闸管导通并短路限流电阻R1,开关电源处于正常运行状态。为了提高延迟时间的准确性及防止继电器动作抖动振荡,延迟电路可采用图4(b)所示电路替代RC延迟电路。
4.过热?;さ缏?/div>
直流开关电源中开关稳压器的高集成化和轻量小体积,使其单位体积内的功率密度大大提高,因此如果电源装置内部的元器件对其工作环境温度的要求没有相应提高,必然会使电路性能变坏,元器件过早失效。因此在大功率直流开关电源中应该设过热?;さ缏贰?br />


图5:过热?;さ缏?/div>
本文采用温度继电器来检测电源装置内部的温度,当电源装置内部产生过热时,温度继电器就动作,使整机告警电路处于告警状态,实现对电源的过热?;?。如图5(a)所示,在?;さ缏分薪玃型控制栅热晶闸管放置在功率开关三极管附近,根据TT102的特性(由Rr值确定该器件的导通温度,Rr越大,导通温度越低),当功率管的管壳温度或者装置内部的温度超过允许值时,热晶闸管就导通,使发光二极管发亮告警。倘若配合光电耦合器,就可使整机告警电路动作,?;た氐缭?。该电路还可以设计成如图5(b)所示,用作功率晶体管的过热?;?,晶体开关管的基极电流被N型控制栅热晶闸管TT201旁路,开关管截止,切断集电极电流,防止过热。
烜芯微专业制造二极管,三极管,MOS管,桥堆等20年,工厂直销省20%,4000家电路电器生产企业选用,专业的工程师帮您稳定好每一批产品,如果您有遇到什么需要帮助解决的,可以点击右边的工程师,或者点击销售经理给您精准的报价以及产品介绍
烜芯微专业制造二极管,三极管,MOS管,桥堆等20年,工厂直销省20%,4000家电路电器生产企业选用,专业的工程师帮您稳定好每一批产品,如果您有遇到什么需要帮助解决的,可以点击右边的工程师,或者点击销售经理给您精准的报价以及产品介绍
- 上一篇:单结晶体管构成晶闸管触发电路图解
- 下一篇:怎么按线路板还原电路原理图
相关阅读
最新资讯
- 怎么用TVS二极管提高电路的抗突波能力
- PIN二极管的电导调制机制和应用介绍
- 基于双MOS管的防反灌电路工作原理介绍
- 高效率整流二极管的特性和应用介绍
- 详解稳压二极管的关键特性和应用原理
- MOS管选型关键因素分析,怎么选择合适的参数
- 三相整流电路分析,半波整流与全波整流的工作原理
- IGBT三相全桥整流电路工作原理介绍
- 详解快恢复二极管,结构,特性和应用介绍
- 三极管和MOS管组合式开关电路分析
联系烜芯微
咨询热线:
18923864027
传真:
18923864027
QQ:
709211280
地址:
深圳市福田区振中路84号爱华科研楼7层