整流桥就是将整流管封在一个壳内了。分全桥和半桥。全桥是将连接好的桥式整流电路的四个二极管封在一起。全桥的正向电流有0.5A、1A、1.5A、2A、2.5A、3A、5A、10A、20A、35A、50A等多种规格,耐压值(最高反向电压)有25V、50V、100V、200V、300V、400V、500V、600V、800V、1000V等多种规格。
在电路设计当中,全桥的作用非常重要,当桥式整流电路当中的四个二极管封装在一起时就构成了全桥电路,而全桥电路实际上就是我们常说的H桥电路。本篇文章将主要介绍H桥电机驱动的工作原理,从逆时针和顺时针两个方面来进行全面的分析。


图1 H桥式电机驱动电路
图1中所示为一个典型的直流电机控制电路。电路得名于“H桥式驱动电路”是因为它的形状酷似字母H.4个三极管组成H的4条垂直腿,而电机就是H中的横杠(注意:图1及随后的两个图都只是示意图,而不是完整的电路图,其中三极管的驱动电路没有画出来。
如上图所示,H桥式电机驱动电路包括4个三极管和一个电机。要使电机运转,必须导通对角线上的一对三极管。根据不同三极管对的导通情况,电流可能会从左至右或从右至左流过电机,从而控制电机的转向。
要使电机运转,必须使对角线上的一对三极管导通。例如,如图2所示,当Q1管和Q4管导通时,电流就从电源正极经Q1从左至右穿过电机,然后再经Q4回到电源负极。按图中电流箭头所示,该流向的电流将驱动电机顺时针转动。
图2 H桥电路驱动电机顺时针转动


当三极管Q1和Q4导通时,电流将从左至右流过电机,从而驱动电机按特定方向转动(电机周围的箭头指示为顺时针方向)。


图3 H桥电路驱动电机逆时针转动
图3所示为另一对三极管Q2和Q3导通的情况,电流将从右至左流过电机。当三极管Q2和Q3导通时,电流将从右至左流过电机,从而驱动电机沿另一方向转动(电机周围的箭头表示为逆时针方向)。
使能控制和方向逻辑
驱动电机时,保证H桥上两个同侧的三极管不会同时导通非常重要。如果三极管Q1和Q2同时导通,那么电流就会从正极穿过两个三极管直接回到负极。此时,电路中除了三极管外没有其他任何负载,因此电路上的电流就可能达到最大值(该电流仅受电源性能限制),甚至烧坏三极管。


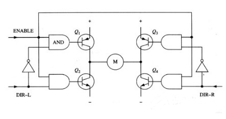
图4 具有使能控制和方向逻辑的H桥电路
基于上述原因,在实际驱动电路中通常要用硬件电路方便地控制三极管的开关。 图4所示就是基于这种考虑的改进电路,它在基本H桥电路的基础上增加了4个与门和2个非门。4个与门同一个“使能”导通信号相接,这样,用这一个信号就能控制整个电路的开关。而2个非门通过提供一种方向输人,可以保证任何时候在H桥的同侧腿上都只有一个三极管能导通。(与前面的示意图一样,图4所示也不是一个完整的电路图,特别是图中与门和三极管直接连接是不能正常工作的。)
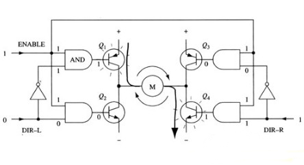
采用以上方法,电机的运转就只需要用三个信号控制:两个方向信号和一个使能信号。如果DIR-L信号为0,DIR-R信号为1,并且使能信号是1,那么三极管Q1和Q4导通,电流从左至右流经电机(如图5所示);如果DIR-L信号变为1,而DIR-R信号变为0,那么Q2和Q3将导通,电流则反向流过电机。


图5 使能信号与方向信号的使用
实际使用的时候,用分立件制作H桥式是很麻烦的,好在现在市面上有很多封装好的H桥集成电路,接上电源、电机和控制信号就可以使用了,在额定的电压和电流内使用非常方便可靠。比如常用的L293D、L298N、TA7257P、SN754410等。
H桥电路经常被应用与逆变器电路和直流电机电路当中,在这里我们只对H桥电路在直流电机当中的应用原理做出了解释。希望各位能够充分掌握全桥电路的各种基础知识,这样不但方便设计的快速进行还能帮助我们巩固基础知识。
烜芯微专业制造二极管,三极管,MOS管,桥堆等20年,工厂直销省20%,4000家电路电器生产企业选用,专业的工程师帮您稳定好每一批产品,如果您有遇到什么需要帮助解决的,可以点击右边的工程师,或者点击销售经理给您精准的报价以及产品介绍
烜芯微专业制造二极管,三极管,MOS管,桥堆等20年,工厂直销省20%,4000家电路电器生产企业选用,专业的工程师帮您稳定好每一批产品,如果您有遇到什么需要帮助解决的,可以点击右边的工程师,或者点击销售经理给您精准的报价以及产品介绍