半导体发光器件包括半导体发光二极管(简称LED)、数码管、符号管、米字管及点阵式显示屏(简称矩阵管)等。事实上,数码管、符号管、米字管及矩阵管中的每个发光单元都是一个发光二极管。
一、 半导体发光二极管工作原理、特性及应用(一)LED发光原理
发光二极管是由Ⅲ-Ⅳ族化合物,如GaAs(砷化镓)、GaP(磷化镓)、GaAsP(磷砷化镓)等半导体制成的,其核心是PN结。因此它具有一般P-N结的I-N特性,即正向导通,反向截止、击穿特性。此外,在一定条件下,它还具有发光特性。在正向电压下,电子由N区注入P区,空穴由P区注入N区。进入对方区域的少数载流子(少子)一部分与多数载流子(多子)复合而发光,如图1所示。


半导体发光二极管工作原理、特性及应用
假设发光是在P区中发生的,那么注入的电子与价带空穴直接复合而发光,或者先被发光中心捕获后,再与空穴复合发光。除了这种发光复合外,还有些电子被非发光中心(这个中心介于导带、介带中间附近)捕获,而后再与空穴复合,每次释放的能量不大,不能形成可见光。发光的复合量相对于非发光复合量的比例越大,光量子效率越高。由于复合是在少子扩散区内发光的,所以光仅在靠近PN结面数μm以内产生。
理论和实践证明,光的峰值波长λ与发光区域的半导体材料禁带宽度Eg有关,即
λ≈1240/Eg(mm)
式中Eg的单位为电子伏特(eV)。若能产生可见光(波长在380nm紫光~780nm红光),半导体材料的Eg应在3.26~1.63eV之间。比红光波长长的光为红外光。现在已有红外、红、黄、绿及蓝光发光二极管,但其中蓝光二极管成本、价格很高,使用不普遍。
(二)LED的特性
1.极限参数的意义
(1)允许功耗Pm:允许加于LED两端正向直流电压与流过它的电流之积的最大值。超过此值,LED发热、损坏。
(2)最大正向直流电流IFm:允许加的最大的正向直流电流。超过此值可损坏二极管。
(3)最大反向电压VRm:所允许加的最大反向电压。超过此值,发光二极管可能被击穿损坏。
(4)工作环境topm:发光二极管可正常工作的环境温度范围。低于或高于此温度范围,发光二极管将不能正常工作,效率大大降低。
2.电参数的意义
(1)光谱分布和峰值波长:某一个发光二极管所发之光并非单一波长,其波长大体按图2所示。


半导体发光二极管工作原理、特性及应用
由图可见,该发光管所发之光中某一波长λ0的光强最大,该波长为峰值波长。
(2)发光强度IV:发光二极管的发光强度通常是指法线(对圆柱形发光管是指其轴线)方向上的发光强度。若在该方向上辐射强度为(1/683)W/sr时,则发光1坎德拉(符号为cd)。由于一般LED的发光二强度小,所以发光强度常用坎德拉(mcd)作单位。(3)光谱半宽度Δλ:它表示发光管的光谱纯度.是指图3中1/2峰值光强所对应两波长之间隔.
(4)半值角θ1/2和视角:θ1/2是指发光强度值为轴向强度值一半的方向与发光轴向(法向)的夹角。
半值角的2倍为视角(或称半功率角)。


半导体发光二极管工作原理、特性及应用
图3给出的二只不同型号发光二极管发光强度角分布的情况。中垂线(法线)AO的坐标为相对发光强度(即发光强度与最大发光强度的之比)。显然,法线方向上的相对发光强度为1,离开法线方向的角度越大,相对发光强度越小。由此图可以得到半值角或视角值。
(5)正向工作电流If:它是指发光二极管正常发光时的正向电流值。在实际使用中应根据需要选择IF在0.6·IFm以下。
(6)正向工作电压VF:参数表中给出的工作电压是在给定的正向电流下得到的。一般是在IF=20mA时测得的。发光二极管正向工作电压VF在1.4~3V。在外界温度升高时,VF将下降。
(7)V-I特性:发光二极管的电压与电流的关系可用图4表示。


半导体发光二极管工作原理、特性及应用
在正向电压正小于某一值(叫阈值)时,电流极小,不发光。当电压超过某一值后,正向电流随电压迅速增加,发光。由V-I曲线可以得出发光管的正向电压,反向电流及反向电压等参数。正向的发光管反向漏电流IR<10μA以下。
(三)LED的分类
1. 按发光管发光颜色分
按发光管发光颜色分,可分成红色、橙色、绿色(又细分黄绿、标准绿和纯绿)、蓝光等。另外,有的发光二极管中包含二种或三种颜色的芯片。
根据发光二极管出光处掺或不掺散射剂、有色还是无色,上述各种颜色的发光二极管还可分成有色透明、无色透明、有色散射和无色散射四种类型。散射型发光二极管和达于做指示灯用。
2. 按发光管出光面特征分
按发光管出光面特征分圆灯、方灯、矩形、面发光管、侧向管、表面安装用微型管等。圆形灯按直径分为φ2mm、φ4.4mm、φ5mm、φ8mm、φ10mm及φ20mm等。国外通常把φ3mm的发光二极管记作T-1;把φ5mm的记作T-1(3/4);把φ4.4mm的记作T-1(1/4)。
由半值角大小可以估计圆形发光强度角分布情况。从发光强度角分布图来分有三类:
(1)高指向性。一般为尖头环氧封装,或是带金属反射腔封装,且不加散射剂。半值角为5°~20°或更小,具有很高的指向性,可作局部照明光源用,或与光检出器联用以组成自动检测系统。
(2)标准型。通常作指示灯用,其半值角为20°~45°。
(3)散射型。这是视角较大的指示灯,半值角为45°~90°或更大,散射剂的量较大。
3.按发光二极管的结构分
按发光二极管的结构分有全环氧包封、金属底座环氧封装、陶瓷底座环氧封装及玻璃封装等结构。
4.按发光强度和工作电流分
按发光强度和工作电流分有普通亮度的LED(发光强度<10mcd);超高亮度的LED(发光强度>100mcd);把发光强度在10~100mcd间的叫高亮度发光二极管。
一般LED的工作电流在十几mA至几十mA,而低电流LED的工作电流在2mA以下(亮度与普通发光管相同)。
除上述分类方法外,还有按芯片材料分类及按功能分类的方法。
(四)LED的应用
由于发光二极管的颜色、尺寸、形状、发光强度及透明情况等不同,所以使用发光二极管时应根据实际需要进行恰当选择。
由于发光二极管具有最大正向电流IFm、最大反向电压VRm的限制,使用时,应保证不超过此值。为安全起见,实际电流IF应在0.6IFm以下;应让可能出现的反向电压VR<0。6VRm。
LED被广泛用于种电子仪器和电子设备中,可作为电源指示灯、电平指示或微光源之用。红外发光管常被用于电视机、录像机等的??仄髦?。
(1)利用高亮度或超高亮度发光二极管制作微型手电的电路如图5所示。图中电阻R限流电阻,其值应保证电源电压最高时应使LED的电流小于最大允许电流IFm。


半导体发光二极管工作原理、特性及应用
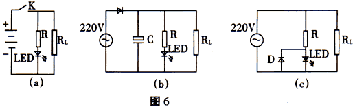
(2)图6(a)、(b)、(c)分别为直流电源、整流电源及交流电源指示电路。
图(a)中的电阻≈(E-VF)/IF;
图(b)中的R≈(1.4Vi-VF)/IF;
图(c)中的R≈Vi/IF
式中,Vi——交流电压有效值。


半导体发光二极管工作原理、特性及应用
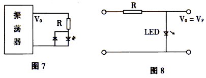
(3)单LED电平指示电路。在放大器、振荡器或脉冲数字电路的输出端,可用LED表示输出信号是否正常,如图7所示。R为限流电阻。只有当输出电压大于LED的阈值电压时,LED才可能发光。


半导体发光二极管工作原理、特性及应用
(4)单LED可充作低压稳压管用。由于LED正向导通后,电流随电压变化非常快,具有普通稳压管稳压特性。发光二极管的稳定电压在1.4~3V间,应根据需要进行选择VF,如图8所示。
(5)电平表。目前,在音响设备中大量使用LED电平表。它是利用多只发光管指示输出信号电平的,即发光的LED数目不同,则表示输出电平的变化。图9是由5只发光二极管构成的电平表。当输入信号电平很低时,全不发光。输入信号电平增大时,首先LED1亮,再增大LED2亮……。


半导体发光二极管工作原理、特性及应用
(五)发光二极管的检测
1.普通发光二极管的检测
(1)用万用表检测。利用具有×10kΩ挡的指针式万用表可以大致判断发光二极管的好坏。正常时,二极管正向电阻阻值为几十至200kΩ,反向电阻的值为∝。如果正向电阻值为0或为∞,反向电阻值很小或为0,则易损坏。这种检测方法,不能实地看到发光管的发光情况,因为×10kΩ挡不能向LED提供较大正向电流。
如果有两块指针万用表(最好同型号)可以较好地检查发光二极管的发光情况。用一根导线将其中一块万用表的“+”接线柱与另一块表的“-”接线柱连接。余下的“-”笔接被测发光管的正极(P区),余下的“+”笔接被测发光管的负极(N区)。两块万用表均置×10Ω挡。正常情况下,接通后就能正常发光。若亮度很低,甚至不发光,可将两块万用表均拨至×1Ω若,若仍很暗,甚至不发光,则说明该发光二极管性能不良或损坏。应注意,不能一开始测量就将两块万用表置于×1Ω,以免电流过大,损坏发光二极管。
(2)外接电源测量。用3V稳压源或两节串联的干电池及万用表(指针式或数字式皆可)可以较准确测量发光二极管的光、电特性。为此可按图10所示连接电路即可。如果测得VF在1.4~3V之间,且发光亮度正常,可以说明发光正常。如果测得VF=0或VF≈3V,且不发光,说明发光管已坏。


半导体发光二极管工作原理、特性及应用
2.红外发光二极管的检测
由于红外发光二极管,它发射1~3μm的红外光,人眼看不到。通常单只红外发光二极管发射功率只有数mW,不同型号的红外LED发光强度角分布也不相同。红外LED的正向压降一般为1.3~2.5V。正是由于其发射的红外光人眼看不见,所以利用上述可见光LED的检测法只能判定其PN结正、反向电学特性是否正常,而无法判定其发光情况正常否。为此,最好准备一只光敏器件(如2CR、2DR型硅光电池)作接收器。用万用表测光电池两端电压的变化情况。来判断红外LED加上适当正向电流后是否发射红外光。其测量电路如图11所示。


半导体发光二极管工作原理、特性及应用
二、LED显示器结构及分类
通过发光二极管芯片的适当连接(包括串联和并联)和适当的光学结构。可构成发光显示器的发光段或发光点。由这些发光段或发光点可以组成数码管、符号管、米字管、矩阵管、电平显示器管等等。通常把数码管、符号管、米字管共称笔画显示器,而把笔画显示器和矩阵管统称为字符显示器。
(一)LED显示器结构
基本的半导体数码管是由七个条状发光二极管芯片按图12排列而成的??墒迪?~9的显示。其具体结构有“反射罩式”、“条形七段式”及“单片集成式多位数字式”等。


半导体发光二极管工作原理、特性及应用
(1)反射罩式数码管一般用白色塑料做成带反射腔的七段式外壳,将单个LED贴在与反射罩的七个反射腔互相对位的印刷电路板上,每个反射腔底部的中心位置就是LED芯片。在装反射罩前,用压焊方法在芯片和印刷电路上相应金属条之间连好φ30μm的硅铝丝或金属引线,在反射罩内滴入环氧树脂,再把带有芯片的印刷电路板与反射罩对位粘合,然后固化。
反射罩式数码管的封装方式有空封和实封两种。实封方式采用散射剂和染料的环氧树脂,较多地用于一位或双位器件??辗夥绞绞窃谏戏礁巧下瞬ㄆ驮裙饽ぃ岣咂骷目煽啃?,必须在芯片和底板上涂以透明绝缘胶,这还可以提高光效率。这种方式一般用于四位以上的数字显示(或符号显示)。
(2)条形七段式数码管属于混合封装形式。它是把做好管芯的磷化镓或磷化镓圆片,划成内含一只或数只LED发光条,然后把同样的七条粘在日字形“可伐”框上,用压焊工艺连好内引线,再用环氧树脂包封起来。
(3)单片集成式多位数字显示器是在发光材料基片上(大圆片),利用集成电路工艺制作出大量七段数字显示图形,通过划片把合格芯片选出,对位贴在印刷电路板上,用压焊工艺引出引线,再在上面盖上“鱼眼透镜”外壳。它们适用于小型数字仪表中。
(4)符号管、米字管的制作方式与数码管类似。
(5)矩阵管(发光二极管点阵)也可采用类似于单片集成式多位数字显示器工艺方法制作。
(二)LED显示器分类
(1)按字高分:笔画显示器字高最小有1mm(单片集成式多位数码管字高一般在2~3mm)。其他类型笔画显示器最高可达12.7mm(0.5英寸)甚至达数百mm。
(2)按颜色分有红、橙、黄、绿等数种。
(3)按结构分,有反射罩式、单条七段式及单片集成式。(4)从各发光段电极连接方式分有共阳极和共阴极两种。
所谓共阳方式是指笔画显示器各段发光管的阳极(即P区)是公共的,而阴极互相隔离。
所谓共阴方式是笔画显示器各段发光管的阴极(即N区)是公共的,而阳极是互相隔离的。如图13所示。


半导体发光二极管工作原理、特性及应用
(三)LED显示器的参数
由于LED显示器是以LED为基础的,所以它的光、电特性及极限参数意义大部分与发光二极管的相同。但由于LED显示器内含多个发光二极管,所以需有如下特殊参数:
1.发光强度比
由于数码管各段在同样的驱动电压时,各段正向电流不相同,所以各段发光强度不同。所有段的发光强度值中最大值与最小值之比为发光强度比。比值可以在1.5~2.3间,最大不能超过2.5。
2.脉冲正向电流
若笔画显示器每段典型正向直流工作电流为IF,则在脉冲下,正向电流可以远大于IF。脉冲占空比越小,脉冲正向电流可以越大。
(四)LED显示器的应用指南
1.七段数码显示器
(1)如果数码宇航局为共阳极形式,那么它的驱动级应为集电极开路(OC)结构,如图14(a)所示。


如果数码管为共阴极形式,它的驱动级应为射极输出或源极输出电路,如图14(b)所示。
半导体发光二极管工作原理、特性及应用
例如国产TTL集成电路CT1049、CT4049为集电极开路形式七段字形译码驱动电路;而CMOS集成电路CC4511为源极输出七段锁存、译码驱动电路。
(2)控制数码管驱动级的控制电路(也称驱动电路)有静态式和动态式两类。
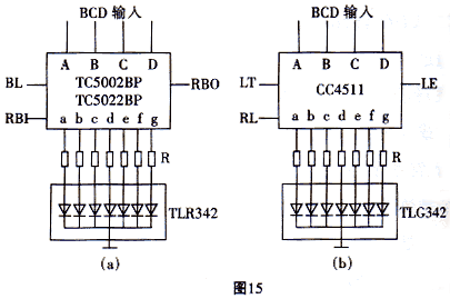
① 静态驱动:静态驱动也称直流驱动。静态驱动是指每个数码管各用一个笔画译码器(如BCD码二-十进制译码器)译码驱动。图15是一位数码管的静态驱动之例。图集成电路TC5002BP内含有射极输出驱动级,所以采用共阴极数码管。A、B、C、D端为BCD码(二-十进制的8421码)输入端,BL为数码管熄灭及显示状态控制端,R为外接电阻。


半导体发光二极管工作原理、特性及应用
图16为N位数字静态驱动显示电路。


半导体发光二极管工作原理、特性及应用
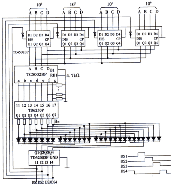
② 动态驱动:动态驱动是将所有数码管使用一个专门的译码驱动器,使各位数码管逐个轮流受控显示,这就是动态驱动。由于扫描速度极快。显示效果与静态驱动相同。图17是一种四位数字动态驱动(脉搏冲驱动)方法的线路。图中只用了一个译码驱动电路TC5002BP。


半导体发光二极管工作原理、特性及应用
TC4508BP内含两个锁存器,每个锁存器可锁存四位二进BCD码,对应于四位十进制数的四组BCD码分别输入到四个锁存器,四个锁存器,四组BCD码由四个锁存器分时轮流输出进入译码器,译码后进入数码管驱动级集成电路TD62505P(输入端I1~I7与输出端Q1~Q7一一对应)。Q1~Q7分别加到四个数码管的a~g七个阳极上。数字驱动电路TD62003P是由达林顿构成的阵列电路,Q1~Q4中哪一端接地,由输入端I1~I4的四师长“使能”信号DS1~DS4控制。由于四个锁存器的轮换输出也是受“使能”信号DS1~DS4控制。所以四个数码管轮流通电显示。由于轮流显示频率较高,故显示的数字不呈闪烁现象。
2.米字管、符号管显示器
米字管和符号管的结构原理相机,所以其驱动方式也基本相同,只是译码电路的译码过程与七段译码器不同。
米字管可以显示包括英文字母在内的多种符号。符号管主要是用来显示+、-或±号等。
3.LED点阵式显示器
LED点阵式显示器与由单个发光二极管连成的显示器相比,具有焊点少、连线少,所有亮点在同平面、亮度均匀、外形美观等优点。
点阵管根据其内部LED尺寸的大小、数量的多少及发光强度、颜色等可分为多种规格。图18所示是具有代表性的P2057A和P2157A两种φ5高亮度橙红色5×7点阵组件。采用双列直插14脚封装,两种显示器的差别是LED极性不同,如图18所示。


半导体发光二极管工作原理、特性及应用
该显示器用扫描驱动方式,选择较大峰值电流和窄脉冲作驱动源,每个LED的平均电流不应超过20mA。
LED点阵管可以代替数码管、符号管和米字管。不仅可以显示数字,也可显示所有西文字母和符号。如果将多块组合,可以构成大屏幕显示屏,用于汉字、图形、图表等等的显示。被广泛用于机场、车站、码头、银行及许多公共场所的指示、说明、广告等场合。
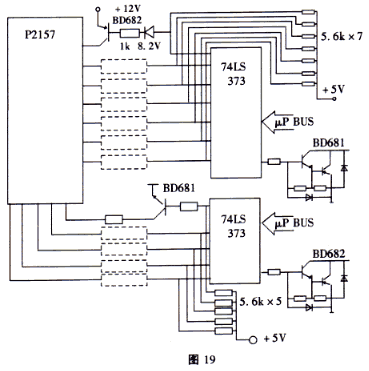
图19是一个LED点阵显示器驱动电路之例。


半导体发光二极管工作原理、特性及应用
烜芯微专业制造二极管,三极管,MOS管,桥堆等20年,工厂直销省20%,4000家电路电器生产企业选用,专业的工程师帮您稳定好每一批产品,如果您有遇到什么需要帮助解决的,可以点击右边的工程师,或者点击销售经理给您精准的报价以及产品介绍
烜芯微专业制造二极管,三极管,MOS管,桥堆等20年,工厂直销省20%,4000家电路电器生产企业选用,专业的工程师帮您稳定好每一批产品,如果您有遇到什么需要帮助解决的,可以点击右边的工程师,或者点击销售经理给您精准的报价以及产品介绍