温度控制系统被广泛应用于工业、农业、医疗等行业的仪器设备中,目前应用最多的是单片机或微机系统设计的温度控制系统。系统硬件部分由输人输出接口、中央处理单元、A/D转换、定时计数等集成??樽槌桑低橙砑糠中枰迷怂懔看蟮腜ID算法编程实现,整套控制系统设计及实现较为复杂和繁琐。由分立元件组成的模拟型电路信号输入、放大、运算及控制输出都由硬件电路完成,不需要软件设计。与数字电路相比,其设计及实现过程更为简便,所以采用简易实用的模拟电路实现温控电路的设计。
1 温控总电路组成
温控电路主要由电源部分、温度检测元件、信号放大、比例积分、电压比较、移相触发控制继电器、超温?;?、加热炉和LED显示几部分组成,其电路结构如图1所示。


图1 温控系统电路组成图
由温度检测元件可以检测到温度值信号,该信号经过放大后输送至比例积分电路并与温度设定电压比较,比较结果输送至相触发电路产生可变周期的脉冲以触发固态继电器中可控硅导通角,从而可控制加热装置的加热功率,达到控制温度的目的。温度补偿电路减少室温对温度测量准确度的影响;超温?;さ缏房梢员Vぴ诩尤任露瘸瓒ㄖ凳保爸猛V辜尤?,起到保护设备的作用。
2 各分电路设计
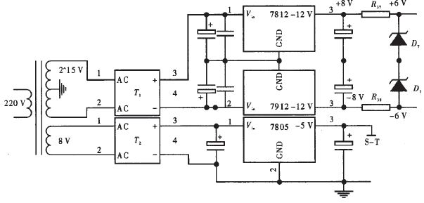
2.1 电源电路
温控电路中需要直流电压的器件为运算放大器及电子信息显示模块。该电压由220V交流电压经整流滤波后加。至三端稳压器输出得到。其电路如图2所示。


图2 电源电路图
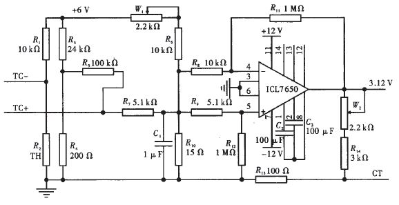
2.2 输入温度信号放大及温度补偿电路
用感温元件镍硌一镍铬K型热电偶作温度传感器来采集温度信号,温度信号为mV级,实际测量时需经过放大处理。热电偶测量温度信号受工作端温度 和自由端环境温度影响,所以测量中需要加补偿信号消除环境温度变化对温度测量的影响。具体电路如图3所示。


图3 信号放大及温度补偿电路
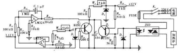
2.3 超温?;さ缏?/div>
以将功率为60 w将加热装置加热至750℃为例,图3中温度信号经过放大100倍后加到比例积分电路并与温度设定电压比较,比较结果输送相触发电路产生可变周期脉冲以触发固态继电器。为避免加热温 度过高设置超温?;さ缏罚谖露裙呤鼻卸霞尤鹊缪?。具体电路如图4所示。


图4 比例积分、电压比较、移相触发及超温保护电路
3 设计验证
3.1 电源电路验证
图2设计220 V交流电压经变压器变压至整流桥T1、T2,整流为直流电压,直流电压经电容滤波后输入三端稳压器及稳压二极管,输出±12 V、±6 V及5 V电压。±12 V电压为运算放大器工作电压;±6 V为偏置电压;5 V电压供LED显示用。其测量值表1所示。


从测试结果来看,实测电压与设计电压绝对误差在±0.1 V之间,完全满足电路工作需要。
3.2 温度信号放大及温度补偿电路验证
图3是一个差分放大电路,放大器采用ICL7650,反馈网络电阻比R11/R8为100,即温度毫伏电压信号被放大100倍。输入温度电压毫伏信号为TC+与TC一端电压差,TC一端R:为一负温度系数热敏电阻,当工作端温度变化,热电偶产生的热电势也将变化,而此时热敏电阻阻值也将减少并使TC一端电压的电压也发生变化。这样总的差分输人信号随温度变化被抵消。如果参数选择合适可消除自由端温度变化对热电偶温度测量的影响。
图中CT取自放大以后的温度毫伏信号,通过改变R13与R14及W2比例可取适当电压信号与温度值对应,该电压信号接至3位半LED显示表可显示测量温度值。
表2为温度采集??槭涑霾馐允荩晒闗型热电偶与电势对应关系表可得到热电偶理论输出电势,实验测试在不同室温及测量温度时,温度采集??槭涑龆耸挡獾缪故欠穹仙杓埔?。由测试数据 来看,通过温度采集??椋徊馕露鹊缡菩藕啪椅虏钩ズ?,被准确放大100倍。


3.3 超温?;さ缏费橹?/div>
图4中左上方A2差分放大器LM324与C4,R16,R15,R18。组成比例积分电路,该电路对放大后的温度信号进行积分。图中一6 V电压经过W3、R20、R21。分压在R21上产生压降,通过电位器W3调节使R21上压降为-3.12 V,该电压通过图中左下方跟随器LM324输出与温度放大信号进行比较,将比较结果送至后端移相触发电路。
图4中Q2,R22,R26及D1组成超温?;さ缏罚绻尤嚷露瘸?20℃,则图3温度信号经过放大后ICL7650输出电压>3.29 V,此时稳压二极管D1被反向击穿,流经R26的电流因Q2基极电位升高使Q2导通,Q2集电极电位降至O.3~O.5 V,移相触发停止工作,继电器不输出加热电压,此时起到超温?;ぷ饔谩?/div>
Q1,C5,R24,继电器和加热装置等其它器件组成移相触发、交流输出及升温部分。移相触发电路核心元件为Q1单结晶体管,其结构、等效电路如图5所示,伏安特性如图6所示。


图5 单结晶体管结构及等效电路图


图6 单结晶体管伏安特性图
e为发射极,b1、 b2分别为第一基极和第二基极。图4中Q1与C5、R26、R24、R23利用晶体管Q1负阻特性构成震荡电路。负阻特性就是当晶体管发射极电流增加时,发射极电压VE反而减小。工作状态通电时 ,电容C5上的电压为零,BT35管子截止,+12 V电源通过电阻R26对C5充电,随时间增长电容C5,上电压逐渐增大;当增大至Ueb1峰点电压Up后,管子进入负阻区,输入端等效电阻迅速减小,此时C5迅速放电,电流Ie随之减小,当Ueb1减小到谷点电压Uv后,管子截止;电容C5又开始充电。上述过程循环产生振荡。电容上电压的测试波形如图7所示。
图7 电容C5输出波形图


图7所示BT35输出为周期性锯齿波,该锯齿波加至固态继电器直流输入端可控制交流输出电压大小。
实际应用中,可以通过改变电压比较电路中比较电压大小控制震荡电路输出波形导通角,图8所示为测试波形示意图。
图8震荡电路输出波形图


通过控制震荡电路周期T内输出导通角,可以达到控制电源输出功率大小的目的,从而改变加热装置加热功率。图4电压比较电路中,调节电位器W3可改变A2 LM324输出比较电压大小。
3.4 温控效果实验验证
通过调节图4温度控制??楸冉系缪勾笮∩瓒刂莆露确直鹞?60℃、340℃、460℃、580℃、670℃、750℃。测试系统温度控制精度。测试时间为7天,每隔24小时从系统显示读取。将实测温度值与设定温度进行比较,从测试结果看,系统温度控制精度为±3℃。


图9温控测试试验结果图
4 结束语
该设计实际应用效果良好,温度控制在750℃下,控制精度可达±3℃。与单片机温控系统相比,该温控电路最大特点是设计简便,调试过程也易于实现,工作状态稳定可靠,实用性强。可应用于工业、农业生产及实验室等需要进行温度控制的场所。
烜芯微专业制造二极管,三极管,MOS管,桥堆等20年,工厂直销省20%,4000家电路电器生产企业选用,专业的工程师帮您稳定好每一批产品,如果您有遇到什么需要帮助解决的,可以点击右边的工程师,或者点击销售经理给您精准的报价以及产品介绍
烜芯微专业制造二极管,三极管,MOS管,桥堆等20年,工厂直销省20%,4000家电路电器生产企业选用,专业的工程师帮您稳定好每一批产品,如果您有遇到什么需要帮助解决的,可以点击右边的工程师,或者点击销售经理给您精准的报价以及产品介绍
- 上一篇:贴片压敏电阻的基本知识介绍
- 下一篇:三种IGBT驱动电路与保护方法详解
相关阅读
最新资讯
- 怎么用TVS二极管提高电路的抗突波能力
- PIN二极管的电导调制机制和应用介绍
- 基于双MOS管的防反灌电路工作原理介绍
- 高效率整流二极管的特性和应用介绍
- 详解稳压二极管的关键特性和应用原理
- MOS管选型关键因素分析,怎么选择合适的参数
- 三相整流电路分析,半波整流与全波整流的工作原理
- IGBT三相全桥整流电路工作原理介绍
- 详解快恢复二极管,结构,特性和应用介绍
- 三极管和MOS管组合式开关电路分析
联系烜芯微
咨询热线:
18923864027
传真:
18923864027
QQ:
709211280
地址:
深圳市福田区振中路84号爱华科研楼7层