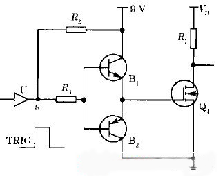
驱动电路由缓冲器U、电阻R2 、R3 及1 对小功率开关三极管对管B1 、B2 组成。当控制信号为低电平时,同向缓冲器U 输出低电平, a 点电位为低电位,双极型三极管B1 、B2对管的基极电位为低电位,流过NPN 型三极管B1 的基极电流近似为零,三极管B1 截止,相当于集电极与发射极间串联大电阻,而流过PNP 型三极管B2 的电流迅速达到饱和电流,三极管B2 饱和导通,N 沟道绝缘栅场效应管Q1 的栅极近似接地,Q1 管截止;当控制信号为高电平时,同向缓冲器U 输出高电平, a 点电位为高电位,双极型三极管B1 、B2 对管的基极电位为高电位,流过NPN 型三极管B1 的基极电流迅速达到饱和,三极管B1 饱和导通,而流过PNP 型三极管B2 的基极电流近似为零,三极管B2 截止,绝缘栅场效应管Q1 的栅极电位几乎等于+ 9 V ,场效应管Q1 导通。电阻R2 是集电极开路同向缓冲器U 的上拉电阻,电阻R3 的作用是与功率三极管基极相连,在基极回路中形成电流。

烜芯微专业制造二极管,三极管,MOS管,桥堆等20年,工厂直销省20%,4000家电路电器生产企业选用,专业的工程师帮您稳定好每一批产品,如果您有遇到什么需要帮助解决的,可以点击右边的工程师,或者点击销售经理给您精准的报价以及产品介绍