
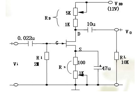
1)静态工作点的测试
上图为场效应管共源极放大器实验电路图。该电路采用的自给偏压的方式为放大器建立静态工作点,栅极通过R1接地,因R1中无电流流过,所以栅极与地等电位。即VG=0,可用万用表测出静态工作点IDQ和VDSQ值。
2)输入输出阻抗的测试


(1) 输入阻抗的测量
上图是伏安法测试放大电路的连接图。其在输入回路中串接一取样电阻R,输入信号调整在放大电路用晶体管毫对地的交流电压VS与Vi,这样求得两端的电压为VR=VS-Vi,流过电阻R的电流实际就是放大电路的输入电流Ii。
根据输入电阻的定义得


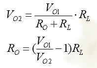
2)输出阻抗的测量
放大器输出阻抗的大小,说明该放大器带负载的能力。用伏安法测试放大电路的输出阻抗的测试电路如下图所示。放大器输出阻抗的大小,说明该放大器带负载的能 力。用伏安法测试放大电路的输出阻抗的测试电路如下图所示。


输入信号的频率仍选择在放大电路的中频段,输入信号的大小仍调整到确保输出信号不失真为条件,因此仍须用示波器监视输出信号的波形。
第一步在不接负载RL的情况下,用毫伏表测得输出电压V01。
第二步在接上负载RL的情况下,用毫伏表测得输出电压V02。则


3)高输入阻抗Zi的测试.
前面讲了一般放大器输入阻抗的测量方法,下面以场效应管源极跟随器为例,介绍高输入放大器的输入阻抗的测试方法。
类似于源极跟随器这样的高输入阻抗放大器的输入阻抗.往往可以等效成一个输入电阻Zi和一个输入电容Ci的并联形式,因此,必须分辨测出Ri和Ci的值才能确定输入阻抗Zi的值。
测量Ri,由于被测电路的输入阻抗很高,可以和毫伏表的输入阻抗相比拟,若将毫伏表直接接到被测放大电路的输入端,会引起严重的测试误差.为了减少小毫伏表并联接入引起的测量误差,要求毫伏表的输入电阻远大于被测电路的输入电阻,一般要求大于20倍以上.对于一般的毫伏表来说,是无法满足这样的要求的.但是被测电路是一的源极跟随器.具有高输入阻抗,低输出阻抗的特点,因而,可以不直接测试放大电路的输入电压,而是测其输出电压。
如图3.3.4所示,电路中串入一个阻值较大的取样电阻R,测试时先将电阻R短路,测出放大器的输出电压,U01=Au.Ui.再拆除R的短路线,测出输出电压U02,则由于两次测试中Au和Ui都不变,从而可以从上面两方程中求得放大电路的输入电阻为


1.基本要求
(1)结型场效应管的特性曲线测试
a.转移特性曲线测试
按上图接线,调节VDD使VDS=5V,然后调节RW(10KΩ)
电位器,分别使VGS为0V ,-0.1V , - 0.2V ,-0.3 v,-0.4V ,
-0.5V , - 0.6V , -1 V ,-2 V, 相应测出对应的各个漏极电
流ID并记录之,在坐标纸上画出一条VDS=5V的转换特性曲线。


b. 结型场效应管漏极特性曲线测试
调节Rw电位器,固定VGS=0V,调节VDD分别使场效应 管漏源电压VDS为0V, 1V,2V,4V,6V,8V,10V,测出各对应的ID值,然后在坐标纸上将各点连成一条光滑
的曲线。即可得VGS=0V时的一条漏极特性曲线。
c. 调节RW,分别固定VGS为-0.3V,-0.5V,重复上述
步骤,即可得出VGS=-0.3V,VGS=-0.5V时的另外两条特性曲线。
d. 跨导gm的测试
根据转移特性曲线数值,求出VGS在-0.1v和-0.2v之间时的跨导:


(2)按照本课件图3-7连接一个结型场效应管共源放大电路。调节Rs使VGSQ=-0.2V,测量并记录VDSQ、IDQ。已知输入正弦波信号有效值 Vi=150mv f=1000HZ VDD=12V RL=20kΩ,选2SK163(N沟道耗尽型场效应管)。
(3)测量电路的放大倍数Av、输入阻抗Ri、输出阻抗Ro并记录。
烜芯微专业制造二极管,三极管,MOS管,桥堆等20年,工厂直销省20%,4000家电路电器生产企业选用,专业的工程师帮您稳定好每一批产品,如果您有遇到什么需要帮助解决的,可以点击右边的工程师,或者点击销售经理给您精准的报价以及产品介绍
烜芯微专业制造二极管,三极管,MOS管,桥堆等20年,工厂直销省20%,4000家电路电器生产企业选用,专业的工程师帮您稳定好每一批产品,如果您有遇到什么需要帮助解决的,可以点击右边的工程师,或者点击销售经理给您精准的报价以及产品介绍