当你使用3.3V的单片机的时候,电平转换就在所难免了,经?;嵊龅?.3转5V或者5V转3.3V的情况,这里介绍一个简单的电路,他可以实现两个电平的相互转换(注意是相互哦,双向的,不是单向的!).电路十分简单,仅由3个电阻加一个MOS管构成。
电路图如下:

上图中,S1,S2为两个信号端,VCC_S1和VCC_S2为这两个信号的高电平电压.另外限制条件为:
1,VCC_S1<=VCC_S2.
2,S1的低电平门限大于0.7V左右(视NMOS内的二极管压降而定).
3,Vgs<=VCC_S1.
4,Vds<=VCC_S2
对于3.3V和5V/12V等电路的相互转换,NMOS管选择AP2306即可.原理比较简单,大家自行分析吧!此电路我已在多处应用,效果很好.


I2C
类似这种吧,只是不知道这种电路的速率能达到多少
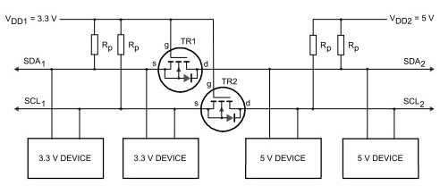
电平转换器的操作
在电平转换器的操作中要考虑下面的三种状态:
1 没有器件下拉总线线路。“低电压”部分的总线线路通过上拉电阻Rp 上拉至3.3V。 MOS-FET 管的门极和源极都是3.3V, 所以它的VGS 低于阀值电压,MOS-FET 管不导通。这就允许“高电压”部分的总线线路通过它的上拉电阻Rp 拉到5V。 此时两部分的总线线路都是高电平,只是电压电平不同。
2 一个3.3V 器件下拉总线线路到低电平。MOS-FET 管的源极也变成低电平,而门极是3.3V。 VGS上升高于阀值,MOS-FET 管开始导通。然后“高电压”部分的总线线路通过导通的MOS-FET管被3.3V 器件下拉到低电平。此时,两部分的总线线路都是低电平,而且电压电平相同。
3 一个5V 的器件下拉总线线路到低电平。MOS-FET 管的漏极基底二极管“低电压”部分被下拉直到VGS 超过阀值,MOS-FET 管开始导通。“低电压”部分的总线线路通过导通的MOS-FET 管被5V 的器件进一步下拉到低电平。此时,两部分的总线线路都是低电平,而且电压电平相同。
这三种状态显示了逻辑电平在总线系统的两个方向上传输,与驱动的部分无关。状态1 执行了电平转换功能。状态2 和3 按照I2C 总线规范的要求在两部分的总线线路之间实现“线与”的功能。
除了3.3V VDD1 和5V VDD2 的电源电压外,还可以是例如:2V VDD1 和10V VDD2。 在正常操作中,VDD2必须等于或高于VDD1( 在开关电源时允许VDD2 低于VDD1)。
MOS-N 场效应管 双向电平转换电路 -- 适用于低频信号电平转换的简单应用
MOS-N 场效应管 双向电平转换电路 -- 适用于低频信号电平转换的简单应用

如上图所示,是 MOS-N 场效应管 双向电平转换电路。
双向传输原理:
为了方便讲述,定义 3.3V 为 A 端,5.0V 为 B 端。
A端输出低电平时(0V),MOS管导通,B端输出是低电平(0V)
A端输出高电平时(3.3V),MOS管截至,B端输出是高电平(5V)
A端输出高阻时(OC) ,MOS管截至,B端输出是高电平(5V)
B端输出低电平时(0V),MOS管内的二极管导通,从而使MOS管导通,A端输出是低电平(0V)
B端输出高电平时(5V),MOS管截至,A端输出是高电平(3.3V)
B端输出高阻时(OC) ,MOS管截至,A端输出是高电平(3.3V)
优点:
1、适用于低频信号电平转换,价格低廉。
2、导通后,压降比三极管小。
3、正反向双向导通,相当于机械开关。
4、电压型驱动,当然也需要一定的驱动电流,而且有的应用也许比三极管大。
烜芯微专业制造二极管,三极管,MOS管,桥堆等20年,工厂直销省20%,1500家电路电器生产企业选用,专业的工程师帮您稳定好每一批产品,如果您有遇到什么需要帮助解决的,可以点击右边的工程师,或者点击销售经理给您精准的报价以及产品介绍
烜芯微专业制造二极管,三极管,MOS管,桥堆等20年,工厂直销省20%,1500家电路电器生产企业选用,专业的工程师帮您稳定好每一批产品,如果您有遇到什么需要帮助解决的,可以点击右边的工程师,或者点击销售经理给您精准的报价以及产品介绍