一般可以使用在电源的正极串入一个二极管解决,不过,由于二极管有压降,会给电路造成不必要的损耗,尤其是电池供电场合,本来电池电压就3.7V,你就用二极管降了0.6V,使得电池使用时间大减。
MOS管防反接,好处就是压降小,小到几乎可以忽略不计。现在的MOS管可以做到几个毫欧的内阻,假设是6.5毫欧,通过的电流为1A(这个电流已经很大了),在他上面的压降只有6.5毫伏。
由于MOS管越来越便宜,所以人们逐渐开始使用MOS管防电源反接了。
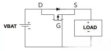
NMOS管防止电源反接电路:


正确连接时:刚上电,MOS管的寄生二极管导通,所以S的电位大概就是0.6V,而G极的电位,是VBAT,VBAT-0.6V大于UGS的阀值开启电压,MOS管的DS就会导通,由于内阻很小,所以就把寄生二极管短路了,压降几乎为0。
电源接反时:UGS=0,MOS管不会导通,和负载的回路就是断的,从而保证电路安全。
PMOS管防止电源反接电路:


正确连接时:刚上电,MOS管的寄生二极管导通,电源与负载形成回路,所以S极电位就是VBAT-0.6V,而G极电位是0V,PMOS管导通,从D流向S的电流把二极管短路。
电源接反时:G极是高电平,PMOS管不导通。?;さ缏钒踩?。
连接技巧
NMOS管DS串到负极,PMOS管DS串到正极,让寄生二极管方向朝向正确连接的电流方向。
感觉DS流向是“反”的?
仔细的朋友会发现,防反接电路中,DS的电流流向,和我们平时使用的电流方向是反的。
为什么要接成反的?
利用寄生二极管的导通作用,在刚上电时,使得UGS满足阀值要求。
为什么可以接成反的?
如果是三极管,NPN的电流方向只能是C到E,PNP的电流方向只能是E到C。不过,MOS管的D和S是可以互换的。这也是三极管和MOS管的区别之一。(关于这个问题,咱们另开一篇文章讨论,这篇只讨论MOS管的防反接作用)。
上面是示意图,实际应用时,G极前面要加个电阻。
烜芯微专业制造二极管,三极管,MOS管,桥堆等20年,工厂直销省20%,1500家电路电器生产企业选用,专业的工程师帮您稳定好每一批产品,如果您有遇到什么需要帮助解决的,可以点击右边的工程师,或者点击销售经理给您精准的报价以及产品介绍
烜芯微专业制造二极管,三极管,MOS管,桥堆等20年,工厂直销省20%,1500家电路电器生产企业选用,专业的工程师帮您稳定好每一批产品,如果您有遇到什么需要帮助解决的,可以点击右边的工程师,或者点击销售经理给您精准的报价以及产品介绍