钽电容
钽电容是电容器中体积小而又能达到较大电容量的产品,是1956年由美国贝尔实验室首先研制成功的,它的性能优异。钽电容器外形多种多样,并制成适于表面贴装的小型和片型元件。钽电容器不仅在军事通讯,航天等领域应用,而且钽电容的应用范围还在向工业控制,影视设备、通讯仪表等产品中大量使用。

钽电容命名方式
各国电容器的型号命名很不统一,国产电容器的命名由四部分组成:
第一部分:用字母表示名称,电容器为C。
第二部分:用字母表示材料。
第三部分:用数字表示分类。
第四部分:用数字表示序号
钽电容的作用是什么
钽电容是由稀有金属钽加工而成,先把钽磨成微细粉,再与其它的介质一同经烧结而成。钽电容因为金属钽的固有特性,具有稳定性好、不随环境的变化而改变、能做到容值很大等特点,在某些方面具有陶瓷电容不可比较的一些特性,因而在许多无法使用陶瓷电容的电路上钽电容被广泛选用。
随着钽电容在市场的应用越来越广泛,型号和供货量的增加,价格的下跌,如今许多行业都在用钽电容替代铝电解电容。当然钽电容也有本身的缺陷,比如耐压不够高,大大限制了钽电容的用途区域。就拿音响电路来说吧,音响电路中通常包含滤波、耦合、旁路、分频等电容,如何在电路中更有效地选择使用电容器对音响音质的改进具有较大的影响。音响电路中的耦合电容绝大一部分就是用的钽电容。
钽电容自动化程度高,精度也高,在运输途中不像插件式那样容易受损,但是贴片工艺安装需要波峰焊工艺处理,电容经过高温之后可能会影响性能,尤其是阴极采用电解液的电容,经过高温后电解液可能会干枯,插件工艺的安装成本低,因此在同样成本下,电容本身的性能可以更好一些。
贴片钽电容作用主要是清除由芯片自身产生的各种高频信号对其他芯片的串扰,从而让各个芯片模块能够不受干扰的正常工作,在高频电子振荡线路中,贴片式电容与晶体振荡器等元件一起组成振荡电路,给各种电路提供所需的时钟频率。
它被应用于小容量的低频滤波电路中,贴片钽电容与陶瓷电容相比,其表面均有电容容量和耐压标识,其表面颜色通常有黄色和黑色两种,譬如100-16即表示容量100μF,耐压16V,贴片式铝电解电容拥有比贴片式钽电容更大的容量,其多见于显卡上,容量在300μF~1500μF之间,贴片钽电容主要是满足电流低频的滤波和稳压作用,直立电容和贴片电容的区别 无论是插件还是贴片式的安装工艺,电容本身都是直立于PCB的,根本的区别方式是贴片工艺安装的电容,有黑色的橡胶底座。
钽电容的标识方法及正负极判断
钽电容的标识方法及正负极判断如下:

钽电容内部结构图

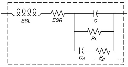
钽电容内部等效电路
钽电容标识方法
(1)直标法:用字母和数字把型号、规格直接标在外壳上。
(2)文字符号法:用数字、文字符号有规律的组合来表示容量。文字符号表示其电容量的单位:P、N、u、m、F等。和电阻的表示方法相同。标称允许偏差也和电阻的表示方法相同。小于10pF的电容,其允许偏差用字母代替:B——±0.1pF,C——±0.2pF,D——±0.5pF,F——±1pF。
(3)色标法:和电阻的表示方法相同,单位一般为pF。小型电解电容器的耐压也有用色标法的,位置靠近正极引出线的根部,所表示的意义如下表所示:
颜色 黑 棕 红 橙 黄 绿 蓝 紫 灰
耐压 4V 6.3V 10V 16V 25V 32V 40V 50V 63V
(4)进口电容器的标识方法:进口电容器一般有6项组成。
第一项:用字母表示类别:
第二项:用两位数字表示其外形、结构、封装方式、引线开始及与轴的关系。
第三项:温度补偿型电容器的温度特性,有用字母的,也有用颜色的,其意义如下表所示:
序号 字母 颜色 温度系数 允许偏差 字母 颜色 温度系数 允许偏差
1 A 金 +100 R 黄 -220
2 B 灰 +30 S 绿 -330
11 P 橙 -150 YN -800~-5800
备注:温度系数的单位10e -6/℃;允许偏差是% 。
第四项:用数字和字母表示耐压,字母代表有效数值,数字代表被乘数的10的幂。
第五项:标称容量,用三位数字表示,前两位为有效数值,第三为是10的幂。当有小数时,用R或P表示。普通电容器的单位是pF,电解电容器的单位是uF。
第六项:允许偏差。用一个字母表示,意义和国产电容器的相同。也有用色标法的,意义和国产电容器的标志方法相同。
进口的,以477 A71N13为例,后边六位分别与上述六项对应。
钽电容正负极性
钽电容的极性,对于贴片钽电容来说,有一条横线的那一端是钽电容的正极,而另一端就是钽电容的负极。
对于有引线管脚的钽电容来说,长腿的一端是钽电容的正极,短腿的一端是负极。
在焊接电容时,不能将钽电容的正负极接反,否则就无法起到作用,甚至引起可怕的后果:轻则电容被烧焦;重则引起电容爆炸。所以安装钽电容的时候,一定要小心谨慎。
如下列图像所示:

钽电容优缺点
(一)缺点
容量较小、价格也比铝电容贵,而且耐电压及电流能力较弱。它被应用于大容量滤波的地方,像CPU插槽附近就看到钽电容的身影,多同陶瓷电容,电解电容配合使用或是应用于电压、电流不大的地方。

(二)优点
钽电容全称是钽电解电容,也属于电解电容的一种,使用金属钽做介质,不像普通电解电容那样使用电解液,钽电容不需像普通电解电容那样使用镀了铝膜的电容纸绕制,本身几乎没有电感,但这也限制了它的容量。
此外,由于钽电容内部没有电解液,很适合在高温下工作。 这种独特自愈性能,保证了其长寿命和可靠性的优势。
固体钽电容器电性能优良,工作温度范围宽,而且形式多样,体积效率优异,具有其独特的特征:钽电容器的工作介质是在钽金属表面生成的一层极薄的五氧化二钽膜。此层氧化膜介质与组成电容器的一端极结合成一个整体,不能单独存在。因此单位体积内具有非常高的工作电场强度,所具有的电容量特别大,即比容量非常高,因此特别适宜于小型化。
钽电容的最新发展设计进步
制造商提供种类广泛的钽电容产品系列,它们针对各种具体特征进行优化,并瞄准不同的应用和细分市场。这些不同的产品系列提供的优化包括更低的ESR、更小的尺寸、高可靠性(面向军用、汽车和医疗应用)、更小的直流漏电流、更低的ESL和更高的工作温度。本文侧重其中两个领域:更低的ESR和更小的尺寸。
1、更低的ESR – 为实现最低ESR而优化,这些器件在脉冲或交流应用中提供更高的效率,在高噪声环境中提供更出色的滤波性能。
2、更小的尺寸 – 结合高CV钽粉的使用和高效率封装,这些器件以紧凑尺寸提供高容值,适用空间紧张的应用,如智能手机、平板电脑和其他手持式消费电子设备。
1、低ESR钽电容
减小ESR一直是钽电容设计的重要研究领域之一。钽粉的选择和生产期间涂敷阴极材料时所用的工艺对ESR有显著影响。但是,对于给定的额定值(容值、电压、尺寸),这些因素主要为设计约束并在目前的最先进器件上得到基本解决。使ESR减小的两个最主要因素是:阴极材料用导电聚合物替代MnO2,引线框架材料从铁镍合金改为铜(Cu)。
传统钽电容的ESR主要源于阴极材料MnO2。如图1所示,MnO2的导电率约为0.1S/cm。相比之下,导电聚合物(如聚3,4-乙烯二氧噻吩)的导电率在100S/cm范围内。导电率的这一增加直接转换为ESR的显著减小。
在图2中,不同额定值下的ESR-频率曲线显示了钽电容器采用聚合物阴极系统的优势。通过直接比较MnO2和聚合物设计在A外壳 6.3 V / 47 μF额定值条件下的ESR-频率曲线,可以看出在100 kHz频率下聚合物设计使ESR的减小幅度多达一个数量级。

图1 不同材料的导电率

图2 不同额定值下的ESR-频率曲线
引线框架材料是改用导电率更高的材料后可改善ESR的另一个领域。如图3中的电容横截面所示,引线框架提供从内部电容器元件到封装外部的电连接。

图3 电容横截面
铁镍合金(如Alloy 42)一直是引线框架材料传统选择。这些合金的优点包括低热膨胀系数(CTE)、低成本和制造中的易用性。铜引线框架材料加工方面的改进使其能够用于钽电容设计。由于导电率是Alloy 42的100倍,铜的使用对ESR有重要影响。例如,采用A外壳(EIA 3216)和传统引线框架的Vishay 100μF/6.3V T55聚合物钽电容在100kHz和25°C条件下提供70mΩ的最大ESR。通过改为铜引线框架,最大ESR可减小到40mΩ。
2、紧凑钽电容
改善钽电容设计体积效率(容值密度)的两个主要因素是钽粉的演变和封装的改进。
电容设计中使用的钽粉的质量因数是:(容值?电压)/质量,简写为CV/g。大规模生产中使用的钽粉的演变如图4所示。CV/g的这些增加与更小的颗粒尺寸和粉末纯度改善有关。在电容设计中使用这些材料本身就是一个复杂的研究领域,需要大量研发投资。

图4 大规模生产中使用的钽粉的演变
使钽电容设计尺寸减小的另一个重要因素是超高效封装技术的发展。业内使用的最常见封装技术是引线框架设计。这种结构具有非常高的制造效率,从而可以降低成本和提高产能。对于不受制于空间的应用,这些器件仍然是可行的解决方案。

图5 不同封装技术的体积效率
但是,在主要设计标准是增加密度的许多电子系统中,能够减小元件尺寸是一个重要优势。在此方面,制造商在封装技术上已经取得了若干进展。如图5所示,与标准引线框架结构相比,无引线框架设计可改善体积效率。通过减小提供外部连接所需的机械结构的尺寸,这些器件可利用该额外可用空间来增加电容元件的尺寸,从而增加容值和/或电压。
在最新一代封装技术中,Vishay拥有专利的多阵列封装(MAP)结构通过使用位于封装末端的金属化层来提供外部连接使体积效率进一步改善。该结构通过完全消除内部阳极连接使电容元件尺寸在可用体积范围内实现最大化。为进一步说明体积效率的改善,请看图6。从图中可以明显看出电容元件的体积增加了60%以上。这一增加可用于优化器件,以增加容值和/或电压、减小DCL以及提高可靠性。

图6 Vishay拥有专利的多阵列封装结构
Vishay MAP结构的另一个好处是减小ESL。MAP结构可通过消除环包的机械引线框架显著减小既有电流回路的尺寸。通过使电流回路最小化,可显著减小ESL。如图7所示,与标准引线框架结构相比,这一减小可达到30%之多。ESL的减小对应于自谐振频率的增加,这可扩大电容的工作频率范围。

图7 Vishay的MAP结构与标准引线框架结构性能对比
烜芯微专业制造二极管,三极管,MOS管,桥堆等20年,工厂直销省20%,1500家电路电器生产企业选用,专业的工程师帮您稳定好每一批产品,如果您有遇到什么需要帮助解决的,可以点击右边的工程师,或者点击销售经理给您精准的报价以及产品介绍
烜芯微专业制造二极管,三极管,MOS管,桥堆等20年,工厂直销省20%,1500家电路电器生产企业选用,专业的工程师帮您稳定好每一批产品,如果您有遇到什么需要帮助解决的,可以点击右边的工程师,或者点击销售经理给您精准的报价以及产品介绍