场效应管概述
场效应管,主要有两种类型:结型场效应管(junction FET—JFET)和金属 - 氧化物半导体场效应管(metal-oxide semiconductor FET,简称MOS-FET)。由多数载流子参与导电,也称为单极型晶体管。它属于电压控制型半导体器件。

具有输入电阻高(107~1015Ω)、噪声小、功耗低、动态范围大、易于集成、没有二次击穿现象、安全工作区域宽等优点,现已成为双极型晶体管和功率晶体管的强大竞争者。
场效应管(FET)是利用控制输入回路的电场效应来控制输出回路电流的一种半导体器件,并以此命名。
场效应管有什么用途
场效应管有什么用途
场效应管有什么用途,下文会从5个方面来讲:
1、场效应管可应用于放大
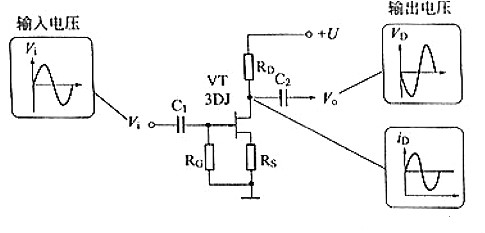
场效应管具有放大作用。如图2所示为mos场效应管放大器,输入信号Ui经CI耦合至场效应管VT的栅极,与原来的栅极负偏压相叠加,使其漏极电流I1,相应变化,并在负载电阻RD上产生压降,经C2隔离直流后输山,在输出端即得到放大了的信号电压UO。In与Ui同相,UO与Ui反相。由于场效应管放大器的输入阻抗很高,因此耦合电容可以容量较小,不必使用电解电容器。

图2 场效应管放大电路
2、恒流
场效应管可以方便地构成恒流源,电路如图4所示。恒流原理足如果通过场效应管的漏极电流ID因故增大,源极电阻Rs上形成的负栅压也随之增大,迫使ID回落,反之亦然,使ID保持恒定。恒定电流Il

式中UP为场效应管夹断电压。

场效应管恒流电路
3、阻抗变换
场效应管很高的输入阻抗非常适合作阻抗变换。如图5所示为场效应管源极输出器,电路结构与晶体三极管射极跟随器类似,但由于场效应管是电压控制型器件,输入阻抗极高,因此场效应管源极输出器具有更高的输入阻抗Zi和较低的输出阻抗Zo,常用于多级放大器的高阻抗输入级作阻抗变换。

图5 场效应管源极输出器
4、可变电阻
场效应管可以用作可变电阻。如图6所示为自动电平控制电路,当输入信号Ui增大导致u。增大时,由Uo经二极管VD负向整流后形成的栅极偏压一UG的绝对值也增大,使场效应管VT的等效电阻增大,Ri与其的分压比减小,使进入放大器的信号电压减小,最终使Uo保持基本不变。

图6 场效应管用作可变电阻
5、电子开关
场效应管可以崩作电子开关。如图7所示为直流信号调制电路,场效应管VT1、VT2工作于开关状态,其栅极分别接人频率相同、相位相反的方波电压。当VT1导通VT2截止时,Ui向C充电;当VT1截止VT2导通时,c放电;其输出Uo。便是与输入直流电压ui相关的交变电压。

图7 直流信号调制电路
常用场效应管有什么用途及特点

场效应管应用领域
场效应管(fet)是电场效应控制电流大小的单极型半导体器件。在其输入端基本不取电流或电流极小,具有输入阻抗高、噪声低、热稳定性好、制造工艺简单等特点,在大规模和超大规模集成电路中被应用。
场效应器件凭借其低功耗、性能稳定、抗辐射能力强等优势,在集成电路中已经有逐渐取代三极管的趋势。但它还是非常娇贵的,虽然多数已经内置了?;ざ?,但稍不注意,也会损坏。所以在应用中还是小心为妙。
烜芯微专业制造二极管,三极管,MOS管,桥堆等20年,工厂直销省20%,1500家电路电器生产企业选用,专业的工程师帮您稳定好每一批产品,如果您有遇到什么需要帮助解决的,可以点击右边的工程师,或者点击销售经理给您精准的报价以及产品介绍
烜芯微专业制造二极管,三极管,MOS管,桥堆等20年,工厂直销省20%,1500家电路电器生产企业选用,专业的工程师帮您稳定好每一批产品,如果您有遇到什么需要帮助解决的,可以点击右边的工程师,或者点击销售经理给您精准的报价以及产品介绍