7805引脚图与参数-7805引脚图及电路
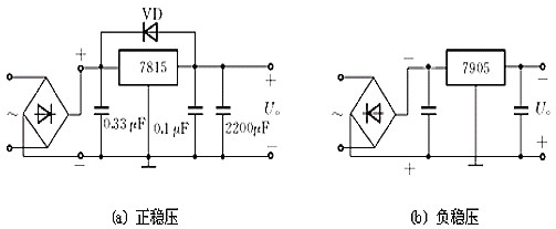
(1)集成三端稳压器根据稳定电压的正、负极性分为78×××,79×××系列。附图给出了正、负稳压的典型电路。

正、负稳压7805电路
(2)7805引脚图和参数-三端稳压器的型号规格和管脚分布

附表1-17 三端稳压器输出电流字母表示法

例如:78M05三端稳压器可输出+5 V、0.5 A的稳定电压;7912三端稳压器可输出 12V、1A的稳定电压。
(3) 外形及管脚分布,如附图1-25所示。

烜芯微科技7805引脚图和参数、规格书
7805 1A 引脚图和参数、规格书
(1)引脚图

(2)规格书
查看规格书,请点击下图。

7805 1.5A 引脚图和参数、规格书
(1)引脚图

(2)规格书
查看规格书,请点击下图。

烜芯微专业制造二极管,三极管,MOS管,桥堆等20年,工厂直销省20%,1500家电路电器生产企业选用,专业的工程师帮您稳定好每一批产品,如果您有遇到什么需要帮助解决的,可以点击右边的工程师,或者点击销售经理给您精准的报价以及产品介绍