mos管封装介绍
MOS管芯片在制作完成之后,需要给MOSFET芯片加上一个外壳,即MOS管封装。MOSFET芯片的外壳具有支撑、?;ぁ⒗淙吹淖饔?同时还为芯片提供电气连接和隔离,以便MOSFET器件与其它元件构成完整的电路。

按照安装在PCB 方式来区分,MOS管封装主要有两大类:插入式(Through Hole)和表面贴装式(Surface Mount)。插入式就是MOSFET的管脚穿过PCB的安装孔焊接在PCB 上。表面贴裝则是MOSFET的管脚及散热法兰焊接在PCB表面的焊盘上。
mos管封装引脚的发展进程
结构方面:TO->DIP->PLCC->QFP->BGA->CSP;
材料方面:金属、陶瓷->陶瓷、塑料->塑料;
引脚形状:长引线直插->短引线或无引线贴装->球状凸点;
装配方式:通孔插装->表面组装->直接安装
mos管封装引脚-TO封装
TO(Transistor Out-line)的中文意思是“晶体管外形”。这是早期的封装规格,例如TO-92,TO-92L,TO-220,TO-252等等都是插入式封装设计。近年来表面贴装市场需求量增大,TO封装也进展到表面贴装式封装。
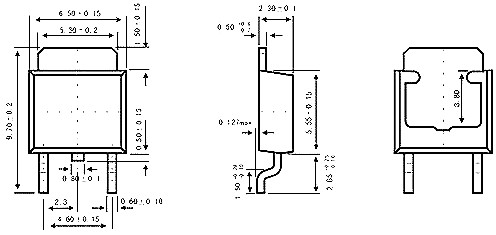
TO252和TO263就是表面贴装封装。其中TO-252又称之为D-PAK,TO-263又称之为D2PAK。
D-PAK封装的MOSFET有3个电极,栅极(G)、漏极(D)、源极(S)。其中漏极(D)的引脚被剪断不用,而是使用背面的散热板作漏极(D),直接焊接在PCB上,一方面用于输出大电流,一方面通过PCB散热。所以PCB的D-PAK焊盘有三处,漏极(D)焊盘较大。
如下面的mos管封装引脚图TO-252:

mos管封装引脚-SOT封装
SOT(Small Out-Line Transistor)小外形晶体管封装。这种封装就是贴片型小功率晶体管封装,比TO封装体积小,一般用于小功率MOSFET。常见的规格如上。
主板上常用四端引脚的SOT-89 MOSFET。

如下图mos管封装引脚图SOT-23

mos管封装引脚图-SOP封装
SOP(Small Out-Line Package)的中文意思是“小外形封装”。SOP是表面贴装型封装之一,引脚从封装两侧引出呈海鸥翼状(L 字形)。材料有塑料和陶瓷两种。SOP也叫SOL 和DFP。SOP封装标准有SOP-8、SOP-16、SOP-20、SOP-28等等,SOP后面的数字表示引脚数。MOSFET的SOP封装多数采用SOP-8规格,业界往往把“P”省略,叫SO(Small Out-Line )。

SO-8采用塑料封装,没有散热底板,散热不良,一般用于小功率MOSFET。
SO-8是PHILIP公司首先开发的,以后逐渐派生出TSOP(薄小外形封装)、VSOP(甚小外形封装)、SSOP(缩小型SOP)、TSSOP(薄的缩小型SOP)等标准规格。
这些派生的几种封装规格中,TSOP和TSSOP常用于MOSFET封装。
mos管封装引脚图-QFN-56

QFN(Quad Flat Non-leaded package)是表面贴装型封装之一,中文叫做四边无引线扁平封装,是一种焊盘尺寸小、体积小、以塑料作为密封材料的新兴表面贴装芯片封装技术。现在多称为LCC。QFN是日本电子机械工业会规定的名称。
封装四边配置有电极接点,由于无引线,贴装占有面积比QFP小,高度比QFP低。这种封装也称为LCC、PCLC、P-LCC等。QFN本来用于集成电路的封装,MOSFET不会采用的。Intel提出的整合驱动与MOSFET的DrMOS采用QFN-56封装,56是指在芯片背面有56个连接Pin。
如何区分mos管封装引脚的各个极
1.判断栅极G
MOS驱动器主要起波形整形和加强驱动的作用:假如MOS管的G信号波形不够陡峭,在点评切换阶段会造成大量电能损耗其副作用是降低电路转换效率,MOS管发烧严峻,易热损坏MOS管GS间存在一定电容,假如G信号驱动能力不够,将严峻影响波形跳变的时间.
将G-S极短路,选择万用表的R×1档,黑表笔接S极,红表笔接D极,阻值应为几欧至十几欧。若发现某脚与其字两脚的电阻均呈无限大,并且交换表笔后仍为无限大,则证实此脚为G极,由于它和另外两个管脚是绝缘的。

2.判断源极S、漏极D
将万用表拨至R×1k档分别丈量三个管脚之间的电阻。用交换表笔法测两次电阻,其中电阻值较低(一般为几千欧至十几千欧)的一次为正向电阻,此时黑表笔的是S极,红表笔接D极。因为测试前提不同,测出的RDS(on)值比手册中给出的典型值要高一些。
3.丈量漏-源通态电阻RDS(on)
在源-漏之间有一个PN结,因此根据PN结正、反向电阻存在差异,可识别S极与D极。例如用500型万用表R×1档实测一只IRFPC50型VMOS管,RDS(on)=3.2W,大于0.58W(典型值)。
烜芯微专业制造二极管,三极管,MOS管,桥堆等20年,工厂直销省20%,1500家电路电器生产企业选用,专业的工程师帮您稳定好每一批产品,如果您有遇到什么需要帮助解决的,可以点击右边的工程师,或者点击销售经理给您精准的报价以及产品介绍