本文主要讲开关电源调试问题有哪些,开关电源不同于线性电源,开关电源利用的切换晶体管多半是在全开模式(饱和区)及全闭模式(截止区)之间切换,这两个模式都有低耗散的特点,切换之间的转换会有较高的耗散,但时间很短,因此比较节省能源,产生废热较少。
理想上,开关电源本身是不会消耗电能的。电压稳压是透过调整晶体管导通及断路的时间来达到。相反的,线性电源在产生输出电压的过程中,晶体管工作在放大区,本身也会消耗电能??氐缭吹母咦恍适瞧湟淮笥诺?,而且因为开关电源工作频率高,可以使用小尺寸、轻重量的变压器,因此开关电源也会比线性电源的尺寸要小,重量也会比较轻。
开关电源调试问题(一)-变压器饱和
变压器饱和现象
在高压或低压输入下开机(包含轻载,重载,容性负载),输出短路,动态负载,高温等情况下,通过变压器(和开关管)的电流呈非线性增长,当出现此现象时,电流的峰值无法预知及控制,可能导致电流过应力和因此而产生的开关管过压而损坏。

容易产生饱和的情况:
1)变压器感量太大;
2)圈数太少;
3)变压器的饱和电流点比IC的最大限流点小;
4)没有软启动。
解决办法:
1)降低IC的限流点;
2)加强软启动,使通过变压器的电流包络更缓慢上升。

开关电源调试问题(二)-Vds过高
Vds的应力要求:
最恶劣条件(最高输入电压,负载最大,环境温度最高,电源启动或短路测试)下,Vds的最大值不应超过额定规格的90%
Vds降低的办法:
1)减小平台电压:减小变压器原副边圈数比;
2)减小尖峰电压:
a.减小漏感:
变压器漏感在开关管开通是存储能量是产生这个尖峰电压的主要原因,减小漏感可以减小尖峰电压。
b.调整吸收电路:
①使用TVS管;
②使用较慢速的二极管,其本身可以吸收一定的能量(尖峰);
③插入阻尼电阻可以使得波形更加平滑,利于减小EMI。
开关电源调试问题(三)-IC温度过高
原因及解决办法:
1)内部的MOSFET损耗太大:
开关损耗太大,变压器的寄生电容太大,造成MOSFET的开通、关断电流与Vds的交叉面积大。解决办法:增加变压器绕组的距离,以减小层间电容,如同绕组分多层绕制时,层间加入一层绝缘胶带(层间绝缘) 。
2)散热不良:
IC的很大一部分热量依靠引脚导到PCB及其上的铜箔,应尽量增加铜箔的面积并上更多的焊锡
3)IC周围空气温度太高:
IC应处于空气流动畅顺的地方,应远离零件温度太高的零件。
开关电源调试问题(四)-空载、轻载不能启动
现象:
空载、轻载不能启动,Vcc反复从启动电压和关断电压来回跳动。
原因:
空载、轻载时,Vcc绕组的感应电压太低,而进入反复重启动状态。
解决办法:
增加Vcc绕组圈数,减小Vcc限流电阻,适当加上假负载。如果增加Vcc绕组圈数,减小Vcc限流电阻后,重载时Vcc变得太高,请参照稳定Vcc的办法。
开关电源调试问题(五)-启动后不能加重载
原因及解决办法:
1)Vcc在重载时过高
重载时,Vcc绕组感应电压较高,使Vcc过高并达到IC的OVP点时,将触发IC的过压?;?,引起无输出。如果电压进一步升高,超过IC的承受能力,IC将会损坏。
2)内部限流被触发
a.限流点太低
重载、容性负载时,如果限流点太低,流过MOSFET的电流被限制而不足,使得输出不足。解决办法是增大限流脚电阻,提高限流点。
b.电流上升斜率太大
上升斜率太大,电流的峰值会更大,容易触发内部限流?;?。解决办法是在不使变压器饱和的前提下提高感量。
开关电源调试问题(六)-待机输入功率大
现象:
Vcc在空载、轻载时不足。这种情况会造成空载、轻载时输入功率过高,输出纹波过大。
原因:
输入功率过高的原因是,Vcc不足时,IC进入反复启动状态,频繁的需要高压给Vcc电容充电,造成起动电路损耗。如果启动脚与高压间串有电阻,此时电阻上功耗将较大,所以启动电阻的功率等级要足够。
电源IC未进入Burst Mode或已经进入Burst Mode,但Burst 频率太高,开关次数太多,开关损耗过大。
解决办法:
调节反馈参数,使得反馈速度降低。
开关电源调试问题(七)-短路功率过大
现象:
输出短路时,输入功率太大,Vds过高。
原因:
输出短路时,重复脉冲多,同时开关管电流峰值很大,造成输入功率太大过大的开关管电流在漏感上存储过大的能量,开关管关断时引起Vds高。
输出短路时有两种可能引起开关管停止工作:
1)触发OCP这种方式可以使开关动作立即停止
a.触发反馈脚的OCP;
b.开关动作停止;
c.Vcc下降到IC关闭电压;
d.Vcc重新上升到IC启动电压,而重新启动。
2)触发内部限流
这种方式发生时,限制可占空比,依靠Vcc下降到UVLO下限而停止开关动作,而Vcc下降的时间较长,即开关动作维持较长时间,输入功率将较大。
a.触发内部限流,占空比受限;
b.Vcc下降到IC关闭电压;
c.开关动作停止;
d.Vcc重新上升到IC启动电压,而重新启动。
解决办法:
1)减少电流脉冲数,使输出短路时触发反馈脚的OCP,可以使开关动作迅速停止工作,电流脉冲数将变少。这意味着短路发生时,反馈脚的电压应该更快的上升。所以反馈脚的电容不可太大;
2)减小峰值电流。
开关电源调试问题(八)-空载,轻载输出纹波过大
现象:
Vcc在空载或轻载时不足。
原因:
Vcc不足时,在启动电压(如12V)和关断电压(如8V)之间振荡IC在周期较长的间歇工作,短时间提供能量到输出,接着停止工作较长的时间,使得电容存储的能量不足以维持输出稳定,输出电压将会下降。
解决方法:
保证任何负载条件下,Vcc能够稳定供给。
现象:
Burst Mode时,间歇工作的频率太低,此频率太低,输出电容的能量不能维持稳定。
解决办法:
在满足待机功耗要求的条件下稍微提高间歇工作的频率,增大输出电容。
开关电源调试问题(九)-重载、容性负载不能启动
现象:
轻载能够启动,启动后也能够加重载,但是重载或大容性负载情况下不能启动。
一般设计要求:
无论重载还是容性负载(如10000uF),输入电压最低还是最低,20mS内,输出电压必须上升到稳定值。
原因及解决办法(保证Vcc在正常工作范围内的前提下):
下面以容性负载C=10000uF为例进行分析,
按规格要求,必须有足够的能量使输出在20mS内上升到稳定的输出电压(如5V)。
E=0.5*C*V^2
电容C越大,需要在20mS内从输入传输到输出的能量更大。


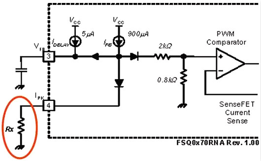
以芯片FSQ0170RNA为例如图所示,阴影部分总面积S就是所需的能量。要增加面积S,办法是:
1)增大峰值电流限流点I_limit,可允许流过更大电感电流Id:将与Pin4相接的电阻增大,从内部电流源Ifb分流更小,使作为电流限制参考电压的PWM比较器正输入端的电压将上升,即允许更大的电流通过MOSFET/变压器,可以提供更大的能量。
2)启动时,增加传递能量的时间,即延长Vfb的上升时间(到达OCP保护点前)。

对这款FSQ0170RNA芯片,电感电流控制是以Vfb为参考电压的,Vfb电压的波形与电感电流的包络成正比。控制Vfb的上升时间即可控制电感包络的上升时间,即增加传递能量的时间。
IC的OCP功能是检测Vfb达到Vsd(如6V)实现的。所以要降低Vfb斜率,就可以延长Vfb的上升时间。
输出电压未达到正常值时,如果反馈脚电压Vfb已经上升到保护点,传递能量时间不够。重载、容性负载启动时,输出电压建立较慢,加到光耦电压较低,通过光耦二极管的电流小,光耦光敏管高阻态(趋向关断)的时间较长。IC内部电流源给与反馈脚相接的电容充电较快,如果Vfb在这段时间内上升到?;さ?如6V),MOSFET将关断。输出不能达到正常值,启动失败。
解决办法:
使输出电压达到正常值时,反馈脚电压Vfb仍然小于?;さ恪J筕fb远离?;さ愣郝仙?,或延长反馈脚Vfb上升到?;さ愕氖奔?,即降低Vfb的上升斜率,使输出有足够的时间上升到正常值。
A.增大反馈电容(C9),可以将Vfb的上升斜率降低,如图所示,由D线变成A线。但是反馈电容太大会影响正常工作状态,降低反馈速度,使输出纹波变大。所以此电容不能变化太大。
B.由于A方法有不足,将一个电容(C7)串连稳压管(D6,3.3V)并联到反馈脚。此法不会影响正常工作,如B线所示,当Vfb<3.3V时,稳压管不会导通,分流。上升3.3V时,稳压管进入稳压状态,电容C7开始充电分流,减小后续Vfb的上升斜率。C。在431的K-A端并
联一个电容(C11),电源启动时,C11电压较低,并由光耦二极管和431的偏置电阻R10进行充电。这样光耦就有较大电流通过,使光耦光敏管阻抗较低而分流,Vfb将缓慢上升,如C线所示。R10×C11影响充电时间,也就影响输出的上升时间。
开关电源调试问题(十)-空载、轻载输出反跳
现象:
在输出空载或轻载时,关闭输入电压,输出(如5V)可能会出现如下图所示的电压反跳的波形。

原因:
输入关掉时,5V输出将会下降,Vcc也跟着下降,IC停止工作,但是空载或轻载时,巨大的PC电源大电容电压并不能快速下降,仍然能够给高压启动脚提供较大的电流使得IC重新启动,5V又重新输出,反跳。
解决方法:
在启动脚串入较大的限流电阻,使得大电容电压下降到仍然比较高的时候也不足以提供足够的启动电流给IC。
将启动接到整流桥前,启动不受大电容电压影响。输入电压关断时,启动脚电压能够迅速下降。
开关电源的工作条件
1、开关:电力电子器件工作在开关状态而不是线性状态。
2、高频:电力电子器件工作在高频而不是接近工频的低频。
3、直流:开关电源输出的是直流而不是交流。关电源调试问题(10大问题汇总与解决方法详解)
烜芯微专业制造二极管,三极管,MOS管,桥堆等20年,工厂直销省20%,1500家电路电器生产企业选用,专业的工程师帮您稳定好每一批产品,如果您有遇到什么需要帮助解决的,可以点击右边的工程师,或者点击销售经理给您精准的报价以及产品介绍