快恢复二极管如何应用
快恢复二极管如何应用,快恢复二极管(简称FRD )是一种具有开关特性好、反向恢复时间短特点的半导体二极管,主要应用于开关电源、PWM脉宽调制器、变频器等电子电路中,作为高频整流=二极管、续流=极管或阻尼二极管使用。下面我们就来说说快恢复二极管在电源电路中的应用。
快恢复二极管如何应用在电源电路中
(1)在基极驱动电路中应用
如果晶体管基极驱动电路的电源电压较低, 例如6V , 则基极电流上升缓慢.如果影响到晶体管集电极电流的上升率,增加了功率晶体管的开通损耗。在这种应用场合,为了避免基极电流上升缓慢,在图1所示电路中的二极管D1选用导通峰压UFP低的二极管是很有好处的。

图1 基极驱动电路中串联的二极管对晶体管开通性能的影响
(2)达林顿组合电路中的应用
如图2所示的达林顿组合电路中,加速-极管D为晶体管T2中的存贮电荷提供一条快速低阻的的泄放电路。这里对加速二 极管的一个要求是:正向恢复时间tfr要短。如果tfr时间较长,则晶体管T2基极发射极间的反向偏压过低。导致晶体管的存贮时间ts及集电极电流的下降时间f增长。关断损耗增加。

(3)双正激变换器中作去磁二极管
如图3所示,双正激变换器中,二极管D1、D2的作用是在晶体管T1、T2关断后对变压器去磁(变压器存储的磁场能量通过二极管送回到电源)。晶体管关断时, - -极管导通。二极管导通风峰压Ufp和电源电压Ua相加施加到关断的晶体管上,晶体管必须能承受这个电压。

( 4 )在续流电路中的应用
在图4所示的斩波器中,晶体管关断时,负载电流通过二极管续流。t0时 ,晶体管再次导通,集电极电流以晶体管限定的上升率增长;同时二极管电流也以同样的速率衰减, t1时等于零, t2时达到反向最大值IRM。
t1~t2期间,反向恢复电流从二极管中消除存贮电荷,到t2时,可以认为这个工作已完成,二极管已做好了关断准备。

快恢复二极管如何应用-在继电器方面的应用
如下图,在继电器两端并联一个UF4007,它的反向重复峰值电压1000V、正向浪涌电流30A。继电器线圈是可以储存能量的,一旦线圈断电,它两端就会产生很大的反向电动势,如果在线圈两端并联一个快恢复二极管,使它产生一个回路,电动势通过这个回路使线圈储存的能量泄放。

快恢复二极管如何应用-在IGBT开关管的应用
如下图是电磁炉全桥控制的LC振荡电路,Q1-Q4相互导通,在导通-关断过程中,会产生能量,这个二极管经常被称为寄生二极管或者续流二极管,IGBT作为开关用时候一般电压达到上千伏,因此肖特基二极管不适合。

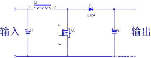
快恢复二极管如何应用-在BOOST升压等开关电源应用
1)如下图是BOOST升压电路,FR154为400V/1.5A快恢复二极管,起到防止电流倒灌作用

2)在RCD等钳位吸收回路应用,如下图D1/UF4007与R1、C2组成吸收回路。

快恢复二极管应注意事项
1)有些单管,共三个引脚,中间的为空脚,一般在出厂时剪掉,但也有不剪的。
2)若对管中有一只管子损坏,则可作为单管使用。
3)测正向导通压降时,必须使用R×1档。若用R×1k档,因测试电流太小,远低于管子的正常工作电流,故测出的VF值将明显偏低。在上面例子中,如果选择R×1k档测量,正向电阻就等于2.2kΩ,此时n′=9格。由此计算出的VF值仅0.27V,远低于正常值(0.6V)。
烜芯微专业制造二极管,三极管,MOS管,桥堆等20年,工厂直销省20%,1500家电路电器生产企业选用,专业的工程师帮您稳定好每一批产品,如果您有遇到什么需要帮助解决的,可以点击右边的工程师,或者点击销售经理给您精准的报价以及产品介绍
烜芯微专业制造二极管,三极管,MOS管,桥堆等20年,工厂直销省20%,1500家电路电器生产企业选用,专业的工程师帮您稳定好每一批产品,如果您有遇到什么需要帮助解决的,可以点击右边的工程师,或者点击销售经理给您精准的报价以及产品介绍