关于怎么选择合适的放大器是很多客户关注的问题,在应用当中我们应该要采用什么样的放大器才能满足生产的需求,达到品质的保障,先别急,我们先来了解一下什么是放大器。
放大器是能把输入讯号的电压或功率放大的装置,由电子管或晶体管、电源变压器和其他电器元件组成。用在通讯、广播、雷达、电视、自动控制等各种装置中。增加信号幅度或功率的装置,它是自动化技术工具中处理信号的重要元件。放大器的放大作用是用输入信号控制能源来实现的,放大所需功耗由能源提供。对于线性放大器,输出就是输入信号的复现和增强。对于非线性放大器,输出则与输入信号成一定函数关系。放大器按所处理信号物理量分为机械放大器、机电放大器、电子放大器、液动放大器和气动放大器等,其中用得最广泛的是电子放大器。
就某个具体的模数转换器而言,哪款放大器是最好的驱动器。不幸的是,就像生活中的很多问题一样,答案是“视情况而定”。在决定选择最佳放大器的最佳方法时,ADC 架构、分辨率、信号带宽以及其他特定的应用细节都在发挥着作用。在本文中,我们在驱动 SAR ADC 的情况下考虑一下这些问题。
SAR ADC 是模数转换器世界的主力。一般而言,这类 ADC 位于高分辨率、低速增量累加 ADC 和高速、较低分辨率的流水线 ADC 之间。凭借其无延迟特性,在下列应用中 SAR ADC 常常是比 ΔΣ ADC 和流水线型 ADC 更好的选择,即:具有多路复用信号的应用、在一个任意空闲周期之后需要实现准确首次转换的应用 (比如 ATE)、以及 ADC 位于一个要求快速反馈的环路之内的应用。
在大多数情况下,传感器的输出都不能直接连接到 SAR ADC 的输入。需要一个放大器来获取最佳 SNR 和失真性能。SAR ADC 将其输入采样至内部电容器上,并以一种逐次二进制加权序列对输入电压值与基准电压进行比较。当至采样电容器的开关开路时,由于从采样电容器至输入节点电压失配的原因,电荷被注入输入节点。在放大器和 ADC 之间布设了一个简单的单极点 RC 滤波器。除了滤除高频噪声和混叠分量,其用途还有帮助吸收这种注入的电荷。为这种滤波器选择截止频率时,必须小心。截止频率应该设定在足够低的频率上,这能有效吸收注入电荷并滤除噪声,但是频率又要足够高,以使放大器能在数据转换器的采样时间内达到稳定。因为这种滤波器单独使用不足以限制噪声,所以在放大器输入端,一般还包括一个截止频率更低的滤波器 。


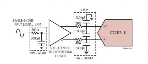
SINGLE-ENDED-INPUT SIGNAL:单端输入信号
SINGLE-ENDED-TO-DIFFERENTIAL DRIVER:单端至差分驱动器
驱动差分输入 SAR ADC
很多性能最高的 SAR ADC 都采用差分输入,以最大限度地扩大低电源电压的动态范围。图 1 所示的 LTC2379-18 就是这样一个例子,该器件以 2.5V 电源和高达 5V 的基准工作,以实现 10V 的峰值至峰值差分输入范围。如果输入信号已经是差分的,那么要缓冲信号并驱动 ADC,全部所需也许仅是 LT6203 等低噪声、快速稳定的双通道运算放大器。这些放大器配置为单位增益缓冲器,为输入信号提供高阻抗输入端。
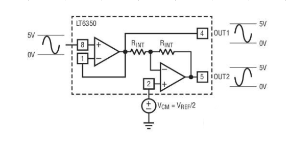
不过,在很多情况下,输入是单端的,而且必须转换为差分信号。用 LT6350 等放大器可以很容易地完成这个任务。这类放大器有两级:第一级产生一个缓冲非倒相输入信号,第二级产生倒相输出。如果输入信号已经与 ADC 的输入范围相匹配,那么这个放大器就可以如图 2a 上部所示,用来为信号提供一个高阻抗缓冲器。如果信号需要扩大并移位,以与 ADC 的输入范围相匹配,那么可以如图 2b 下部所示那样去做。在这个例子中,一个单端 ±10V 信号被转换成 0 至 5V 的差分信号 (R2 和 R3 用来给信号移位,RIN 和 R1 用来扩大信号)。在精确的模拟电路中常常忽视的事情是,增益设定和电平移位电阻器之间需要高度匹配。若采用 0.1% 准确度的分立电阻器,则具有将随着时间、温度和共模电压范围而变化的失配,其程度之甚使其很可能成为电路误差的主要根源。使用 LT5400 等精确匹配的电阻器将有助于减轻这个问题。
放大器在电源电压和输出电压之间需要空间。为了保持最佳的准确度和线性度,视放大器的不同而不同,输出一般必须在电源轨以内 0.5V 或更多。这意味着,必须给放大器提供比 ADC 输入范围宽的电源电压范围,或者 ADC 必须从放大器接受一个受限的输入范围。LTC2379-18 等 ADC 包括“数字增益压缩”功能,该功能从内部设定 ADC 的满标度与地及基准电压均相差 0.5V。这允许使用单一 5V 电源的放大器与 ADC 的满标度匹配。
、



用 LT6350 进行单端至差分转换
驱动伪差分 ADC
将单端模拟信号转换为数字信号时,另一种方法是完全跳过差分转换,并使用新的 LTC2369-18 等伪差分 ADC。代价是,由于较小的输入范围,失去了多达 6dB 的信噪比。此外,差分架构天生更易于消除偶次谐波。不过,坚持使用单端架构也有一些重要的优点。驱动电路更简单:可以简单到使用一个诸如 LT6202 等低噪声快速稳定的运算放大器。不需要第二个运算放大器和电阻器来建立倒相输入。除了使用更少的组件,该电路的功率和噪声天生较低。因为一个较低噪声的抗混叠滤波器跟随在放大器之后,可以有更高的截止频率。
这使得放大器能够更容易地在 ADC 转换时间之内实现稳定,从而令其在逐次转换有可能在整个全标度范围内发生变化的应用中成为上佳的选择,正如与具有多路复用信号的场合一样。


需要再次强调的是,必须考虑放大器的空间 —— 电源电压必须距离可对信号进行无失真驱动的放大器输出摆幅足够远。在大多数情况下,这意味着,必须为放大器提供负轨。解决这个问题的一种方法是使用 LTC6360 等产品。这种新的放大器 (图 3) 为驱动 SAR ADC 而优化,具有一个集成的超低噪声充电泵,该充电泵产生自己的内部负电压轨。在仅用单一正电源时,这允许输出一直摆动到地,甚至比地低一点儿。LTC6360 保持卓越的准确度 (250μV 失调,2.3nV/√Hz 噪声),并可以快速稳定 (16 位,150ns)。
烜芯微专业制造二极管,三极管,MOS管,桥堆等20年,工厂直销省20%,1500家电路电器生产企业选用,专业的工程师帮您稳定好每一批产品,如果您有遇到什么需要帮助解决的,可以点击右边的工程师,或者点击销售经理给您精准的报价以及产品介绍
烜芯微专业制造二极管,三极管,MOS管,桥堆等20年,工厂直销省20%,1500家电路电器生产企业选用,专业的工程师帮您稳定好每一批产品,如果您有遇到什么需要帮助解决的,可以点击右边的工程师,或者点击销售经理给您精准的报价以及产品介绍