对于这种简单的元器件,二极管的作用很广泛。你会在几乎所有电路中找到某种类型的二极管。它们可以用于从小信号数字逻辑到高压电源转换电路的任何功能。让我们来探讨一下这些应用程序。
整流器
整流器是将交流电(AC)转换为直流电(DC)的电路。这种转换对于各种家用电子产品至关重要。交流信号来自你家的墙壁插座,但DC是大多数计算机和其他微电子设备的驱动力。
交流电路中的电流实际上是交替的 - 在正向和负向运行之间快速切换 - 但是直流信号中的电流仅在一个方向上运行。因此,要从AC转换为DC,您只需要确保电流不能向负方向运行。听起来像是二极管的工作!
一个半波整流可以做出来的只是一个单一的二极管。如果通过二极管发送AC信号(例如正弦波),则截断信号的任何负分量。


半波整流输入/输出波形和电路
通过半波整流电路(中间)后输入(红/左)和输出(蓝/右)电压波形。
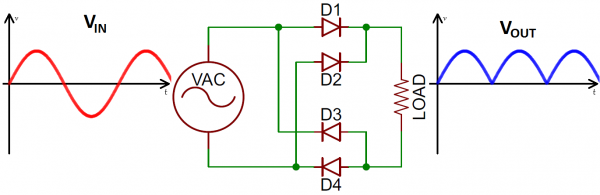
一个全波桥式整流器采用四个二极管在AC信号的负拱转化为积极的驼峰。


全波桥式整流器输入/输出波形和电路
桥式整流电路(中间)和输出波形成(蓝色/右侧)。
这些电路是交流 - 直流电源中的关键部件,可将墙上插座的120 / 240VAC信号转换为3.3V,5V,12V等直流信号。如果你拆开墙壁疣,你很可能会看到一些二极管在那里,整流器。


壁疣中的二极管
你能看到四个二极管在这个壁疣中制造一个桥式整流器吗?
反向电流保护
曾经以错误的方式贴电池?或者打开红色和黑色电源线?如果是这样,二极管可能会感谢您的电路仍然存在。与电源正极串联的二极管称为反向?;ざ?。它确保电流只能在正方向流动,电源仅向电路施加正电压。


反向电流?;さ缏?/div>
当电源连接器未极化时,此二极管应用非常有用,因此很容易弄乱并意外地将负电源连接到输入电路的正极。
反向?;ざ艿娜钡闶牵捎谡蜓菇?,它会引起一些电压损失。这使得肖特基二极管成为反向?;ざ艿木蜒≡?。
逻辑门
忘记晶体管!简单的数字逻辑门,如AND或OR,可以用二极管构建。
例如,二极管双输入“或”门可以由具有共用阴极节点的两个二极管构成。逻辑电路的输出也位于该节点。无论何时输入(或两者)都是逻辑1(高/ 5V),输出也变为逻辑1。当两个输入均为逻辑0(低电平/ 0V)时,输出通过电阻拉低。


二极管2输入或门原理图
AND门以类似的方式构造。两个二极管的阳极连接在一起,这是电路输出所在的位置。两个输入必须为逻辑1,强制电流向输出引脚运行并将其拉高。如果任一输入为低电平,则来自5V电源的电流通过二极管。


二极管2输入AND门原理图
对于两个逻辑门,只需添加一个二极管即可添加更多输入。
反激二极管和电压尖峰抑制
二极管经常用于限制意外的大电压尖峰造成的潜在损坏。瞬态电压抑制(TVS)二极管是特种二极管,类似齐纳二极管 - 低击穿电压(通常约为20V) - 但具有非常大的额定功率(通常在千瓦范围内)。它们设计用于在电压超过其击穿电压时分流电流并吸收能量。
反激式二极管在抑制电压尖峰方面起着类似的作用,特别是那些由电感元件引起的电压尖峰,如电机。当通过电感器的电流突然改变时,产生电压尖峰,可能是非常大的负尖峰。放置在感性负载两端的反激式二极管将为负电压信号提供一条安全的放电路径,实际上是通过电感和二极管反复循环,直到它最终消失。


反激二极管电路
对于这款令人惊叹的小半导体元件,这只是少数应用。
烜芯微专业制造二极管,三极管,MOS管,桥堆等20年,工厂直销省20%,1500家电路电器生产企业选用,专业的工程师帮您稳定好每一批产品,如果您有遇到什么需要帮助解决的,可以点击右边的工程师,或者点击销售经理给您精准的报价以及产品介绍
烜芯微专业制造二极管,三极管,MOS管,桥堆等20年,工厂直销省20%,1500家电路电器生产企业选用,专业的工程师帮您稳定好每一批产品,如果您有遇到什么需要帮助解决的,可以点击右边的工程师,或者点击销售经理给您精准的报价以及产品介绍
相关阅读