光耦的引脚区分
关于光耦的引脚区分问题,简单的说,不在路用指针表X10测量,单向导通的一侧是发射二极管,红表笔接的是发射二极管的负极,黑表笔接的是正极,这是光耦的控制端,也可以说是输入端;确定了一侧的两个脚后,余下的两个脚便是接收管的引脚。
而且一般情况下,在光耦的封装表面,有点的是1脚,就是发射端的正极,同侧为发射端负极,有点脚的另侧为接收端的C极,还有一个为E极,常见的817系列是这样,多脚位可参考规格书。
大家可以记住这样的方法,四脚光耦封装外壳上标示的型号朝上为正面,在光电耦合器的针脚旁边,有一个针脚是带小圆点的,那个针脚就是1脚,我们再逆时针数,1 2 3 4,这样就分辨出来了。


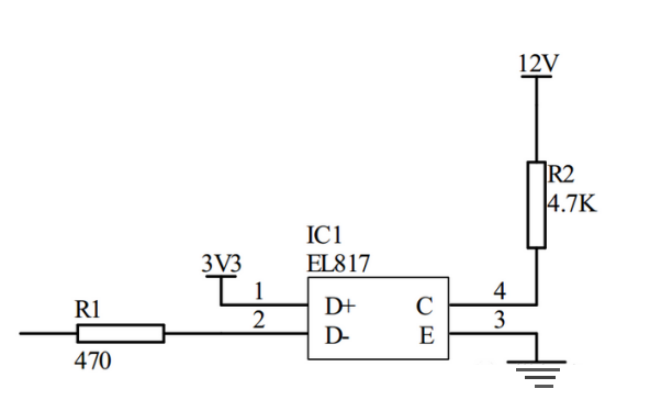
这是型号为EL817的电路原理图,是最基本的也是最常用的光耦的原理图,光耦内部由发光二极管和光电三极管构成,当发光二极管发光时,如果光强达到要求,光电三极管就会导通。


我们看光耦引脚的名称,1脚就是发光二极管的阳极,2脚就是发光二极管的阴极,3脚是三极管的发射极,4脚是三极管的集电极。
发光二极管电阻的选择
二极管正确点亮需要满足两个条件。第一,工作电流达到正常点亮的额定电流。第二,发光二极管的工作电流不能导致二极管烧坏。
我们在计算与放光二极管串联的限流电阻时应该首先了解发光二极管的正向压降和正常发光的额定电流,在普通二极管中正向压降通常在0.6V或者0.7V但是对于发光二极管来说他的正向导通压降是随着其颜色等条件而改变的具体的值将大于普通二极管。
对于普通的普通得发光二极管正向压降为:红色1.6V,黄为1.4V左右,蓝白为2.5V。工作电流在5-10mA左右。


限流电阻的计算方法:
在led灯串联的情况下,限流电阻的计算公式为:R(Ω)=(U-n*(led灯的正偏压降))/10mA
在led灯并联的情况下,限流电阻的计算公式为:R(Ω)=(U-led灯的正偏压降)/(10mA*n)
根据以上两个公式大家就可以非常的方便的选择发光二极管的正确的限流电阻了,其中两个公式中的n都是代表LED灯的个数。
其中,If是发光二极管的允许最大正向电流,值是80mA。这是需要考虑的第一个条件。


再看第二张图,Vf是二极管上的电压,图中给出,当If是20mA的时候,Vf的值最大是1.4V。这是需要考虑的第二个条件。
我们需要考虑的第三个条件就是,你使用3.3V的电压驱动?还是用5V的电压驱动?
如果你用的是3.3V电压驱动的话,最小的限流电阻就是(3.3V-1.4V)/0.08A=23.75欧姆.....
如果你用的是5V电压驱动的话,最小的限流电阻就是(5V-1.4V)/0.08A=45欧姆.....
小于这个电阻值,光耦就死翘翘了.....
所以我们这里的电阻选择,就要大于计算出的这些结果。这里,可以选择330欧姆,470欧姆,510欧姆,1K,都可以使得发光二极管发亮后驱动里面的三极管导通。但是,电阻值如果选的太大的话,会造成发光二极管不亮。
三极管电阻的选择
在第一张图中,我们找到OUTPUT中的Ic,这个就是三极管允许通过的最大电流,是50mA,我们在做电路的时候,就需要注意一下。
例如,当三极管的负载电压是12V时,因为三极管当开关用,Vce会很小,所以这里我们忽略不计,那么R=12V/0.05A=240欧姆.....
意思就是,只要电阻大于240欧姆,就可以了。
这里我一般选择1K,2K,4.7K,10K的电阻。
下面是基本的电路图:

烜芯微专业制造二极管,三极管,MOS管,桥堆等20年,工厂直销省20%,1500家电路电器生产企业选用,专业的工程师帮您稳定好每一批产品,如果您有遇到什么需要帮助解决的,可以点击右边的工程师,或者点击销售经理给您精准的报价以及产品介绍