
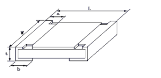
贴片电阻常见封装有10种,用两种尺寸代码来表示。一种尺寸代码是由4位数字表示的EIA(美国电子工业协会)代码,前两位与后两位分别表示电阻的长与宽,以英寸为单位。我们常说的0603封装就是指英制代码。另一种是米制代码,也由4位数字表示,其单位为毫米。下表列出贴片电阻封装英制和公制的关系及详细的尺寸:




贴片电容和贴片电阻都是一样可以用的,0805,1206等
贴片电阻功率及封装尺寸
0805封装尺寸/0402封装尺寸/0603封装尺寸/1206封装尺寸
封装尺寸与功率关系:
0201 1/20W
0402 1/16W
0603 1/10W
0805 1/8W
1206 1/4W
封装尺寸与封装的对应关系
0402=1.0mmx0.5mm
0603=1.6mmx0.8mm
0805=2.0mmx1.2mm
1206=3.2mmx1.6mm
1210=3.2mmx2.5mm
1812=4.5mmx3.2mm
2225=5.6mmx6.5mm
贴片电阻的功率是指通过电流时由于焦耳热电阻产生的功率。可根据焦耳定律算出:P=I2 R。
额定功率 : 是指在某个温度下最大允许使用的功率,通常指环境温度为70°C时的额定功率。
额定电压:可以根据以下公式求出额定电压。
额定电压(V)=√
额定功率(W)&TImes; 标称阻值(Ω)
最高工作电压 :允许加载在贴片电阻两端的最高电压。
贴片电阻的封装与功率、电压关系如下表:


注意事项 :
设计和使用贴片电阻时,最大功率不能超过其额定功率,否则会降低其可靠性。
一般按额定功率的70%降额设计使用。
也不能超过其最大工作电压,否则有击穿的危险。
一般按最高工作电压的75%降额设计使用。
当环境温度超过70°C,必须按照降额曲线图(图1,图2)降额使用。


国内贴片电阻的命名方法
1、5%精度的命名:RS-05K102JT
2、1%精度的命名:RS-05K1002FT
R -表示电阻
S -表示功率0402是1/16W、0603是1/10W、0805是1/8W、1206是1/4W、 1210是1/3W、1812是1/2W、2010是3/4W、2512是1W。
05 -表示尺寸(英寸):02表示0402、03表示0603、05表示0805、06表示1206、1210表示1210、1812表示1812、10表示1210、12表示2512。
K -表示温度系数为100PPM,
102-5%精度阻值表示法:前两位表示有效数字,第三位表示有多少个零,基本单位是Ω,102=10000Ω=1KΩ。1002是1%阻值表示法:前三位表示有效数字,第四位表示有多少个零,基本单位是Ω,1002=100000Ω=10KΩ。
J -表示精度为5%、F-表示精度为1%。
T -表示编带包装
1、贴片电阻的阻值表示与贴片电容容值表示都是数字与“R”组合表示的。譬如:3ohm用3R0表示,10ohm用100表示,100ohm用101表示,也就是说“R”表示点“。”的意思,而101后面个位数的“1”表示的是带有1个0,例如102表示10000。
2、电阻上的数字和字母表示的就是阻值,R002就表示0.002ohm,180表示的就是18ohm.
3、怎样区分贴片的电阻与电容,由于电阻上面有白色的字体表示,所以除端角外背景颜色应该是黑色的,而电容上就没有字体表示,也不会有黑色的颜色,因为有黑色的话容易让人产生误会电容被氧化。
读出四块数据,乘给出数据,相加
贴片电阻的命名
贴片电阻阻值误差精度有±1%、±2%、±5%、±10%精度,常规用的最多的是±1%和±5%
±5%精度的常规是用三位数来表示例例512,前面两位是有效数字,第三位数2表示有多少个零,基本单位是Ω,这样就是5100欧,1000Ω=1KΩ,1000000Ω=1MΩ
为了区分±5%,±1%的电阻,于是±1%的电阻常规多数用4位数来表示,
这样前三位是表示有效数字,第四位表示有多少个零4531也就是4530Ω,也就等于4.53KΩ

烜芯微专业制造二极管,三极管,MOS管,桥堆等20年,工厂直销省20%,1500家电路电器生产企业选用,专业的工程师帮您稳定好每一批产品,如果您有遇到什么需要帮助解决的,可以点击右边的工程师,或者点击销售经理给您精准的报价以及产品介绍

烜芯微专业制造二极管,三极管,MOS管,桥堆等20年,工厂直销省20%,1500家电路电器生产企业选用,专业的工程师帮您稳定好每一批产品,如果您有遇到什么需要帮助解决的,可以点击右边的工程师,或者点击销售经理给您精准的报价以及产品介绍