由于贴片电阻因其体积太小,有时候,肉眼无法清楚辨识其阻值大小或其他原因,这的确成为了电子工程师们恼人的小问题。为解决该问题,本文专门整理了为解决该方面问题的一些方法。
如果能清晰看出贴片电阻体上的数字标识,判断电阻值和功率值当然不存在问题。如果损坏电阻本身无标注,或已烧毁得面目全非,看不清标注,那么代换前的电阻值判断就要费一点周折了,而且也必须做到心中有数,才能做出下一步的修复。有哪些方法可以作出较为准确的判断呢?


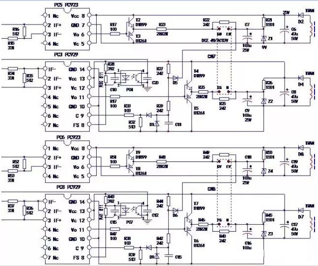
参考如上图电路中相对应元件的电阻值。变频器电路中的相同电路很多,如6路IGBT驱动脉冲传输通道,其中6个支路是完全一样的,从MCU脉冲信号输出引脚,至缓冲电路、至驱动IC,至IGBT的栅、射极电路。任何其中1路或数个支路中的电阻或其它元件损坏,可能参考未损坏支路中贴片元件的参数值,如无标识,可在电路板上测量确定或将元件焊脱电路板进行测定。3相输出电流(模拟信号)的传输通道,3个信号检测电路也是一般也是完全相同的,一路有损坏时,可能未损坏两路中的元件参数,确定损坏元件的参数值。
如图所示,PC5与PC6两路驱动IC的外围电路的元件参数完全相同;PC3与PC8两路驱动IC的外围元件参数完全相同,R17=R51、R23=R48、R22=R49……,当PC3外围有元件损坏坏,可以“照搬”PC5相对应外围元件的参数值进行修复。
烜芯微专业制造二极管,三极管,MOS管,桥堆等20年,工厂直销省20%,1500家电路电器生产企业选用,专业的工程师帮您稳定好每一批产品,如果您有遇到什么需要帮助解决的,可以点击右边的工程师,或者点击销售经理给您精准的报价以及产品介绍
烜芯微专业制造二极管,三极管,MOS管,桥堆等20年,工厂直销省20%,1500家电路电器生产企业选用,专业的工程师帮您稳定好每一批产品,如果您有遇到什么需要帮助解决的,可以点击右边的工程师,或者点击销售经理给您精准的报价以及产品介绍