肖特基二极管结构
肖特基二极管(Schottky Barrier Diode)是一种利用金属-半导体结原理制作的特殊二极管,简称SBD。由于具有正向导通电压低和快速开关等特点,肖特基二极管适合高频应用。

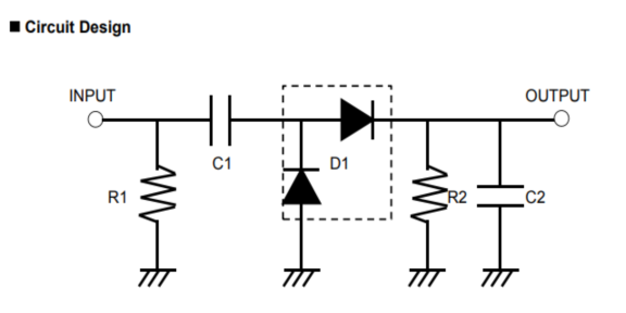
肖特基二极管的电路检测应用
在无线RF应用中,为了调节接受到的功率级,并把目标功率发射到放大器,必须首先检测接收到的功率,并通过一个增益控制电路(AGC)反馈检测到的电压。这样的检测电路就需要使用肖特基二极管。


肖特基二极管电路检测该电路BOM只有5个元器件,包括两个1000pF电容器,一个封装尺寸为1005,另一个为1608;两个电阻器阻值分别为100欧姆、470k欧姆,封装尺寸均为1608。PCB采用FR-4,尺寸为25 x 10mm,肖特基二极管采用安森美公司的NSVR351SDSA3,封装规格SC-59。
烜芯微专业制造二极管,三极管,MOS管,桥堆等20年,工厂直销省20%,1500家电路电器生产企业选用,专业的工程师帮您稳定好每一批产品,如果您有遇到什么需要帮助解决的,可以点击右边的工程师,或者点击销售经理给您精准的报价以及产品介绍
烜芯微专业制造二极管,三极管,MOS管,桥堆等20年,工厂直销省20%,1500家电路电器生产企业选用,专业的工程师帮您稳定好每一批产品,如果您有遇到什么需要帮助解决的,可以点击右边的工程师,或者点击销售经理给您精准的报价以及产品介绍