发光二极管是什么
发光二极管可能对于一些人来说是比较陌生的,但是它广泛的应用在我们生活电子中,比如最常见的红绿灯、led屏幕、电路仪器指示灯、或者一些组成文字或数字等。发光二极管简称为LED,由含镓(Ga)、砷(As)、磷(P)、氮(N)等的化合物制成,当它们的电子和空穴复合时,将放出光子,并能发出可见光,这样的二极管就是发光二极管,用符号VD表示。发光二极管在正向电压作用下发光,反向电压作用时截止,工作电流一般在几毫安到十几毫安之间,所以使用时应串联限流电阻。


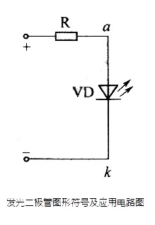
发光二极管图形符号及应用电路图
发光二极管发光工作原理
对于不同的半导体制造合成材料,发光二极管会发出红、黄、蓝、绿等不同的可见光色。发光二极管作为半导体二极管的一种,是能够蒋电能转为为光能,和普通的发光二极管一样,发光二极管也是有PN结组成。具有单向导电性,当发光二极管正向电压上升后,从P区注入到N去的空穴和由N区注入到P区的电子会在PN结附近数微米内分别与N区的电子和P区的空穴相结合,产生自发辐射的荧光。
发光二极管的参数 | |||||||
型号 | 发光颜色 | 发光波长(nm) | 正向工作电流(mA) | 正向工作电压(V) | 反向电压(mA) | 极限工作电流(mA) | 发射功率(MW) |
BT201 | 红 | 655 | 20 | ≤2.0 | ≥5 | 70 | — |
BT301 | 绿 | 555 | 30 | 1.1~1.3 | ≥5 | 60 | — |
HG411 | 红外 | — | 30 | ≤1.5 | ≥5 | — | 1~1.5 |
HG521 | 红外 | 930 | ≤2.0 | — | 3A | 100~150 |
发光二极管电路图符号
发光二极管管体有大小两个点状固态符号,点状较大的为正极(阳极),点状小的为负极(阴极),也有管脚长短不一的发光二极管,这种的很好辨认“长正短负”。


发光二极管电路符号详解
发光二极管作为在日常电子中几乎必存的电子元器件,它能够发出红、绿、蓝、黄等光能颜色,用眼睛观察发光二极管,可以直接辨认正负极,管柱可看到管内一大一小两个电极标识,正常的情况下,大正小负;管脚型发光二极管判断正负极为长正短负。以前的发光二极管是可以通过本身的颜色判断该二极管光能颜色,技术的进步,现在的透明发光二极管暂时没办法从本身判断,只能通电后显示才知道该二极管的颜色。

烜芯微专业制造二极管,三极管,MOS管,桥堆等20年,工厂直销省20%,1500家电路电器生产企业选用,专业的工程师帮您稳定好每一批产品,如果您有遇到什么需要帮助解决的,可以点击右边的工程师,或者点击销售经理给您精准的报价以及产品介绍