MOS管最显著的特性是开关特性好,所以被广泛应用于需要电子开关的电路中,常见的如开关电源和马达驱动电路,也有照明调光。
现在的MOS驱动,有几个特别的需求:
1. 低压应用
当使用5V电源,由于三极管的be只有0.7V左右的压降,导致实际最终加载gate上的电压只有4.3V,这时候,我们选用标称gate电压4.5V的MOS管就存在一定的风险。同样的问题也发生在使用3V或者其他低压电源的场合。
2. 宽电压应用
输入电压并不是一个固定值,它会随着时间或者其他因素而变动。这个变动导致PWM电路提供给MOS管的驱动电压是不稳定的。
为了让MOS管在高gate电压下安全,很多MOS管厂家内置稳压管强行限制gate电压的幅值。在这种情况下,当提供的驱动电压超过稳压管的电压,就会引起较大的静态功耗。
同时,如果简单的用电阻分压的原理降低gate电压,就会出现输入电压比较高的时候,MOS管工作良好,而输入电压降低的时候gate电压不足,引起导通不够彻底,从而增加功耗。
3. 双电压应用
在一些控制电路中,逻辑部分使用典型的5V或3.3V数字电压,而功率部分使用12V甚至更高的电压。两个电压采用共地方式连接。
这就提出一个要求,需要使用一个电路,让低压侧能够有效的控制高压侧的MOS管,同时高压侧的MOS管也同样会面对1和2提到的问题。


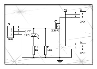
电路提供了如下的特性:
1,用低端电压和PWM驱动高端MOS管。
2,用小幅度的PWM信号驱动高gate电压需求的MOS管。
3,gate电压的峰值限制
4,输入和输出的电流限制
5,通过使用合适的电阻,可以达到很低的功耗。
6,PWM信号反相。NMOS并不需要这个特性,可以通过前置一个反相器来解决。


烜芯微专业制造二极管,三极管,MOS管,桥堆等20年,工厂直销省20%,1500家电路电器生产企业选用,专业的工程师帮您稳定好每一批产品,如果您有遇到什么需要帮助解决的,可以点击右边的工程师,或者点击销售经理给您精准的报价以及产品介绍