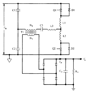
谐振型半桥电路 ( 图 6.10 ) 和全桥电路 ( 图 6.11 ) 是最有用的 SCR 电路。半桥电路仅用 两个额定有效值为 SOOY 、45A 的 SCR ( Marconi ACR25U08LG ),就能够从经过整流的220V交流电网上获取高达4kW的交流或直流输出功率。若器件额定电压为1200V,则用全桥电路能够输出8kW的功率。全桥电路的工作原理与半桥谐振电路类似,当然若输出相同功率,全桥电路中SCR接受的电压应力将是半桥的两倍,电流应力则为其一半。下面将细致引见半桥电路。半桥电路可工作于串联负载状态 ,如图 6.10 所示,次级负载经过变压器 Tl 折算到初级 与谐振电路发作串联谐振(Ql导通时,Cl与L3和L1发作串联谐振:Q2导通时,Cl与L3和L2发作串联谐振) 。在串联负载电路中 ,次级负载折算到初级的阻抗不能太高 ,否则谐振 电路的 Q 值太低 ,当谐振电流反向时 ,原先导通的 SCR 就会无法牢靠关断 。电路无需输出 电感,因而在输出高压或低压的场所都适用。正常工作时,由于负载和LC串联,与LC元件相比阻抗很小,所以该电路能够平安地接受输出端短路。但是该电路MOS管驱动输出端不能开路 ,这 将在下面停止阐述 。


图 6.10 串联负载 SCR 谐振半桥电路 。场效应管 厂家Ql 和 Q2 轮番导通半个周期 。当 Ql 导通时,电容 C3 与 L3 及 Ll 发作谐振 :当 Q2 导通时,C3 与口及 L2 发作谐振 。只需触发其中一个 SCR ,就会流过 正强半被电流,然后电流过零反向 ,以正去半波规律流经其反并联二极管 。假如二极管电流的持 续时间大于 SCR 的乌值,SCR 就能自动关断


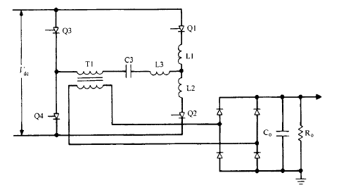
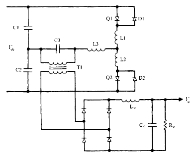
图 6.11 SCR 谐振全桥电路 。它的输出功率能到达半桥电路输出功率的两倍半桥电路也能够工作在并联负载状态 ,如图 6.12 所示,输出负载经过 Tl 折算到初级 , 调和振电容 C3 并联。输出负载折算到 Tl 初级的阻抗不能太小 ,否则会形成谐振电路的 Q 值太低而无法牢靠关断 SCR 的状况。因而,该电路输出端能够开路 ,但不能短路。串联负载电路可作为驱动Tl初级的电流源停止剖析,而并联负载电路可作为驱动Tl初级的电压源停止剖析。当请求输出直流时,并联负载电路需求次级输出电感 ,但对碳化硅二极管输出电压 纹波请求不高时也能够省略 。因而,关于 DC/DC 变换器,串联负载电路是一个更好的选择 。


开关电源、设计
图 6.12 并联负载 SCR 谐振半桥电路 。其输出功率由谐振电容两端取得 。次级负载折算到初级 的阻抗必需足够大,以免降低谐振电路的 Q 值,由于 Q 值过低时 SCR 无法正常关断
烜芯微专业制造二极管,三极管,MOS管,桥堆20年,工厂直销省20%,1500家电路电器生产企业选用,专业的工程师帮您稳定好每一批产品,如果您有遇到什么需要帮助解决的,可以点击右边的工程师,或者点击销售经理给您精准的报价以及产品介绍
烜芯微专业制造二极管,三极管,MOS管,桥堆20年,工厂直销省20%,1500家电路电器生产企业选用,专业的工程师帮您稳定好每一批产品,如果您有遇到什么需要帮助解决的,可以点击右边的工程师,或者点击销售经理给您精准的报价以及产品介绍