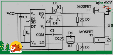
如图二所示,典型应用电路是由驱动2个N沟道MOSFET管或IGBT组成的半桥驱动电路。固定的栅极参考输出通道(L0)用于下端连接的功率场效应管T2,浮动的栅极输出通道(HO)用于上端连接的功率场效应管T1。以驱动N沟道MOSFET管为例来介绍。功率MOS—FET是电压型驱动器件,没有少数载流子的存储效应,输入阻抗高,因而开关速度可以很高,驱动功率小,电路简单。但功率MOSFET的极间电容较大,其等效电路图一所示。




图二
输入电容Ciss、输出电容Coss和反馈电容Crss与极间电容的关系可表示为:
IR21844不能产生负偏压,如果用于驱动桥式电路,由于极间电容的存在,在开通和关断时刻,栅漏极间的电容CGD有充放电电流,容易在栅极上产生干扰。针对这一不足,可以在栅极限流电阻(R1和R2)上分别反并联一个二极管(D3和D4)来解决,该二极管可以加快极间电容上的电荷的放电速度。
功率器件的栅源极的驱动电压一般为CM()S电平(5~20 V),因此要在栅极增加?;さ缏?。电路中稳压二极管D5、D6限制了所加栅极电压,电阻R1、R2进行分压,同时也降低了栅极电压。功率器件T1、T2在开关过程中会产生浪涌电压,这些浪涌电压会损坏元件,所以电路中采用稳压二极管D5、D6钳位浪涌电压。
烜芯微专业制造二极管,三极管,MOS管,桥堆20年,工厂直销省20%,1500家电路电器生产企业选用,专业的工程师帮您稳定好每一批产品,如果您有遇到什么需要帮助解决的,可以点击右边的工程师,或者点击销售经理给您精准的报价以及产品介绍
烜芯微专业制造二极管,三极管,MOS管,桥堆20年,工厂直销省20%,1500家电路电器生产企业选用,专业的工程师帮您稳定好每一批产品,如果您有遇到什么需要帮助解决的,可以点击右边的工程师,或者点击销售经理给您精准的报价以及产品介绍