了解mos管(场效应管)工作原理前,首先要知道什么是mos管?这里先做一个简单的介绍,更详细的介绍请点击《什么是mos管详细介绍》

1、什么是mos管
场效应晶体管(Field Effect Transistor缩写(FET))简称场效应管(又叫mos管)。主要有两种类型(junction FET-JFET)和金属-氧化物半导体场效应管(metal-oxide semiconductor FET,简称MOS-FET)。由多数载流子参与导电,也称为单极型晶体管。它属于电压控制型半导体器件。具有输入电阻高(107~1015Ω)、噪声小、功耗低、动态范围大、易于集成、没有二次击穿现象、安全工作区域宽等优点,现已成为双极型晶体管和功率晶体管的强大竞争者。
2、mos管G、S、D符号说明
G--------gate 栅极
S--------source 源极
D--------drain 漏极
3、mos管工作原理
了解工作原理前先了解一下两种工作模式的mos管:
N沟道的电源一般接在D,输出S,
P沟道的电源一般接在S,输出D。
增强耗尽接法基本一样。
P是指P沟道,
N是指N沟道。


4、两句话读懂mos管工作原理:N沟道MOS的特性,Vgs大于一定的值就会导通,适合用于S(源极)接地时的情况,只要G(栅极)电压达到一定电压(如8~40V)更详细的驱动电压点击《MOS管参数表》。P沟道MOS的特性,Vgs小于一定的值就会导通,适合用于S(源极)接VCC时的情况。虽然P沟道MOS可以很方便地用作电路驱动,但由于导通电阻大,价格贵,替换种类少等原因,在电路驱动中,通?;故鞘褂肗沟道MOS。


5、mos管主要应用
mos管最显著的特性就是开关特性好,所以被广泛应用在需要电子开关的电路中,常见的如开关电源、马达驱动、照明调光等输入高阻抗电子电路。
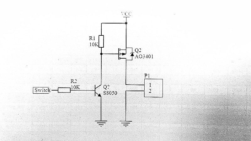
6、mos管基本应用电路


了解完mos管工作原理,设计好电路图纸,下一步就是mos管选型,选型前必须深入了解mos管更详细的参数,请点击《mos管详细参数说明》,了解完参数,型号选择请参考《mos管封装参数表》更可以直接下载对应型号的PDF规格书技术文档。
烜芯微专业制造二极管,三极管,MOS管,桥堆20年,工厂直销省20%,1500家电路电器生产企业选用,专业的工程师帮您稳定好每一批产品,如果您有遇到什么需要帮助解决的,可以点击右边的工程师,或者点击销售经理给您精准的报价以及产品介绍
烜芯微专业制造二极管,三极管,MOS管,桥堆20年,工厂直销省20%,1500家电路电器生产企业选用,专业的工程师帮您稳定好每一批产品,如果您有遇到什么需要帮助解决的,可以点击右边的工程师,或者点击销售经理给您精准的报价以及产品介绍