什么是MOS管GS波形振荡
对电源工程师来说,我们必须能会看波形,看输入波形,MOS开关波形,电流波形,输出二极管波形,芯片波形,MOS管的GS波形等,现在我们看看GS波形,说说MOS管GS波形振荡要怎么消除?
在测试MOS管GS波形的时候,某些情况下会看到下图这种波形,在芯片端是很好的方波状态输出,但是到了MOS管的G极就出了问题,有振荡现象,当这个振荡小的时候还能过关,但是波动过大的时候就要有重启的心理准备了。


什么是MOS管GS波形振荡?

MOS管GS波形是怎么产生的?要怎么消除?
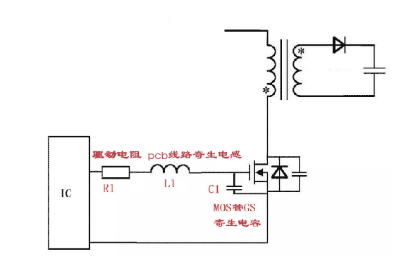
当IC出来的波形正常,但到了C1两端的波形就有振荡时,那么实际就是R1,L1和C1三个元器件的串联振荡所引起的,R1为驱动电阻,是为外加,L1是PCB上走线的寄生电感,C1则是MOS管GS的寄生电容。
对于RLC的串联谐振电路,其中L1和C1功耗不消耗,电阻R1起到阻值振荡和阻尼的作用。
MOS管GS波形振荡的产生
电阻的阻值就可以决定C1两端会不会振荡。
1、R1>2(L1/C1)∧0.5时,S1/S2是不相等的实数根,过阻尼情况,基本不会发生振荡。
2、R1=2(L1/C1)∧0.5时,S1/S2为两个相等的实数根,临界情况,有振荡也比较微弱。
3、R1<2(L1/C1)∧0.5时,S1/S2为共轭复数根,欠阻尼情况,电路一定会发生振荡。
MOS管GS波形振荡解决方案
1、增大电阻R1≥2(L1/C1)∧0.5来消除振荡,对于增大R1会降低电源效率的。我们一般选择接近临界的阻值。
2、减小PCB走线寄生电感,这个就是说在布局布线中一定要注意。
3、增大C1,对于这个,我们往往是不太好改变的,C1的增大会使开通的时间大大加长,我们一般不去改变他。
注意:最主要的还是在布局布线的时候,特别注意走线的长度,整个驱动回路的长度越短越好,另外可以适当加大R1。
烜芯微专业制造二极管,三极管,MOS管,桥堆20年,工厂直销省20%,1500家电路电器生产企业选用,专业的工程师帮您稳定好每一批产品,如果您有遇到什么需要帮助解决的,可以点击右边的工程师,或者点击销售经理给您精准的报价以及产品介绍
烜芯微专业制造二极管,三极管,MOS管,桥堆20年,工厂直销省20%,1500家电路电器生产企业选用,专业的工程师帮您稳定好每一批产品,如果您有遇到什么需要帮助解决的,可以点击右边的工程师,或者点击销售经理给您精准的报价以及产品介绍