最新数据显示,新型TO-247-4L封装能够解决超级结MOS管中的源级连接电感对开关速度的不利影响。
根据工作原理,超级结MOS管也被称为载流子补偿MOS管,能把MOS管的耐压提高到900V,这是因为超级结提供更低的RDS(on),能在任意给定频率下保持更高的效率,用于改善导通电阻<RDS(on)>与击穿电压之间的矛盾。
但是实际上,当MOS管的开关速度到达一定限度时,器件封装中的源级连接电感开始拖后腿,并严重影响器件的开关速度。以下是以东芝公司的仿真分析为例,介绍TO-247-4L封装的特点。

4引脚TO-247-4L封装MOS管原理图
TO-247-4L封装的SPICE仿真
烜芯采用相同的MOS管器件模型,对比分析了4引脚TO-247-4L封装和3引脚TO-247封装。
首先,将源极引线分成两部分,再将这两部分分别连接至漏极和栅极。实验发现,MOS管导通后,3引脚TO-247封装器件的栅极电压下降,降低了导通速度。在4引脚封装中,通过MOS管的VGS电压几乎等于VDRV。
这个数据说明,与3引脚封装的MOS管相比,采用4引脚封装更有助于提高MOS管的开关速度。
该仿真还提示我们,使用TO-247-4L封装有助于降低MOS管的导通损耗。结果证实,4引脚封装MOS管比3引脚封装MOS管的开关速度更快,导通损耗因提高开关速度降低了19%。
几种典型超级结MOS管
市场上,超级结MOS管有ROHM高压(600V~)功率MOS管产品、烜芯N沟道平面MOS管(700V~)系列等。

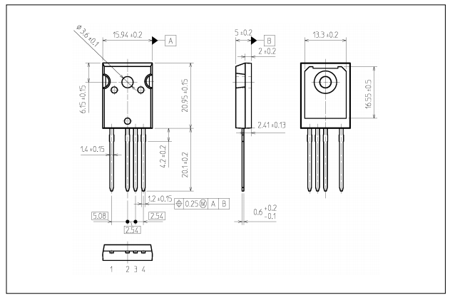
超级结MOS管采用的4引脚TO-247-4L封装
ROHM PrestoMOS 600V耐压超级结MOS管内置了快速二极管,在保持极快反向恢复时间(trr)的同时,提高设计灵活度,有助于电机和逆变器等节能,非常适用于空调、冰箱等白色家电的电机驱动以及EV充电桩。
烜芯的超级结MOS管采用4引脚TO-247-4L封装,具有高速度、高性能、低损耗、低导通电阻、小封装等,耐压达500V~800V,导通损耗降低19%,可以抑制栅极振荡。
多家MOS管厂商产品及数据分析证明,超级结MOS管采用TO-247-4L封装,能够降低导通电阻,并提高MOS管的开关速度。
烜芯微专业制造二极管,三极管,MOS管,桥堆20年,工厂直销省20%,1500家电路电器生产企业选用,专业的工程师帮您稳定好每一批产品,如果您有遇到什么需要帮助解决的,可以点击右边的工程师,或者点击销售经理给您精准的报价以及产品介绍
烜芯微专业制造二极管,三极管,MOS管,桥堆20年,工厂直销省20%,1500家电路电器生产企业选用,专业的工程师帮您稳定好每一批产品,如果您有遇到什么需要帮助解决的,可以点击右边的工程师,或者点击销售经理给您精准的报价以及产品介绍