功率MOS管即功率MOSFET,具有热漂移小,驱动电路简单,驱动功率小,开关速度快,工作频率高等优点。凭借出色的热稳定性,将多个功率MOSFET并联的方法可行而简单,这对提高输出电流非常有意义。
事实上,MOSFET工作于高频率开关状态,任何电气特性差异和电路杂散电感均可导致瞬时电压峰值,以及并联MOSFET之间的电流分配不平衡。这是非常有害的,因为电流不平衡可能导致功率损耗过大并损坏器件。

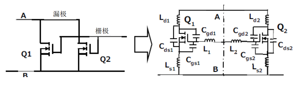
并联MOSFET(左)及寄生振荡状态的等效电路(右)
并联连接时,最重要的是避免电流集中(包括在开关转换期间),并确保在所有可能的负载条件下,流向所有MOSFET的电流保持平衡且均匀。应特别注意以下方面:
(1) 因器件特性不匹配(并联运行)导致的电流不平衡。
(2) 寄生振荡(并联运行)。
1. 器件不匹配导致的电流不平衡
(1) 稳态运行中的电流不平衡
在非开关期间,按照与并联MOSFET的导通电阻成反比的方式为其分配电流。导通电阻最低的MOSFET将承载最高的电流。导通电阻的正温度系数通常会为电流不平衡提供补偿,使通过各个 MOSFET的电流相等。
因此,认为并联MOSFET在稳态情况下很少出现热击穿。MOSFET体二极管中压降的温度系数非正值。因此,并联MOSFET在其体二极管处于导通时,可能使稳态电流的分配出现大幅不平衡现象。但事实上,MOSFET的体二极管在通过电流时,MOSFET的温度升高。所以,当其导通电阻增大时,其流过的电流就会减小。因此,稳态电流中的不平衡很少会造成问题。
(2)开关转换期间的电流不平衡
一般来说,开通和关断开关转换期间会出现电流不平衡现象。这是由于并联功率MOSFET之间的开关时间差异所致??厥奔涞牟钜旌艽蟪潭壬先【鲇谡ぴ淬兄档缪筕th的值。即Vth值越小,开通时间越快;Vth值越大,关断时间越快。因此,当电流集中在Vth较小的MOSFET中时,开通和关断期间都会发生电流不平衡现象。这种电流不平衡会对器件施加过高的负载,并引发故障。并联连接时,为了减少瞬态开关期间的开关时间差异,最好使用Vth接近的功率MOSFET。对于跨导gm较高的MOSFET,开关时间也会更快。
此外,如果并联MOSFET在其互连线路中的杂散电感不同,电路接线布局也是开关转换期间引发电流不平衡的一个原因。尤其是源极电感会影响栅极驱动电压。最好使并联MOSFET之间的互连线路长度相等。
2. 并联运行的寄生振荡
(1)因漏源电压振荡导致的栅极电压振荡
开关期间MOSFET的漏极端子和源极端子中会发生浪涌电压VSurge,主要是因为关断期间的di/dt和漏极端子及引线中的杂散电感(Ld)。如果VSurge导致的振荡电压通过MOSFET漏栅电容Cgd传输到栅极,就会与栅极线路的杂散电感L形成谐振电路。
高电流、高速MOSFET的内部栅极电阻极小。在无外部栅极电阻器的情况下,该谐振电路的品质因数会很大。如果发生谐振,谐振电路会在MOSFET的栅极端子和源极端子中产生很大的振荡电压,导致发生寄生振荡。
除非并联MOSFET的瞬态开关电流在关断期间平衡良好,否则电流会不均匀地分配到之后关断的MOSFET。该电流在漏极端子和源极端子中产生很大的电压浪涌(振荡),而电压浪涌又传递到栅极,导致栅极端子和源极端子中产生振荡电压。如振荡电压过大,会导致发生栅源过电压故障、开通故障或振荡故障。
当最快的MOSFET关断时,其漏极电压上升。漏极电压的上升通过栅漏电容Cgd传递到另一个MOSFET的栅极端子,导致MOSFET发生意外运转,造成寄生振荡。
此外,并联MOSFET共用一个低阻抗路径,因此也很容易发生寄生振荡。
(2)并联MOSFET的寄生振荡
一般来说,并联MOSFET比单个MOSFET更易发生寄生振荡。这是由于漏极线路、源极线路、栅极线路、接合线和其它线路中的杂散电感,以及MOSFET的结电容导致的。
不过,寄生振荡的发生与漏源负载、续流二极管、电源、共用栅极电阻器和栅极驱动电路无关。换句话说,可忽略续流二极管和串联电阻器(如电容器的等效串联电阻器)的导通电阻。因此,并联MOSFET形成了具有高品质因数的谐振电路,由于具有高增益的反馈环路,该谐振电路极易发生振荡。
3. MOSFET寄生振荡的预防
并联MOSFET的谐振电路由寄生电感和寄生电容组成(取决于其频率)。
要避免发生寄生振荡,首先选择MOSFET时要求Cds/Cgs比值较低,gm值较小,这样就不容易发生振荡。

为每个MOSFET插入一个栅极电阻器可减小谐振
除了器件本身属性,也可以使用外部电路来防止发生寄生振荡,这里有两种方法:
(1)为每个MOSFET的栅极插入一个栅极电阻器R1或一个铁氧体磁珠,这样可减小谐振电路的品质因数,从而减小正反馈环路的增益。实验证实,为并联的每个MOSFET插入串联栅极电阻器可以有效防止发生寄生振荡。
(2)在MOSFET的栅极和源极之间添加一个陶瓷电容器。

在MOSFET栅极和源极之间添加陶瓷电容器能预防寄生振荡
上述方法中,gm值较小的MOSFET价格会稍高,其他两种方法可由用户自行优化。不过,栅极电阻器会影响MOSFET的开关速度,电阻值会导致开关损耗增大;在栅极和源极之间添加电容器时应小心,电容器种类和容值选择不当会产生反作用。
烜芯微专业制造二极管,三极管,MOS管,桥堆20年,工厂直销省20%,1500家电路电器生产企业选用,专业的工程师帮您稳定好每一批产品,如果您有遇到什么需要帮助解决的,可以点击右边的工程师,或者点击销售经理给您精准的报价以及产品介绍
烜芯微专业制造二极管,三极管,MOS管,桥堆20年,工厂直销省20%,1500家电路电器生产企业选用,专业的工程师帮您稳定好每一批产品,如果您有遇到什么需要帮助解决的,可以点击右边的工程师,或者点击销售经理给您精准的报价以及产品介绍