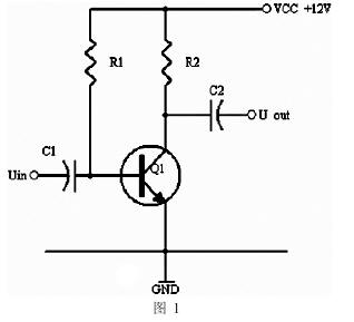
放大电路的核心元件是贴片三极管,所以要对贴片三极管要有一定的了解。用贴片三极管构成的放大电路的种类较多,我们用常用的几种来解说一下(如图1)。图1是一共射的基本放大电路,一般我们对放大路要掌握些什么内容?
(1)分析电路中各元件的作用;
(2)理解放大电路的放大原理;
(3)能分析计算电路的静态工作点;
(4)理解静态工作点的设置目的和方法。
以上四项中,最后一项较为重要。


图1中,C1,C2为耦合电容,耦合就是起信号的传递作用,电容器能将信号信号从前级耦合到后级,是因为电容两端的电压不能突变,在输入端输入交流信号后,因两端的电压不能突变因,输出端的电压会跟随输入端输入的交流信号一起变化,从而将信号从输入端耦合到输出端。但有一点要说明的是,电容两端的电压不能突变,但不是不能变。
R1、R2为贴片三极管V1的直流偏置电阻,什么叫直流偏置?简单来说,做工要吃饭。要求贴片三极管工作,必先要提供一定的工作条件,电子元件一定是要求有电能供应的了,否则就不叫电路了。
在电路的工作要求中,第一条件是要求要稳定,所以,电源一定要是直流电源,所以叫直流偏置。为什么是通过电阻来供电?电阻就象是供水系统中的水龙头,用调节电流大小的。所以,贴片三极管的三种工作 状态“:载止、饱和、放大”就由直流偏置决定,在图1中,也就是由R1、R2来决定了。
首先,我们要知道如何判别贴片三极管的三种工作状态,简单来说,判别工作于何种工作状态可以根据Uce的大小来判别,Uce接近于电源电压VCC,则贴片三极管就工作于载止状态,载止状态就是说贴片三极管基本上不工作,Ic电流较小(大约为零),所以R2由于没有电流流过,电压接近0V,所以Uce就接近于电源电压VCC。
若Uce接近于0V,则贴片三极管工作于饱和状态,何谓饱和状态?就是说,Ic电流达到了最大值,就算Ib增大,它也不能再增大了。
以上两种状态我们一般称为开关状态,除这两种外,第三种状态就是放大状态,一般测Uce接近于电源电压的一半。若测Uce偏向VCC,则贴片三极管趋向于载止状态,若测Uce偏向0V,则贴片三极管趋向于饱和状态。
烜芯微专业制造二极管,三极管,MOS管,桥堆20年,工厂直销省20%,1500家电路电器生产企业选用,专业的工程师帮您稳定好每一批产品,如果您有遇到什么需要帮助解决的,可以点击右边的工程师,或者点击销售经理给您精准的报价以及产品介绍
烜芯微专业制造二极管,三极管,MOS管,桥堆20年,工厂直销省20%,1500家电路电器生产企业选用,专业的工程师帮您稳定好每一批产品,如果您有遇到什么需要帮助解决的,可以点击右边的工程师,或者点击销售经理给您精准的报价以及产品介绍