s8050和ss8050三极管是同一个三极管吗?选用8050三极管的时候要注意区分!!
听过8050的都知道是三极管,但是选器件的时候遇到带s和ss的8050,就有些疑惑?就这两个标识,一个S是指三星命名的8050,也就是8050三极管;两个S是指三星命名同型号的大电流8050三极管,这也是最常用的两种三极管。
知道带s、ss是什么意思了,那就更要知道这两个8050三极管具体参数有什么不同?
s8050、ss8050详细参数表:
Type | Polarity | Pcm | Ic | BVCBO | BVCEO | BVEBO | HFE | Vce(sat) | |||||
(mW) | (mA) | (V) | (V) | (V) | MIN | MAX | Vce(V) | Ic(mA) | (V) | Ic(mA) | IB(mA) | ||
S8050 | NPN | 300 | 500 | 40 | 25 | 5 | 120 | 400 | 1 | 50 | 0.6 | 500 | 50 |
SS8050 | NPN | 300 | 1500 | 40 | 25 | 5 | 120 | 400 | 1 | 100 | 0.5 | 800 | 80 |
通过参数表可以清楚的了解到s8050和ss8050的本质区别,在这两种三极管之间,ss8050是可以直接替换s8050,反之是不可以的。
s8050三极管外形封装引脚和标识:


1、s8050贴片封装SOT-23,引脚说明如上图,器件标识J3Y。


2、ss8050贴片封装SOT-23,引脚说明如上图,器件标识Y2。


3、s8050、ss8050插件封装TO-92,引脚说明如上图。
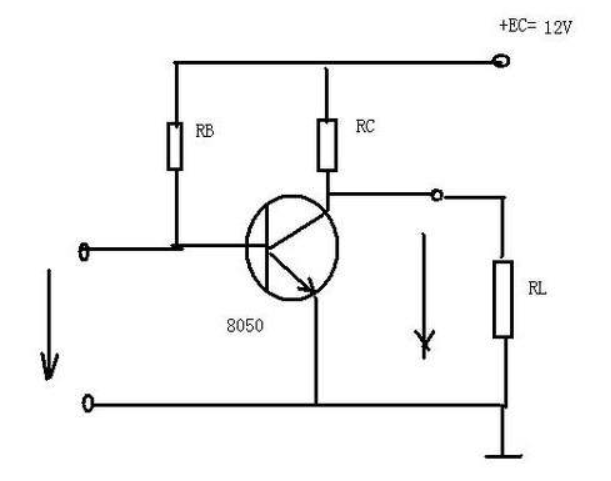
s8050、ss8050基础应用电路图
到现在对8050应该有一个大致的了解了,更深入了解三极管型号封装和详细参数,请点击《三极管封装资料大全》
烜芯微专业制造二极管,三极管,MOS管,桥堆20年,工厂直销省20%,1500家电路电器生产企业选用,专业的工程师帮您稳定好每一批产品,如果您有遇到什么需要帮助解决的,可以点击右边的工程师,或者点击销售经理给您精准的报价以及产品介绍
烜芯微专业制造二极管,三极管,MOS管,桥堆20年,工厂直销省20%,1500家电路电器生产企业选用,专业的工程师帮您稳定好每一批产品,如果您有遇到什么需要帮助解决的,可以点击右边的工程师,或者点击销售经理给您精准的报价以及产品介绍