快恢复二极管分别有TO-220AB(铁封)、TO-220AB(塑封)、TO-247、TO-252、TO-263等封装。快恢复二极管的封装选择主要是受功率影响较大,一般情况下是根据电流参数来决定封装的选取。
1、MUR1640(16A400V)只能做一下几种封装:TO-220的铁封和塑封、TO-252。Type封装所属分类MUR1640FCTITO-220AB快恢复二极管MUR1640CTTO-220AB快恢复二极管MUR1640CSTO-252快恢复二极管,因为16A的电流比较少,没有必要做到TO-3P和TO-263的封装,如果你选择的管子电流在20A以下,可以选择这三种封装的一种。有加散热条件的建议用TO-220铁封,散热会更快哦。
2、50A电流以上的快恢复二极管,只能选择TO-3P啦,因为TO-3P的体积比较大,能满足因为电流比较大,芯片面积就变大的要求,而且散热也比较好。如果做的是大功率管,电流要求大可以选用这种封装。
3、电流在20-50A之间的快恢复二极管,可以做的封装有TO-263、TO-220AB、TO-220AB、TO-3P。如果成本有要求的可以选择TO-220 ,想要价格合适,散热好的,就用TO-263,如果电流不是很大的一般不建议用TO-3P,因为这个封装的价格贵。
4.现在设计应用中都要求电子元件具有电绝缘和优良热性能,且须易于组装。对于这些应用领域而言, 海烜芯微科技SOT78D封装(内绝缘TO220)、SOT98A封装(内绝缘TO-3P)是比较合适的选择。优化的芯片焊接和封装技术使SOT78D、SOT98A能提供较低的PN结到散热片热阻,最终使二极管在大功率应用中以较低温度运作,且表现稳定可靠。
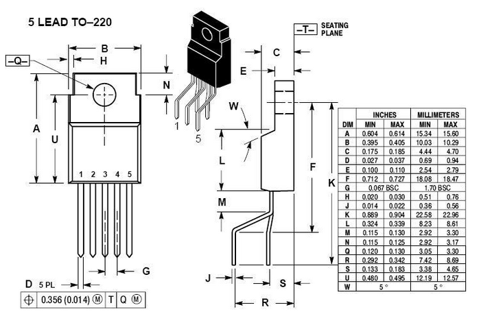
快恢复二极管常见封装尺寸:


快恢复二极管封装to-220尺寸与结构图

快恢复二极管封装TO-3P尺寸与结构图
烜芯微专业制造二极管,三极管,MOS管,桥堆20年,工厂直销省20%,1500家电路电器生产企业选用,专业的工程师帮您稳定好每一批产品,如果您有遇到什么需要帮助解决的,可以点击右边的工程师,或者点击销售经理给您精准的报价以及产品介绍
烜芯微专业制造二极管,三极管,MOS管,桥堆20年,工厂直销省20%,1500家电路电器生产企业选用,专业的工程师帮您稳定好每一批产品,如果您有遇到什么需要帮助解决的,可以点击右边的工程师,或者点击销售经理给您精准的报价以及产品介绍