380三相4线电表接线图,翻过接线端子盖,就可以看到三相四线电表接线图。其中1、4、7接电流互感器二次侧S1端,即电流进线端;3、6、9接电流互感器二次侧S2端,即电流出线端;2、5、8分别接三相电源;10、11是接零端。为了安全,应将电流互感器S2端连接后接地。 注意的是各电流互感器的电流测量取样必须与其电压取样保持同相,即1、2、3为一组;4、5、6 为一组;7、8、9 为一组。
不带电流互感器的三相四线电表接线图

带电流互感器的三相四线电表接线图

三相四线电度表带互感器的接线图

三相四线外接互感器的电能表接线图

三相四线制
三相四线制,在低压配电网中,输电线路一般采用三相四线制,其中三条线路分别代表A,B,C三相,另一条是中性线N或PEN(如果该回路电源侧的中性点接地,则中性线也称为零线(老式叫法,应逐渐避免,改称PEN,如果不接地,则从严格意义上来说,中性线不能称为零线)。在进入用户的单相输电线路中,有两条线,一条我们称为相线L,另一条我们称为中线N,中线正常情况下要通过电流以构成单相线路中电流的回路。而三相系统中,三相平衡时,中性线(零线)是无电流的,故称三相四线制;在380V低压配电网中为了从380V线电压中获得220V相电压而设N线,有的场合也可以用来进行零序电流检测,以便进行三相供电平衡的监控。
重复接地
PE线(?;そ拥叵撸谟没Р嘈枰馗唇拥?,以提高可靠性。但是,重复接地只是重复接地,它只能在接地点或靠近接地的位置接到一起,但绝不表明可以在任意位置特别是户内可以接到一起。
注意“三相四线”制是带电导体系统分类中的一种, [1] 和接地系统分类无任何关系,应注意避免“三相五线制”这种错误的叫法。 [2] TN-S系统也不是“三相五线制”。任一带电导体系统都可采用任一接地系统。例如三相四线带电导体系统,可采用TN-S接地系统,也可采用TN-C-S或TT接地系统。这三种接地系统的末端都是五根线,都可称作“三相五线制”,那又如何将他们加以区分呢?因此“三相五线制”是一个混淆接地系统和带电导体系统两个互不关联的系统的错误名词,在编制电气规范和设计文件时应注意避免采用。GB16895.1-2008里没有“三相五线制”的提法,只有“三相四线制”。“三相四线制”属于带电导体系统分类中的一种,TN-S系统属于接地系统分类中的一种。
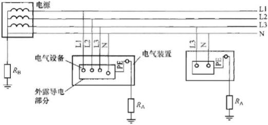
以下图为例,下图中有3根相线,1根N线,1根PE线,但显然不是TN-S系统,而是TT系统。下图的带电导体系统分类属于“三相四线制”,接地系统分类属于“TT系统”。

烜芯微专业制造二极管,三极管,MOS管,桥堆20年,工厂直销省20%,1500家电路电器生产企业选用,专业的工程师帮您稳定好每一批产品,如果您有遇到什么需要帮助解决的,可以点击右边的工程师,或者点击销售经理给您精准的报价以及产品介绍