cmos与非门简介
与非门是与门和非门的结合,先进行与运算,再进行非运算。与非运算输入要求有两个,如果输入都用0和1表示的话,那么与运算的结果就是这两个数的乘积。如1和1(两端都有信号),则输出为0;1和0,则输出为1;0和0,则输出为1。与非门的结果就是对两个输入信号先进行与运算,再对此与运算结果进行非运算的结果。简单说,与非与非,就是先与后非。
电工学里一种基本逻辑电路,是与门和非门的叠加,有两个输入和一个输出。CMOS电路中的逻辑门有非门、与门、与非门、或非门、或门、异或门、异或非门,施密特触发门、缓冲器、驱动器等。与非门则是当输入端中有1个或1个以上是低电平时,输出为高电平;只有所有输入是高电平时,输出才是低电平
与非门芯片:74ls系列:74ls00、74LS20,CMOS系列:CD4011
cmos与非门电路原理知识
CMOS反相器具有以下的特点:MT28F320J3RG-11MET静态功耗低,动态功耗接近逻辑摆:幅约为UD,具南较大悄、逻辑于LSUL电路(低功耗肖特基电路);摆幅;电路抗干扰能力强;工作速度快,高速CMOS电路的工作速度接近于LSTTL电路;工作电压范围宽,4000系列的电源电压范围为3N18V,74HC系列的电源电压范围为2—6V;工艺复杂,成本高。
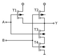
以CMOS反相器为基础,构成的CMOS与非门电路如图1所示。它由两个P沟道MOS管和两个N沟道MOS管构成。负载管P沟道MOS管VT3与VT4并联,驱动管N沟道MOS管VT1与Vrl3串联。该电路具有与非功能,逻辑表达式为F= AB。
以CMOS反相器为基础,构成的CMOS或非门电路如图2所示。它由两个P沟道MOS管和两个N沟道MOS管构成。负载管P沟道MOS管VT3与VT4串联,驱动管N沟道MOS管VT1与Vrl2并联。该电路具有或非功能,逻辑表达式为F=A+B。

图1 CMOS与非门电路

图2 CMOS或非门电路
由于组成门电路的MOS管的串并联关系,会导致MOS管导通电阻的变化,破坏了CMOS电路的对称性,引起电路噪声容限的降低,输出波形不对称。为了解决这些问题.在上述基本CMOS门电路的基础上,在电路输入、A输出端增加反相器,从而构成了带缓冲的CMOS门电路。
CMOS与非门电路输入管
输入端CMOS与非门电路,其中包括两个串联的N沟道增强型MOS管和两个并联的P沟道增强型MOS管。每个输入端连到一个N沟道和一个P沟道MOS管的栅极。当输入端A、B中只要有一个为低电平时,就会使与它相连的NMOS管截止,与它相连的PMOS管导通,输出为高电平;仅当A、B全为高电平时,才会使两个串联的NMOS管都导通,使两个并联的PMOS管都截止,输出为低电平。

因此,这种电路具有与非的逻辑功能,即,n个输入端的与非门必须有n个NMOS管串联和n个PMOS管并联。
cmos与非门电路真值表、逻辑符号及如何实现
1、真值表
与非门真值表

2、逻辑符号

3、如何实现

开关逻辑图

CMOS逻辑
烜芯微专业制造二极管,三极管,MOS管,桥堆20年,工厂直销省20%,1500家电路电器生产企业选用,专业的工程师帮您稳定好每一批产品,如果您有遇到什么需要帮助解决的,可以点击右边的工程师,或者点击销售经理给您精准的报价以及产品介绍
烜芯微专业制造二极管,三极管,MOS管,桥堆20年,工厂直销省20%,1500家电路电器生产企业选用,专业的工程师帮您稳定好每一批产品,如果您有遇到什么需要帮助解决的,可以点击右边的工程师,或者点击销售经理给您精准的报价以及产品介绍