大功率mos管驱动芯片电路
功率开关器件在电力电子设备中占领着中心位置,它的牢靠工作是整个安装正常运转的根本条件。功率开关器件的驱动电路是主电路与控制电路之间的接口,是电力电子安装的重要局部。它对整个设备的性能有很大的影响,其作用是将控制回路输出的控制脉冲放大到足以驱动功率开关器件。简而言之,驱动电路的根本任务就是将控制电路传来的信号,转换为加在器件控制端和公共端之间的能够使其导通和关断的信号。
同样的mos管功率器件,采用不同的驱动电路将得到不同的开关特性。采用性能良好的驱动电路能够使功率开关器件工作在比拟理想的开关状态, 同时缩短开关时间,减小开关损耗,对安装的运转效率,牢靠性和平安性都有重要的意义。因而驱动电路的优劣直接影响主电路的性能,驱动电路的合理化设计显得越来越重要。晶闸管体积小,重量轻,效率高,寿命长,运用便当,能够便当的停止整流和逆变,且能够在不改动电路构造的前提下,改动整流或逆变电流的大小。IGBT 是 mosFET 和 GTR的复合器件,它具有开关速度快、热稳定性好、驱动功率小和驱动电路简单的特性,又具有通态压降小、耐压高和接受电流大等优点。IGBT作为主流的功率输出器件, 特别是在大功率的场所,曾经被普遍的应用于各个范畴。
mos管开关器件理想的驱动电路
(1)功率开关管开通时,驱动电路可以提供快速上升的基极电流,使得开启时有足够的驱动功率,从而减小开通损耗。
(2)开关管导通期间,mos驱动电路提供的基极电流在任何负载状况下都能保证功率管处于饱和导通状态,保证比拟低的导通损耗。为减小存储时间,器件关断前应处于临界饱和状态。
(3)关断时,驱动电路应提供足够的反向基极驱动,以疾速的抽出基区的剩余载流子,减小存储时间; 并加反偏截止电压,使集电极电流疾速降落以减小降落时间。当然,晶闸管的关断主要还是靠反向阳极压降来完成关断的。
目前来说,关于晶闸管的驱动用的比拟多的只是经过变压器或者光耦隔离来把低压端与高压端隔开,再经过转换电路来驱动晶闸管的导通。而关于 IGBT来说目前用的较多的是 IGBT 的驱动??椋灿屑闪?IGBT、 系统自维护、 自诊断等各个功用??榈?IPM。
本文针对我们所用到的晶闸管,设计实验驱动电路,并停止实考证明了它能够驱动晶闸管。而关于 IGBT的驱动,本文主要引见了目前主要的几种 IGBT 的驱动方式,以及与它们相对应的驱动电路,并对最常用的光耦隔离的驱动方式停止了仿真实验。
大功率mos管驱动芯片实验电路的设计与剖析
实验设计总电路图如下图所示首先是升压电路,由于后级的隔离变压器电路中的 MOS 管器件需求 15V 的触发信号,所以,需求先把幅值 5V 的触发信号转成 15V 的触发信号,经过 MC14504 把 5V 的信号, 转换成为 15V的信号,然后再经过 CD4050 对输出的 15V 驱动信号整形, 实验的波形图如图所示, 通道 2 接的是 5V 输入信号,通道 1 接的是输出的 15V 的触发信号。
第二局部是隔离变压器电路,实验电路图如图 4所示,该电路的主要功用是:把 15V 的触发信号,转换成为 12V 的触发信号去触发后面的晶闸管的导通,并且做到 15V 的触发信号与后级之距离。
该电路的工作原理是:由于 MOS 管 IRF640 的驱动电压为 15V,所以,首先是在 J1 处接入 15V 的方波信号,经过电阻 R4 接稳压管 1N4746,使触发电压稳定,也使得触发电压不至于过高,烧坏 MOS 管,然后接到 MOS 管 IRF640(其实这就是个开关管,控制后端的开通和关断) , MOS 管的工作图如下图, 经过控制驱动信号的占空比, 能够控制 MOS 管的开通和关断时间。当 MOS 管开通时,相当于它的 D 极接地,关断时是断开的,经过后级电路相当于接 24V。而变压器就是经过电压的变化来使右端输出 12V 的信号。变压器右端接一个整流桥,然后从接插件 X1 输出 12V的信号。下图 6 为该实验电路的仿真波形图,为了便当看清,我把 B 通道的正负引脚颠倒,测出图中的电压为负的,不过幅值是正确的。图 7 是该电路的实验波形图,与仿真波形图一样。
实验过程中遇到的问题
首先,开端上电时,保险丝忽然熔断,后来查电路时发现最初的电路设计有问题。最初为了它的开关管输出的效果更好,把24V的地和15V 的地隔开,这就使得MOS管的门极G极相当于后面的S极是悬空的,招致误触发。处理方法是把24V和15V的地接在一同,再次停止实验,电路工作正常。电路衔接正常,但是当参加驱动信号时,MOS管发热,加驱动信号一段时间后,保险丝熔断,再加驱动信号时,保险丝直接熔断。检查电路发现,驱动信号的高电平占空比过大,招致MOS管的开通时间太长。这个电路的设计使得当MOS管开通时,24V直接加到MOS管的两端,并没有加限流电阻,假如导通时间过长就使得电流过大,MOS管损坏,需求调理信号 的占空比不能太大,普通在 10%~20%左右。
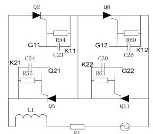
为了验证驱动电路的可行性,我们用它来驱动串连在一同的晶闸管电路,实验电路图如下图8所示,互相串联的晶闸管再反并联后,接入带有感抗的电路中,电源是 380V 的交流电压源。

在这个电路中,晶闸管Q2、Q8的触发信号经过G11和G12接入,而Q5、Q11的触发信号经过G21、G22接入。在驱动信号接到晶闸管门级之前,为了进步晶闸管的抗干扰才能,在晶闸管的门极衔接一个电阻和电容。这个电路接电感后,再投入到主电路中。经过控制晶闸管的导通角,来控制大电感投入到主电路的时间, 上下电路的触发信号的相角相差半个周期,上路的 G11 和G12是一路的触发信号,经过前级的驱动电路中的隔离变压器互相隔离,下路的 G21 和 G22同样也是隔离的同一路信号。 实验波形图如图 9 所示,两路的触发信号触发反并联晶闸管电路正反导通,上面的 1 通道接的是整个晶闸管电路的电压,在晶闸管导通时它变为 0,而 2、3 通道接的是晶闸管电路上下路的触发信号,4 通道测得是流过整个晶闸管的电流。
通道测得有正向的触发信号时,触发上面的晶闸管导通,电流为正;3 通道测得有反向的触发信号时,触发下路的晶闸管导通,电流为负。
大功率mos管驱动芯片结构
大功率mos管驱动芯片结构如下在一块掺杂浓度较低的P型半导体硅衬底上,用半导体光刻、扩散工艺制作两个高掺杂浓度的N+区,并用金属铝引出两个电极,分别作为漏极D和源极S。然后在漏极和源极之间的P型半导体表面复盖一层很薄的二氧化硅(Si02)绝缘层膜,在再这个绝缘层膜上装上一个铝电极,作为栅极G。这就构成了一个N沟道(NPN型)增强型MOS管。显然它的栅极和其它电极间是绝缘的。图1-1所示 A 、B分别是它的结构图和代表符号。

同样用上述相同的方法在一块掺杂浓度较低的N型半导体硅衬底上,用半导体光刻、扩散工艺制作两个高掺杂浓度的P+区,及上述相同的栅极制作过程,就制成为一个P沟道(PNP型)增强型MOS管。图1-2所示A 、B分别是P沟道MOS管道结构图和代表符号。
大功率mos管驱动芯片工作原理

从图可以看出,增强型MOS管的漏极D和源极S之间有两个背靠背的PN结。当栅-源电压VGS=0时,即使加上漏-源电压VDS,总有一个PN结处于反偏状态,漏-源极间没有导电沟道(没有电流流过),所以这时漏极电流ID=0。
此时若在栅-源极间加上正向电压,图上图所示,即VGS>0,则栅极和硅衬底之间的SiO2绝缘层中便产生一个栅极指向P型硅衬底的电场,由于氧化物层是绝缘的,栅极所加电压VGS无法形成电流,氧化物层的两边就形成了一个电容,VGS等效是对这个电容充电,并形成一个电场,随着VGS逐渐升高,受栅极正电压的吸引,在这个电容的另一边就聚集大量的电子并形成了一个从漏极到源极的N型导电沟道,当VGS大于管子的开启电压VT(一般约为 2V)时,N沟道管开始导通,形成漏极电流ID,我们把开始形成沟道时的栅-源极电压称为开启电压,一般用VT表示??刂普ぜ缪筕GS的大小改变了电场的强弱,就可以达到控制漏极电流ID的大小的目的,这也是MOS管用电场来控制电流的一个重要特点,所以也称之为场效应管。
大功率mos管驱动芯片

烜芯微专业制造二极管,三极管,MOS管,桥堆20年,工厂直销省20%,1500家电路电器生产企业选用,专业的工程师帮您稳定好每一批产品,如果您有遇到什么需要帮助解决的,可以点击右边的工程师,或者点击销售经理给您精准的报价以及产品介绍