文中将会介绍TO封装系列的封装尺寸及外观图,MOSFET芯片在制作完成之后,需要给MOSFET芯片加上一个外壳,即MOS管封装。MOSFET芯片的外壳具有支撑、?;?、冷却的作用,同时还为芯片提供电气连接和隔离,以便MOSFET器件与其它元件构成完整的电路。按照安装在PCB 方式来区分,MOS管封装主要有两大类:插入式(Through Hole)和表面贴装式(Surface Mount)。插入式就是MOSFET的管脚穿过PCB的安装孔焊接在PCB 上。表面贴裝则是MOSFET的管脚及散热法兰焊接在PCB表面的焊盘上。
MOS管作为开关管,已经是开关电源领域的绝对主力器件。它具备输入端基本不取电流或电流极小,具有输入阻抗高、噪声低、热稳定性好、制造工艺简单等特点,在大规模和超大规模集成电路中被应用。而因为元件小巧,无法将MOS管属性详细地刻画到产品上,比如极性、封装形式、脚位排列等。
MOS管TO封装
MOS管对于整个供电系统而言起着稳压的作用。目前板卡上所采用的MOS管并不是太多,一般有10个左右,主要原因是大部分MOS管被整合到IC芯片中去了。由于MOS管主要作用是为配件提供稳定的电压,所以它一般使用在CPU、GPU 和插槽等附近。MOS管一般是以上下两个组成一组的形式出现板卡上。
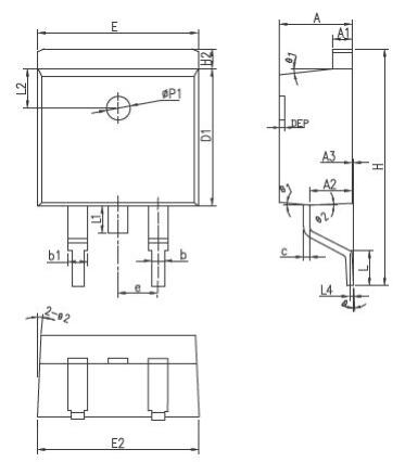
MOS管TO封装规格
MOS管TO封装,TO(Transistor Out-line)的中文意思是“晶体管外形”。这是早期的封装规格,例如TO-92,TO-92L,TO-220,TO-252等等都是插入式封装设计。近年来表面贴装市场需求量增大,TO封装也进展到表面贴装式封装。
TO252和TO263就是表面贴装封装。其中TO-252又称之为D-PAK,TO-263又称之为D2PAK。
D-PAK封装的MOSFET有3个电极,栅极(G)、漏极(D)、源极(S)。其中漏极(D)的引脚被剪断不用,而是使用背面的散热板作漏极(D),直接焊接在PCB上,一方面用于输出大电流,一方面通过PCB散热。所以PCB的D-PAK焊盘有三处,漏极(D)焊盘较大。
烜芯微科技MOS管TO封装系列图片
(一)TO-3P

(二)TO-220

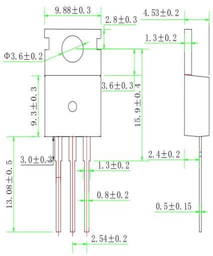
(三)TO-220F

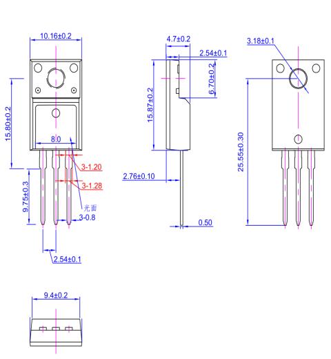
(四)TO-247

(五)TO-251

(六)TO-252

(七)TO-263

