自举电路
自举电路也叫升压电路,是利用自举升压二极管,自举升压电容等电子元件,使电容放电电压和电源电压叠加,从而使电压升高,有的电路升高的电压能达到数倍电源电压。
自举电路原理
举个简单的例子:有一个12V的电路,电路中有一个场效应管需要15V的驱动电压,这个电压怎么弄出来?就是用自举。通常用一个电容和一个二极管,电容存储电荷,二极管防止电流倒灌,频率较高的时候,自举电路的电压就是电路输入的电压加上电容上的电压,起到升压的作用。
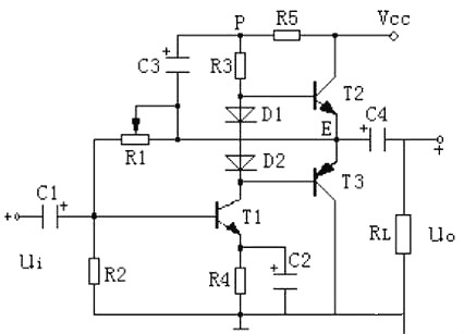
自举电路只是在实践中定的名称,在理论上没有这个概念。自举电路主要是在甲乙类单电源互补对称电路中使用较为普遍。甲乙类单电源互补对称电路在理论上可以使输出电压Vo达到Vcc的一半,但在实际的测试中,输出电压远达不到Vcc的一半。其中重要的原因就需要一个高于Vcc的电压。所以采用自举电路来升压。
开关直流升压电路(即所谓的boost或者step-up电路)原理
the boost converter,或者叫step-up converter,是一种开关直流升压电路,它可以是输出电压比输入电压高?;镜缏吠技?1.
假定那个开关(三极管或者mos管)已经断开了很长时间,所有的元件都处于理想状态,电容电压等于输入电压。下面要分充电和放电两个部分来说明这个电路。

自举电路应用
1、利用自举电路提高电路增益
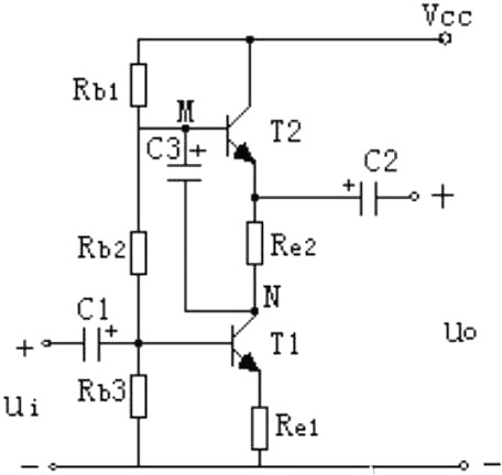
图2、图3所示的两电路都是利用自举电路提高电路增益的。先看图2,图中以T1为核心构成共射电路,以T2为核心构成的是射随器,C3为自举电容。该电路输出电压跟随N点的电位变化而变化,通过C3的反馈将输出电压反馈到M点,使M点的电位也跟随N点电位的电位变化而变化,实现自举。

图2
同理可分析图3电路,图6中T1、T2的作用与图5相同,C3仍为自举电容。该电路的输出电压跟随M点的电位变化而变化,通过C3的反馈作用使N点的电位也跟随M点电位变化而变化,实现自举。自举的结果使Re2两端的电位很接近,因此流过Re2 的交流电流大大减少,相当于提高了Re2的交流等效阻抗,即提高了T1的集电极等效阻抗,从而使电路获得较高的增益。不难分析图3电路利用T2管产生自举作用,不仅提高了电路的增益,而且也使电路的输出电阻大大增加,所以适用于后级放大电路输入阻抗较高的场合。

图3
2.利用自举电路解决交、直流参数设置
如图4电路是一个利用自举电路解决驻极体话筒与放大器的交、直流参数合理配置的例子。驻极体话筒由于具有音质好、输出平坦、阻抗低而价格又便宜的特点,应用范围已越来越广泛了。但驻极体话简工作时,要求提供一个直流偏置电流和偏置电压。

图4
市场上销售的话筒参数的离散性较大,其偏置电压一般在1.5V~10V之间,工作电流常在0.1mA~1mA。在电路设计时,其偏置电阻与电源之间有时较难协调,为满足话筒对输出阻抗的要求而将偏置电阻取大时,势必要求Vcc要相应地提高,如果将偏置电阻取小些,虽然可以满足对Vcc的要求,但话筒的输出阻抗又难以匹配。
为解决这一问题可采用图7电路,在这一电路中偏置电阻(R1+R2)仅取2kQ,所以电源电压Vcc几乎全部降在话筒上,为驻极体话筒提供较大的偏置电压,满足了话筒参数离散性的要求。只要电源电压Vcc大于话简工作电压1V就能使它很好工作。为了满足话筒对输出阻抗的匹配的要求,该电路采用了自举电路,C3为自举电容,由于C3的存在,使R1电阻下端的电位跟随R1.上端的电位变化而变化,即实现自举。R1两端的电位差值很小即意味着R1的等效阻抗被大大地提高了,从而实现与驻极体话简输出阻抗的良好匹配。此外,该电路具有一定的电压增益,还可以减轻后级电路的负担。
自举电路如何把电压逐一升高


+5V_ALWP电压通过D32的1脚对C710、C722、C715、C719开始充电,充电完毕后电路状态如上图显示(二极管压降忽略不计)。
此时的+15V_ALWP,实际电压为5V

1、由于电容的两端电压不能突变,此时C715两端的电位为左边5V,右边10V(C715的电压依然是10V-5V=5V),然后电流经过D35的2引脚,对C719电容充电,充电后C719的电压升到10V。
2、在上述1发生的同时,Y输出的第一次高电平5V也对C710充电。同样电容两端电压不能突变,所以C710两端的电位为左边5V,右边10V(C710的电压依然是10V-5V=5V)。然后电流经过D32的2引脚对C732D电容充电(充电前C722的电压为5V),充电后C722的电压升到10V。
此时+15V_ALWP电压为10V。

1、由于电容的两端电压不能突变,此时C715两端的电位为左边0V,右边5V(C715的电压依然是5V-0V=5V,保持5V电压),当C715电压为5V后,由于C722电压10V>C715电压5V,C722会对C715充电。充电后C715=C722=7.5V。此时C715电压依然比C719电压低。是由于D35的2引脚处的二极管反向截止,所以C719不能对C715充电,C719电压保持在10V。
2、在上述1发生的同时,Y输出的第一次低电平0V也改变了C710左端的电压。同样电容两端电压不能突变,所以C710两端的电位为左边0V,右边5V(C710的电压依然是5V-0V=5V)。此时C710电压低,C722电压高(7.5V)。但是由于D35的2引脚处的二极管反向截止,所以C722不能对C710充电。C722电压保持在7.5V。
3、当Y再次输出高电平时,C722又被充电到10V。当Y变为低电平是C722(10V)对C715(7.5V)充电。C715=8.75V。当Y再次输出高电平时,此时C715两端的电位为:左边:5V,右边:13.75V(5V+8.75V),C715对C719充电,C719电压变为11.875V,C715由于对C719充电,电压变为11.875V。此时+15V_ALWP电压是11.875V。
4、经过数次高低电平变化后,C715两端电压慢慢升高,同时C715对C719充电,C719电压也慢慢升高,最终C715会被充电到10V,不再升高。当Y引脚再次输出高电平5V时,C715的电位为:左边5V,右边15V(10V+5V).最终+15V_ALWP电压稳定在15V。
烜芯微专业制造二极管,三极管,MOS管,桥堆20年,工厂直销省20%,1500家电路电器生产企业选用,专业的工程师帮您稳定好每一批产品,如果您有遇到什么需要帮助解决的,可以点击右边的工程师,或者点击销售经理给您精准的报价以及产品介绍
烜芯微专业制造二极管,三极管,MOS管,桥堆20年,工厂直销省20%,1500家电路电器生产企业选用,专业的工程师帮您稳定好每一批产品,如果您有遇到什么需要帮助解决的,可以点击右边的工程师,或者点击销售经理给您精准的报价以及产品介绍