什么是MOS管
mos管是金属(metal)、氧化物(oxide)、半导体(semiconductor)场效应晶体管,或者称是金属—绝缘体(insulator)、半导体。MOS管的source和drain是可以对调的,他们都是在P型backgate中形成的N型区。在多数情况下,这个两个区是一样的,即使两端对调也不会影响器件的性能。这样的器件被认为是对称的。
TTL是什么
TTL连接线是用于相机与闪光灯离机专用的热靴来相连接线,通?;够岚阉凶錾凉獾评牖酉?、TTL线、快门连接线、离机连接线等等,有很多种叫法。
TTL电平的优点
TTL电平信号对于计算机处理器控制的设备内部的数据传输是很理想的,首先计算机处理器控制的设备内部的数据传输对于电源的要求不高以及热损耗也较低,另外TTL电平信号直接与集成电路连接而不需要价格昂贵的线路驱动器以及接收器电路;再者,计算机处理器控制的设备内部的数据传输是在高速下进行的,而TTL接口的操作恰能满足这个要求。TTL型通信大多数情况下,是采用并行数据传输方式,而并行数据传输对于超过10英尺的距离就不适合了。这是由于可靠性和成本两面的原因。因为在并行接口中存在着偏相和不对称的问题,这些问题对可靠性均有影响。
数字电路中,由TTL电子元器件组成电路使用的电平。电平是个电压范围,规定输出高电平>2.4V,输出低电平<0.4V。在室温下,一般输出高电平是3.5V,输出低电平是0.2V。最小输入高电平和低电平:输入高电平>=2.0V,输入低电平<=0.8V,噪声容限是0.4V。
如何用ttl驱动mos管
工作频率和驱动信号的占空比不是很大,并且VMOS的功率规格也不是很大时,普通并不需求为VMOS配置特地的驱动电路。通用的CMOS半导体(互补金属氧化物品体管逻辑IC)、TTL(晶体管逻辑)集成电路、常见的PWM专用IC的输出级都能够直接驱动VMOS。这种驱动方式普通适用于驱动信号的产生及控制电路与VMOS构成的功率级电路共地的状况。
TTL集成电路的逻辑电平为5V,输出级通常由BJT(双极性晶体管)组成,信号普通从集电极输出,这就是常说的“集电极开路输出”,当然,输出级也有采用MOSFET的,这就是“开漏输出”。上述开路输出方式需求外部电路配置偏置电阻,以树立工作点,限定输出电流。

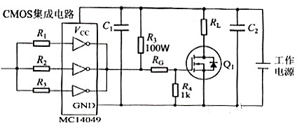
通用IC的峰值电流驱动才能通常都不会超越1A,这是限制其驱动才能的主要要素。图中的上拉电阻R3决议了驱动才能的大小和性能。R4是栅极泄放电阻,作用是在栅极驱动信号没有时疾速泄放掉输入电容的电荷。R4越小越有利于VMOS的疾速关断,但是义会增加控制电路的驱动担负,普通而言,R4的取值不应该小于控制电路的输出阻抗。
在驱动才能有限的条件下,为了减小引线寄生电感的影响,VMOS间隔控制电路越近越好。为了防止栅极电流对控制电路的影响,图中的旁路( Bypass)电容也是引荐要采刚的,普通采用聚酣、CBB、瓷片等无极性电容,容量为0.1~lμF即可。
采用TTL集成电路驱动MOS另一个需求留意的问题是,工作电压至少要高于VMOS的开启电压VGS(th),而且要保证图中A点的驱动电压高于开启电压。用CMOS来驱动根本上不需求思索这样的问题,由于此类Ic能够提供12V左右的信号电平。

TTL和CMOS集成电路自身能够搭接成振荡电路,产生方波等信号,因此,除了功用上没有专用的PWM强大以外(通常的主要区别是维护电路),在简单的应用中是很便当的。
图5. 72中的TTL和CMOS电路符号画成了(逻辑)门电路的方式。门电路输出的波形十分规整,关于方波而言,就是十分“方”的波形,十分合适驱动开关电路厂作,只是功率输出才能有限,普通称之为“电平信号,常见的逻辑门电路符号如图5.73所示,关于它们的概念,很容易找到相关的公开材料,也不是本书讨论的主要内容,在此不再赘述。

专用的PWM集成电路针对详细的应用增加了一些适用的功用,经典的型号莫过于UC3842,TL494了,它们当然也能够直接驱动VMOS。这些IC的输出级普通为“图腾柱”电路,驱动才能更强,像TL494的输出级,既可以提供图腾柱输出,也能够提供集电极升路输出。

图腾柱属于推挽电路,因而能够主动对VMOS的栅极停止放电,这样一来,栅极泄放电阻能够省略,也能够取比拟大的数值,以防万一。假如IC内部的驱动才能缺乏,外部能够增加扩流电路,常见的电路方式也是图腾柱的电路。关于集电极开路输出的IC,如TTL集成电路,外接扩流电路时,通常并不从集电极取信号,而是从发射极取信号,这样—来,内部的集电极开路输出级就变成了射极跟随器,既降低了输出阻抗,也有利于开关速度的进步。

扩流电路普通用来驱动大电流规格的VMOS,为了减小驱动控制电路与功率级电路之间的互相干扰,通?;岵捎酶髯远懒⒌牡缭?。为了简化图线的相互穿插以有利于读图,地(也称为参考点)和电源也会在恰当的中央分别画出,这种画法疏忽了连线的电阻以及阻抗,最初多见于欧美电路原理图中。在实践布线时,应该留意它们的影响。Q3、Q4既能够采用通用的小功率晶体管,也能够采用小功率互补对管,如FPQ6502等等。
TTL与CMOS管
1.CMOS是场效应管构成,TTL为双极晶体管构成
2.CMOS的逻辑电平范围比较大(3~15V),TTL只能在5V下工作
3.CMOS的高低电平之间相差比较大、抗干扰性强,TTL则相差小,抗干扰能力差
4.CMOS功耗很小,TTL功耗较大(1~5mA/门)
5.CMOS的工作频率较TTL略低,但是高速CMOS速度与TTL差不多相当
烜芯微专业制造二极管,三极管,MOS管,20年,工厂直销省20%,1500家电路电器生产企业选用,专业的工程师帮您稳定好每一批产品,如果您有遇到什么需要帮助解决的,可以点击右边的工程师,或者点击销售经理给您精准的报价以及产品介绍
烜芯微专业制造二极管,三极管,MOS管,20年,工厂直销省20%,1500家电路电器生产企业选用,专业的工程师帮您稳定好每一批产品,如果您有遇到什么需要帮助解决的,可以点击右边的工程师,或者点击销售经理给您精准的报价以及产品介绍