MOSFET管概述
1、MOSFET的结构
MOSFET的内部结构和电气符号如图1所示;其导通时只有一种极性的载流子(多子)参与导电,是单极型晶体管。导电机理与小功率mos管相同,但 结构上有较大区别,小功率MOSFET管是横向导电器件,功率MOSFET大都采用垂直导电结构,又称为VMOSFET(Vertical MOSFET),大大提高了MOSFET器件的耐压和耐电流能力。

按垂直导电结构的差异,又分为利用V型槽实现垂直导电的VVMOSFET和具有垂直导电双扩散MOS结构的VDMOSFET(Vertical Double-diffused MOSFET),本文主要以VDMOS器件为例进行讨论。
功率MOSFET为多元集成结构,如国际整流器公司(International Rectifier)的HEXFET采用了六边形单元;西门子公司(Siemens)的SIPMOSFET采用了正方形单元;摩托罗拉公司 (Motorola)的TMOS采用了矩形单元按“品”字形排列。
2、MOSFET的工作原理
截止:漏源极间加正电源,栅源极间电压为零。P基区与N漂移区之间形成的PN结J1反偏,漏源极之间无电流流过。
导电:在栅源极间加正电压UGS,栅极是绝缘的,所以不会有栅极电流流过。但栅极的正电压会将其下面P区中的空穴推开,而将P区中的少子—电子吸引到栅极下面的P区表面
当UGS大于UT(开启电压或阈值电压)时,栅极下P区表面的电子浓度将超过空穴浓度,使P型半导体反型成N型而成为反型层,该反型层形成N沟道而使PN结J1消失,漏极和源极导电。
MOS管开关电路的定义
MOS管开关电路是利用MOS管栅极(g)控制MOS管源极(s)和漏极(d)通断的原理构造的电路。因MOS管分为N沟道与P沟道,所以开关电路也主要分为两种。
1、 P沟道MOS管开关电路
路编辑PMOS的特性,Vgs小于一定的值就会导通,适合用于源极接VCC时的情况(高端驱动)。需要注意的是,Vgs指的是栅极G与源极S的电压,即栅极低于电源一定电压就导通,而非相对于地的电压。但是因为PMOS导通内阻比较大,所以只适用低功率的情况。大功率仍然使用N沟道MOS管。
2、 N沟道mos管开关电路
NMOS的特性,Vgs大于一定的值就会导通,适合用于源极接地时的情况(低端驱动),只要栅极电压大于参数手册中给定的Vgs就可以了,漏极D接电源,源极S接地。需要注意的是Vgs指的是栅极G与源极S的压差,所以当NMOS作为高端驱动时候,当漏极D与源极S导通时,漏极D与源极S电势相等,那么栅极G必须高于源极S与漏极D电压,漏极D与源极S才能继续导通。
MOSFET管开关电流波形问题分析
MOSFET管开关电流波形问题解析如下:

这里就用MOSFET代替BJT了,所以ids = ic,Vds=Vce,Coss也就是Cds代表输出电容。简单来说就是当MOS管一开始导通时输出电容Coss还保持Vds电压,随着Ids电流越来越大,Vds电压终于保持不住,开始下降。直到管子完全开启。比较详细的开启过程是由Miller Plateau造成的,这里借用了网上一些解释Miller Plateau的图,如果有不清楚的就请见谅了。
阶段1,Vgs 《 Vth,管子是关断的,所以Ids = 0,Vds=high,ig充电Cgs。
阶段2,Vgs 》 Vth,管子开启,Ids从0增加到iL被外部电流源电感钳住,Coss(Cds)上电压不能突变,保持Vds。
阶段3,进入Miller plateau,Vgs 》 Vth,管子仍然保持开启,Coss开始discharge,Vds电压开始下降,于此同时Cgd开始被ig充电。Vg保持不变。
阶段4,Vd下降到接近0点,ig继续给ig充电Cgs和Cgd充电。
阶段5,Vg到达gate driver预定的电压,管子开启过程完成。
关断过程和开启过程类似,也会有Miller plateau效应。
我们可以看到,如果如果MOS管开启时VDS上有原始电压,那么MOS开启过程中就会有Ids和Vds的重叠,那么会带来Switching Loss。由于Coss上的能量在极短时间内被释放,电容上能量会损失掉(换算为Loss为0.5*Coss*Vds^2*fs),而且只要是非零电压开启(Non Zero Voltage Switching),会给PCB和MOS的寄生电感与电容形成的谐振腔(resonant tank)引入比较大的dv/dt或者di/dt激励,引起比较大的ringing,甚至超过管子的额定电压,烧毁管子。
那么我们可以避免这种情况的发生吗?答案是可以的,也就是很多人提到的Zero Voltage Switching,虽然会付出一定的代价。我们先看如何能实现软开关开启Zero Voltage Switching Turn on。

实现ZVS turn on很简单,只需要在我们开启管子前,Vds上的电压为零就好,这样Ids和Vds就没有重叠了,turn on switching loss为零,没有high di/dt, dv/dt问题,没有ringing,完美!那么如何实现ZVS turn on呢?个人觉得分两种情况讨论:1为PWM converter,2为resonant converter(谐振变换器)。
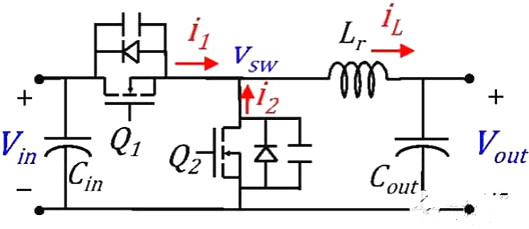
一、对于PWM converter,就拿最简单的两个管子的half bridge(其实也就是buck converter)做例子。

对于half bridge 实现ZVS turn on,我们希望当上管Q1开启时电流是流进switching node (vsw)的,也就是图中电感电流为负值,当下管Q2开启时我们希望电流是流出switching node (vsw)的,也就是电感电流为正值。为什么这样就可以实现ZVS turn on了呢?我们就看上管Q1开启过程。
如果电感电流iL为负,这时候我们先关闭Q2,这时候Q1还未开启,在这个deadTIme中iL会charge Q2的Coss,使Vsw抬高到Vin,当然不能超过Vin,因为Q1的body diode会导通,钳位住Vsw到Vin,这时候Q1的Vds就是Vin-Vsw=0,这时候我们开启Q1就实现ZVS了。同理对于Q2开启时,如果电感电流为正,那么当我们首先关闭Q1管时,Vsw就会被电感电流拉低到0,因为iL》0, Q2的Coss会discharged到0,然后我们再开启Q2,就可以达到ZVS了。
这里我有一张其他Topology的PWM converter的波形图,也和buck工作原理类似,大概可以看看基本原理,也就是电感电流为负时,Q1可以实现ZVS,让Vsw的ringing比较小。而当电感电流为正时,实现不了ZVS,Vsw的ringing就比较大了。

二, 对于resonant converter,其实道理类似,我们也希望在我们开启管子前,Vds上的电压为零。那么对于resonant converter的half bridge,我们希望看到的impedance为inducTIve,也就是感性的,这样switching node流出的电流I就会滞后于电压V,现在ZVS turn on。

这是因为如果电流I是滞后与电压V的,这样在Q1开启之前电流I为负值就会charge Q2的Coss,同时discharge Q1的Coss,让V到Vin,这样Q1就实现ZVS turn on了。Q2开启之前,电流I为正,也会discharge Q2的Coss,和charge Q1的Coss,让V到0,这样Q2就实现ZVS了。
总结起来,要实现ZVS turn on,对于PWM,需要电感电流为负,而且需要足够的deadTIme;对于resonant converter,需要impedance为inducTIve,而且也需要deadtime。那么有人可能要问,对于PWM converter到底电感电流为多负?deadtime至少为多少可以保证ZVS?对于resonant converter, impedance 到底为多少?deadtime为多少可以保证ZVS?
要回答这个定量问题,其实是不那么简单的。对于PWM converter,参考quasi-square-wave
ZVS buck converters,我们是可以画出state plane,然后根据state plane图的几何关系定量分析出来的,但是非常繁琐,常常是七八个三角函数等式求解。所以我个人愚见,在设计上,就让开关频率小点,电感值小点,让电感电流ripple足够大,能达到负值就差不多了。对于resonant
converter,倒是可以简单地通过积分方法,算出i与t的积分,让这个it积分大于Coss上的charge就行。比如已知impedance,算出V与I的phase shift,然后换算成时间td,然后在td上对电感电流进行积分,只要这个积分大于等于Coss*Vin就行了。

说了soft switching, ZVS这么多好处,我们谈谈soft switching的弊端。对于PWM converter我们可以看到为了实现ZVS,我们减小了电感值,让电感电流ripple变大,最终达到负值,实现了ZVS,但是付出的代价就是inductor current的RMS值变大,各个元器件的导通损耗(conduction loss)变大,所以我们是牺牲了conduction loss换取switching loss和小ringing。
而且如果输出电流越大,我们需要实现ZVS的难度更大,需要进一步增大ripple,造成RMS电流进一步增大,很有可能得不偿失,造成converter整体效率下降。对于resonant converter,在频率很高的情况下,有时候需要让impedance非常inductive,也就是I滞后于V非常厉害才能有足够的charge q来实现ZVS,这其实也是变相降低了有功功率的传输,因为V和I的phase lag比较大,造成了converter的circulating current比较大,RMS电流值增大,也是增大了conduction loss。
所以在设计或者考虑ZVS等soft switching时需要对系统有个整体loss的把握,在conduction loss和switching loss之间做好trade-off,这样才能设计出效率最高,最棒的converter。

MOSFET,MOSFET管开关电流
漏极电流ID和栅源间电压UGS的关系称为MOSFET的转移特性,ID较大时,ID与UGS的关系近似线性,曲线的斜率定义为跨导Gfs MOSFET的漏极伏安特性(输出特性):截止区(对应于GTR的截止区);饱和区(对应于GTR的放大区);非饱和区(对应于GTR的饱和区)。
电力 MOSFET工作在开关状态,即在截止区和非饱和区之间来回转换。电力MOSFET漏源极之间有寄生二极管,漏源极间加反向电压时器件导通。电力 MOSFET的通态电阻具有正温度系数,对器件并联时的均流有利。

开通过程;开通延迟时间td(on) —up前沿时刻到uGS=UT并开始出现iD的时刻间的时间段;
上升时间tr— uGS从uT上升到MOSFET进入非饱和区的栅压UGSP的时间段;iD稳态值由漏极电源电压UE和漏极负载电阻决定。UGSP的大小和iD的稳态值有关,UGS达到UGSP后,在up作用下继续升高直至达到稳态,但iD已不变??ㄊ奔鋞on—开通延迟时间与上升时间之和。
关断延迟时间td(off) —up下降到零起,Cin通过Rs和RG放电,uGS按指数曲线下降到UGSP时,iD开始减小为零的时间段。下降时间tf— uGS从UGSP继续下降起,iD减小,到uGS关断时间toff—关断延迟时间和下降时间之和。
烜芯微专业制造二极管,三极管,MOS管,20年,工厂直销省20%,1500家电路电器生产企业选用,专业的工程师帮您稳定好每一批产品,如果您有遇到什么需要帮助解决的,可以点击右边的工程师,或者点击销售经理给您精准的报价以及产品介绍
烜芯微专业制造二极管,三极管,MOS管,20年,工厂直销省20%,1500家电路电器生产企业选用,专业的工程师帮您稳定好每一批产品,如果您有遇到什么需要帮助解决的,可以点击右边的工程师,或者点击销售经理给您精准的报价以及产品介绍