开关电源简介
开关电源原理图详解,开关电源又称交换式电源、开关变换器,是一种高频化电能转换装置,是电源供应器的一种。其功能是将一个位准的电压,透过不同形式的架构转换为用户端所需求的电压或电流。
开关电源的基本组成
1、主电路
冲击电流限幅:限制接通电源瞬间输入侧的冲击电流。
输入滤波器:其作用是过滤电网存在的杂波及阻碍本机产生的杂波反馈回电网。
整流与滤波:将电网交流电源直接整流为较平滑的直流电。
逆变:将整流后的直流电变为高频交流电,这是高频开关电源的核心部分。
输出整流与滤波:根据负载需要,提供稳定可靠的直流电源。
2、控制电路
一方面从输出端取样,与设定值进行比较,然后去控制逆变器,改变其脉宽或脉频,使输出稳定,另一方面,根据测试电路提供的数据,经?;さ缏芳?,提供控制电路对电源进行各种?;ご胧?。
3、测电路
提供?;さ缏分姓谠诵兄懈髦植问透髦忠潜硎?。
4、辅助电源
实现电源的软件(远程)启动,为?;さ缏泛涂刂频缏罚≒WM等芯片)工作供电。
开关电源原理图详解
(一)开关式稳压电源的基本工作原理
开关式稳压电源接控制方式分为调宽式和调频式两种,在实际的应用中,调宽式使用得较多,在目前开发和使用的开关电源集成电路中,绝大多数也为脉宽调制型(PWM)。因此下面就主要介绍调宽式开关稳压电源。
调宽式开关稳压电源的基本原理可参见下图。

图1 调宽式示意图
对于单极性矩形脉冲来说,其直流平均电压 Uo 取决于矩形脉冲的宽度,脉冲越宽,其直流平均电压值就越高。直流平均电压U??捎晒郊扑?,即
Uo=Um×T1/T
式中 Um 为矩形脉冲最大电压值;T 为矩形脉冲周期;T1 为矩形脉冲宽度。从上式可以看出,当 Um 与 T 不变时,直流平均电压 Uo 将与脉冲宽度 T1 成正比。这样,只要我们设法使脉冲宽度随稳压电源输出电压的增高而变窄,就可以达到稳定电压的目的。
开关式稳压电源的原理电路-开关电源原理图
1.基本电路

图2 开关电源基本电路框图
交流电压经整流电路及滤波电路整流滤波后,变成含有一定脉动成份的直流电压,该电压进人高频变换器被转换成所需电压值的方波,最后再将这个方波电压经整流滤波变为所需要的直流电压。
控制电路为一脉冲宽度调制器,它主要由取样器、比较器、振荡器、脉宽调制及基准电压等电路构成。这部分电路目前已集成化,制成了各种开关电源用集成电路??刂频缏酚美吹髡咂悼卦目厥奔浔壤?,以达到稳定输出电压的目的。
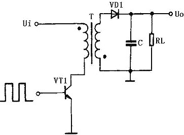
2、开关电源原理图-单端反激式开关电源
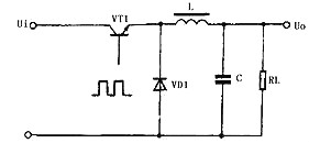
单端反激式开关电源的典型电路如图三所示。电路中所谓的单端是指高频变换器的磁芯仅工作在磁滞回线的一侧。所谓的反激,是指当开关管 VT1 导通时,高频变压器T初级绕组的感应电压为上正下负,整流二极管 VD1 处于截止状态,在初级绕组中储存能量。
当开关管 VT1 截止时,变压器T初级绕组中存储的能量,通过次级绕组及 VD1 整流和电容C滤波后向负载输出。

图3 单端反激式开关电源
单端反激式开关电源是一种成本最低的电源电路,输出功率为 20 - 100 W,可以同时输出不同的电压,且有较好的电压调整率。唯一的缺点是输出的纹波电压较大,外特性差,适用于相对固定的负载。
单端反激式开关电源使用的开关管 VT1 承受的最大反向电压是电路工作电压值的两倍,工作频率在 20 - 200kHz 之间。
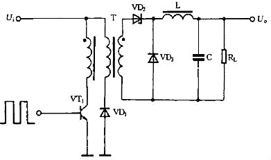
3、开关电源原理图-单端正激式开关电源
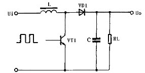
单端正激式开关电源的典型电路如图四所示。这种电路在形式上与单端反激式电路相似,但工作情形不同。当开关管 VT1 导通时, VD2 也导通,这时电网向负载传送能量,滤波电感L储存能量;当开关管 VT1 截止时,电感L通过续流二极管 VD3 继续向负载释放能量。

图4 单端正激式开关电源
在电路中还设有钳位线圈与二极管 VD2 ,它可以将开关管 VT1 的最高电压限制在两倍电源电压之间。为满足磁芯复位条件,即磁通建立和复位时间应相等,所以电路中脉冲的占空比不能大于50%。由于这种电路在开关管 VT1 导通时,通过变压器向负载传送能量,所以输出功率范围大,可输出 50 - 200 W的功率。电路使用的变压器结构复杂,体积也较大,正因为这个原因,这种电路的实际应用较少。
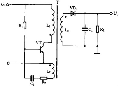
4、开关电源原理图-自激式开关稳压电源
自激式开关稳压电源的典型电路如图五所示。这是一种利用间歇振荡电路组成的开关电源,也是目前广泛使用的基本电源之一。

图5 自激式开关稳压电源
当接入电源后在 R1 给开关管 VT1 提供启动电流,使 VT1 开始导通,其集电极电流 Ic 在 L1 中线性增长,在 L2 中感应出使 VT1 基极为正,发射极为负的正反馈电压,使 VT1 很快饱和。
与此同时,感应电压给 C1 充电,随着 C1 充电电压的增高, VT1 基极电位逐渐变低,致使 VT1 退出饱和区, Ic 开始减小,在 L2 中感应出使 VT1 基极为负、发射极为正的电压,使 VT1 迅速截止,这时二极管 VD1 导通,高频变压器T初级绕组中的储能释放给负载。在 VT1 截止时, L2 中没有感应电压,直流供电输人电压又经 R1 给 C1 反向充电,逐渐提高 VT1 基极电位,使其重新导通,再次翻转达到饱和状态,电路就这样重复振荡下去。
这里就像单端反激式开关电源那样,由变压器T的次级绕组向负载输出所需要的电压。自激式开关电源中的开关管起着开关及振荡的双重作从,也省去了控制电路。电路中由于负载位于变压器的次级且工作在反激状态,具有输人和输出相互隔离的优点。这种电路不仅适用于大功率电源,亦适用于小功率电源。
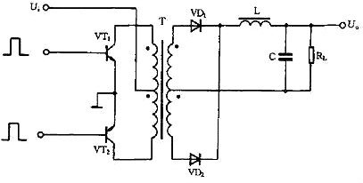
5、开关电源原理图-推挽式开关电源
推挽式开关电源的典型电路如图六所示。它属于双端式变换电路,高频变压器的磁芯工作在磁滞回线的两侧。电路使用两个开关管 VT1 和 VT2 ,两个开关管在外激励方波信号的控制下交替的导通与截止,在变压器T次级统组得到方波电压,经整流滤波变为所需要的直流电压。

图6 推挽式开关电源
这种电路的优点是两个开关管容易驱动,主要缺点是开关管的耐压要达到两倍电路峰值电压。电路的输出功率较大,一般在 100-500W范围内。
6、开关电源原理图-降压式开关电源
降压式开关电源的典型电路如图七所示。当开关管 VT1 导通时,二极管 VD1 截止,输人的整流电压经 VT1 和 L 向C充电,这一电流使电感L中的储能增加。当开关管 VT1 截止时,电感L感应出左负右正的电压,经负载 RL 和续流二极管 VD1 释放电感L中存储的能量,维持输出直流电压不变。电路输出直流电压的高低由加在 VT1 基极上的脉冲宽度确定。

图7 降压式开关电源
这种电路使用元件少,它同下面介绍的另外两种电路一样,只需要利用电感、电容和二极管即可实现。
7、开关电源原理图-升压式开关电源
升压式开关电源的稳压电路如图八所示。当开关管 VT1 导通时,电感L储存能量。当开关管 VT1 截止时,电感L感应出左负右正的电压,该电压叠加在输人电压上,经二极管 VD1 向负载供电,使输出电压大于输人电压,形成升压式开关电源。

图8 升压式开关电源
8、开关电源原理图-反转式开关电源
反转式开关电源的典型电路如图九所示。这种电路又称为升降压式开关电源。无论开关管 VT1 之前的脉动直流电压高于或低于输出端的稳定电压,电路均能正常工作。

图9 反转式开关电源
当开关管VT1导通时,电感L储存能量,二极管VD1截止,负载RL靠电容C上次的充电电荷供电。当开关管VT1截止时,电感L中的电流继续流通,并感应出上负下正的电压,经二极管 VD1向负载供电,同时给电容C充电。
开关电源发展方向分析
开关电源高频化是其发展的方向,高频化使开关电源小型化,并使开关电源进入更广泛的应用领域,特别是在高新技术领域的应用,推动了开关电源的发展前进,每年以超过两位数字的增长率向着轻、小、薄、低噪声、高可靠、抗干扰的方向发展。
开关电源可分为AC/DC和DC/DC两大类,DC/DC变换器现已实现??榛?,且设计技术及生产工艺在国内外均已成熟和标准化,并已得到用户的认可,但AC/DC的??榛?,因其自身的特性使得在??榛慕讨校龅浇衔丛拥募际鹾凸ひ罩圃煳侍?。
另外,开关电源的发展与应用在节约能源、节约资源及?;せ肪撤矫娑季哂兄匾囊庖濉?氐缭粗杏τ玫牡缌Φ缱悠骷饕?、IGBT和MOSFET、变压器。
烜芯微专业制造二极管,三极管,MOS管,20年,工厂直销省20%,1500家电路电器生产企业选用,专业的工程师帮您稳定好每一批产品,如果您有遇到什么需要帮助解决的,可以点击右边的工程师,或者点击销售经理给您精准的报价以及产品介绍
烜芯微专业制造二极管,三极管,MOS管,20年,工厂直销省20%,1500家电路电器生产企业选用,专业的工程师帮您稳定好每一批产品,如果您有遇到什么需要帮助解决的,可以点击右边的工程师,或者点击销售经理给您精准的报价以及产品介绍