如果两个二极管以这样的方式连接:一个二极管在输入电压的一半期间导通而另一个二极管在循环的下一半期间导通,则在冲击电压的整个循环期间单向二极管可以流过负载,这被称为全波整流器。

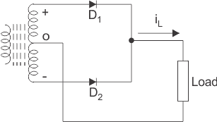
根据下面给出的图表,中心抽头变压器 D 1和D 2是具有类似特性的两个pn结二极管,D 1导通负输出电压的一半。因此,我们获得整个输入周期的输出电压和输出电流。
全波二极管整流器电路图
下面给出的全波二极管整流器的电路图:

使用由四个二极管制成的桥式整流器也可以实现全波整流。

根据该图,当D 1和D 3正向偏置时,它们导通但D 2和D 4以及D 1和D 3在两种情况下都是相反方向的负载电流。
桥式整流器比简单的全波整流器有几个优点。它的性能和效率优于简单的全时整流器。
输入电压和输出电压波形

现在,下面给出了全波整流器的不同参数:
负载电流的平均值(I dc):
让,负载电流为I 大号 = I 中号 sinωt

全波整流器的纹波系数等于

烜芯微专业制造二极管,三极管,MOS管,20年,工厂直销省20%,1500家电路电器生产企业选用,专业的工程师帮您稳定好每一批产品,如果您有遇到什么需要帮助解决的,可以点击右边的工程师,或者点击销售经理给您精准的报价以及产品介绍