MOS管的引脚,G、S、D分别代表什么
G:gate 栅极S:source 源极D:drain 漏极
MOS管是金属(Metal)—氧化物(Oxid)—半导体(Semiconductor)场效应晶体管。市面上常有的一般为N沟道和P沟道。N沟道的电源一般接在D,输出S,P沟道的电源一般接在S,输出D


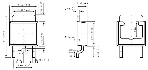
封装TO-252引脚图
芯片封装流行的还是双列直插封装,简称DIP(Dual ln-line Package)。DIP封装在当时具有适合PCB(印刷电路板)的穿孔安装,具有比TO型封装易于对PCB布线以及操作较为方便等一些特点,其封装的结构形式也很多,包括多层陶瓷双列直插式DIP,单层陶瓷双列直插式DIP,引线框架式DIP等等。常用于功率晶体管、稳压芯片的封装。

烜芯微专业制造二三极管,MOS管,20年,工厂直销省20%,1500家电路电器生产企业选用,专业的工程师帮您稳定好每一批产品,如果您有遇到什么需要帮助解决的,可以点击右边的工程师,或者点击销售经理给您精准的报价以及产品介绍

烜芯微专业制造二三极管,MOS管,20年,工厂直销省20%,1500家电路电器生产企业选用,专业的工程师帮您稳定好每一批产品,如果您有遇到什么需要帮助解决的,可以点击右边的工程师,或者点击销售经理给您精准的报价以及产品介绍