MOS管开关电路是利用MOS管栅极(g)控制MOS管源极(s)和漏极(d)通断的原理构造的电路。因MOS管分为N沟道与P沟道,所以开关电路也主要分为两种。
一般情况下普遍用于高端驱动的MOS,导通时需要是栅极电压大于源极电压。而高端驱动的MOS管导通时源极电压与漏极电压(VCC)相同,所以这时栅极电压要比VCC大4V或10V.如果在同一个系统里,要得到比VCC大的电压,就要专门的升压电路了。很多马达驱动器都集成了电荷泵,要注意的是应该选择合适的外接电容,以得到足够的短路电流去驱动MOS管。
MOS管是电压驱动,按理说只要栅极电压到到开启电压就能导通DS,栅极串多大电阻均能导通。但如果要求开关频率较高时,栅对地或VCC可以看做是一个电容,对于一个电容来说,串的电阻越大,栅极达到导通电压时间越长,MOS处于半导通状态时间也越长,在半导通状态内阻较大,发热也会增大,极易损坏MOS,所以高频时栅极栅极串的电阻不但要小,一般要加前置驱动电路的。
电子开关电源的电路组成如下:
开关电源的主要电路是由输入电磁干扰滤波器(EMI)、整流滤波电路、功率变换电路、PWM控制器电路、输出整流滤波电路组成。IC根据输出电压和电流时刻调整着⑥脚锯形波占空比的大小,从而不乱了整机的输出电流和电压。从R3测得的电流峰值信号介入当前工作周波的占空比控制,因此是当前工作周波的电流限制。
Q1的栅极受控电压为锯形波,当其占空比越大时,Q1导通时间越长,变压器所储存的能量也就越多;当Q1截止时,变压器通过D1、D2、R5、R4、C3开释能量,同时也达到了磁场复位的目的,为变压器的下一次存储、传递能量做好了预备。在开关管Q1关断时,变压器的原边线圈易产生尖峰电压和尖峰电流,这些元件组合一起,能很好地吸收尖峰电压和电流。
1:输入滤波电路:C1、L1、C2组成的双π型滤波网络主要是对输入电源的电磁噪声及杂波信号进行按捺,防止对电源干扰,同时也防止电源本身产生的高频杂波对电网干扰。Z1通常将MOS管的GS电压限制在18V以下,从而?;ち薓OS管。因瞬时能量全消耗在RT1电阻上,一定时间后温度升高后RT1阻值减(RT1是负温系数元件),这时它消耗的能量非常小,后级电路可正常工作。C3、C4 为安规电容,L2、L3为差模电感。
2:输入滤波电路:C1、L1、C2、C3组成的双π型滤波网络主要是对输入电源的电磁噪声及杂波信号进行按捺,防止对电源干扰,同时也防止电源本身产生的高频杂波对电网干扰。
3:工作原理:R4、C3、R5、R6、C4、D1、D2组成缓冲器,和开关MOS管并接,使开关管电压应力减少,EMI减少,不发生二次击穿。辅助电路有输入过欠压?;さ缏?、输出过欠压?;さ缏?、输出过流?;さ缏贰⑹涑龆搪繁;さ缏返?。
MOS管电子开关电路图的特点
MOS管种类和结构
MOSFET管是FET的一种(另一种是JFET),可以被制造成增强型或耗尽型,P沟道或N沟道共4种类型,但实际应用的只有增强型的N沟道MOS管和增强型的P沟道MOS管,所以通常提到NMOS,或者PMOS指的就是这两种。至于为什么不使用耗尽型的MOS管,不建议刨根问底。对于这两种增强型MOS管,比较常用的是NMOS.原因是导通电阻小,且容易制造。所以开关电源和马达驱动的应用中,一般都用NMOS.下面的介绍中,也多以NMOS为主。
MOS管的三个管脚之间有寄生电容存在,这不是我们需要的,而是由于制造工艺限制产生的。寄生电容的存在使得在设计或选择驱动电路的时候要麻烦一些,但没有办法避免,后边再详细介绍。在MOS管原理图上可以看到,漏极和源极之间有一个寄生二极管。这个叫体二极管,在驱动感性负载(如马达),这个二极管很重要。顺便说一句,体二极管只在单个的MOS管中存在,在集成电路芯片内部通常是没有的。
MOS管导通特性
导通的意思是作为开关,相当于开关闭合。
NMOS的特性,Vgs大于一定的值就会导通,适合用于源极接地时的情况(低端驱动),只要栅极电压达到4V或10V就可以了。
PMOS的特性,Vgs小于一定的值就会导通,适合用于源极接VCC时的情况(高端驱动)。但是,虽然PMOS可以很方便地用作高端驱动,但由于导通电阻大,价格贵,替换种类少等原因,在高端驱动中,通常还是使用NMOS.
MOS开关管损失
不管是NMOS还是PMOS,导通后都有导通电阻存在,这样电流就会在这个电阻上消耗能量,这部分消耗的能量叫做导通损耗。选择导通电阻小的MOS管会减小导通损耗。现在的小功率MOS管导通电阻一般在几十毫欧左右,几毫欧的也有。
MOS在导通和截止的时候,一定不是在瞬间完成的。MOS两端的电压有一个下降的过程,流过的电流有一个上升的过程,在这段时间内,MOS管的损失是电压和电流的乘积,叫做开关损失。通??厮鹗П鹊纪ㄋ鹗Т蟮枚?,而且开关频率越快,损失也越大。
导通瞬间电压和电流的乘积很大,造成的损失也就很大。缩短开关时间,可以减小每次导通时的损失;降低开关频率,可以减小单位时间内的开关次数。这两种办法都可以减小开关损失。
MOS管驱动
跟双极性晶体管相比,一般认为使MOS管导通不需要电流,只要GS电压高于一定的值,就可以了。这个很容易做到,但是,我们还需要速度。
在MOS管的结构中可以看到,在GS,GD之间存在寄生电容,而MOS管的驱动,实际上就是对电容的充放电。对电容的充电需要一个电流,因为对电容充电瞬间可以把电容看成短路,所以瞬间电流会比较大。选择/设计MOS管驱动时第一要注意的是可提供瞬间短路电流的大小。
而在进行MOSFET的选择时,因为MOSFET有两大类型:N沟道和P沟道。在功率系统中,MOSFET可被看成电气开关。当在N沟道MOSFET的栅极和源极间加上正电压时,其开关导通。导通时,电流可经开关从漏极流向源极。漏极和源极之间存在一个内阻,称为导通电阻RDS(ON)。必须清楚MOSFET的栅极是个高阻抗端,因此,总是要在栅极加上一个电压。这就是后面介绍电路图中栅极所接电阻至地。如果栅极为悬空,器件将不能按设计意图工作,并可能在不恰当的时刻导通或关闭,导致系统产生潜在的功率损耗。当源极和栅极间的电压为零时,开关关闭,而电流停止通过器件。虽然这时器件已经关闭,但仍然有微小电流存在,这称之为漏电流,即IDSS.
MOS管电子开关电路图大全-六款
(一)
图中电池的正电通过开关S1接到场效应管Q1的2脚源极,由于Q1是一个P沟道管,它的1脚栅极通过R20电阻提供一个正电位电压,所以不能通电,电压不能继续通过,3v稳压IC输入脚得不到电压所以就不能工作不开机!这时,如果我们按下SW1开机按键时,正电通过按键、R11、R23、D4加到三极管Q2的基极,三极管Q2的基极得到一个正电位,三极管导通(前面讲到三极管的时候已经讲过),由于三极管的发射极直接接地,三极管Q2导通就相当于Q1的栅极直接接地,加在它上面的通过R20电阻的电压就直接入了地,Q1的栅极就从高电位变为低电位,Q1导通电就从Q1同过加到3v稳压IC的输入脚,3v稳压IC就是那个U1输出3v的工作电压vcc供给主控,主控通过复位清0,读取固件程序检测等一系列动作,输处一个控制电压到PWR_ON再通过R24、R13分压送到Q2的基极,保持Q2一直处于导通状态,即使你松开开机键断开Q1的基极电压,这时候有主控送来的控制电压保持着,Q2也就一直能够处于导通状态,Q1就能源源不断的给3v稳压IC提供工作电压!SW1还同时通过R11、R30两个电阻的分压,给主控PLAYON脚送去时间长短、次数不同的控制信号,主控通过固件鉴别是播放、暂停、开机、关机而输出不同的结果给相应的控制点,以达到不同的工作状态!


(二)
下图是两种MOS管的典型应用:其中第一种NMOS管为高电平导通,低电平截断,Drain端接后面电路的接地端;第二种为PMOS管典型开关电路,为高电平断开,低电平导通,Drain端接后面电路的VCC端。


(三)
驱动电路加速MOS管关断时间,为了满足如图所示高端MOS管的驱动,经?;岵捎帽溲蛊髑惺蔽寺惆踩衾胍彩褂帽溲蛊髑?。其中R1目的是抑制PCB板上寄生的电感与C1形成LC振荡,C1的目的是隔开直流,通过交流,同时也能防止磁芯饱和。


(四)
如图所示为常用的小功率驱动电路,简单可靠成本低。适用于不要求隔离的小功率开关设备。如图所示驱动电路开关速度很快,驱动能力强,为防止两个MOSFET管直通,通常串接一个0.5~1Ω小电阻用于限流,该电路适用于不要求隔离的中功率开关设备。这两种电路特点是结构简单。


功率MOSFET属于电压型控制器件,只要栅极和源极之间施加的电压超过其阀值电压就会导通。由于MOSFET存在结电容,关断时其漏源两端电压的突然上升将会通过结电容在栅源两端产生干扰电压。常用的互补驱动电路的关断回路阻抗小,关断速度较快,但它不能提供负压,故抗干扰性较差。为了提高电路的抗干扰性,可在此种驱动电路的基础上增加一级有V1、V2、R组成的电路,产生一个负压,电路原理图如图所示。


(五)
正激式驱动电路
电路原理如图所示,N3为去磁绕组,S2为所驱动的功率管。R2为防止功率管栅极、源极端电压振荡的一个阻尼电阻。因不要求漏感较小,且从速度方面考虑,一般R2较小,故在分析中忽略不计。其等效电路图如图所示脉冲不要求的副边并联一电阻R1,它做为正激变换器的假负载,用于消除关断期间输出电压发生振荡而误导通。同时它还可以作为功率MOSFET关断时的能量泄放回路。该驱动电路的导通速度主要与被驱动的S2栅极、源极等效输入电容的大小、S1的驱动信号的速度以及S1所能提供的电流大小有关。由仿真及分析可知,占空比D越小、R1越大、L越大,磁化电流越小,U1值越小,关断速度越慢。该电路具有以下优点:①电路结构简单可靠,实现了隔离驱动。②只需单电源即可提供导通时的正、关断时负压。③占空比固定时,通过合理的参数设计,此驱动电路也具有较快的开关速度。该电路存在的缺点:一是由于隔离变压器副边需要噎嗝假负载防振荡,故电路损耗较大;二是当占空比变化时关断速度变化较大。脉宽较窄时,由于是储存的能量减少导致MOSFET栅极的关断速度变慢。


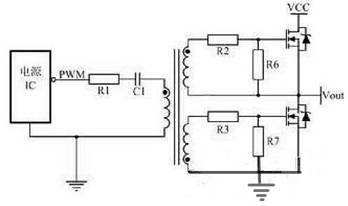
(六)
有隔离变压器的互补驱动电路
如图所示,V1、V2为互补工作,电容C起隔离直流的作用,T1为高频、高磁率的磁环或磁罐。导通时隔离变压器上的电压为(1-D)Ui、关断时为DUi,若主功率管S可靠导通电压为12V,而隔离变压器原副边匝比N1/N2为12/[(1-D)Ui]。为保证导通期间GS电压稳定C值可稍取大些。该电路具有以下优点:
①电路结构简单可靠,具有电气隔离作用。当脉宽变化时,驱动的关断能力不会随着变化。
②该电路只需一个电源,即为单电源工作。隔直电容C的作用可以在关断所驱动的管子时提供一个负压,从而加速了功率管的关断,且有较高的抗干扰能力。
但该电路存在的一个较大缺点是输出电压的幅值会随着占空比的变化而变化。当D较小时,负向电压小,该电路的抗干扰性变差,且正向电压较高,应该注意使其幅值不超过MOSFET栅极的允许电压。当D大于0.5时驱动电压正向电压小于其负向电压,此时应该注意使其负电压值不超过MOAFET栅极允许电压。所以该电路比较适用于占空比固定或占空比变化范围不大以及占空比小于0.5的场合。

烜芯微专业制造二三极管,MOS管,20年,工厂直销省20%,1500家电路电器生产企业选用,专业的工程师帮您稳定好每一批产品,如果您有遇到什么需要帮助解决的,可以点击右边的工程师,或者点击销售经理给您精准的报价以及产品介绍

烜芯微专业制造二三极管,MOS管,20年,工厂直销省20%,1500家电路电器生产企业选用,专业的工程师帮您稳定好每一批产品,如果您有遇到什么需要帮助解决的,可以点击右边的工程师,或者点击销售经理给您精准的报价以及产品介绍