MOS管概述
mos管是金属(metal)、氧化物(oxide)、半导体(semiconductor)场效应晶体管,或者称是金属—绝缘体(insulator)、半导体。MOS管的source和drain是可以对调的,他们都是在P型backgate中形成的N型区。在多数情况下,这个两个区是一样的,即使两端对调也不会影响器件的性能。这样的器件被认为是对称的。
场效应管(FET),把输入电压的变化转化为输出电流的变化。FET的增益等于它的跨导, 定义为输出电流的变化和输入电压变化之比。市面上常有的一般为N沟道和P沟道,详情参考右侧图片(P沟道耗尽型MOS管)。而P沟道常见的为低压mos管。
场效应管通过投影一个电场在一个绝缘层上来影响流过晶体管的电流。事实上没有电流流过这个绝缘体,所以FET管的GATE电流非常小。最普通的FET用一薄层二氧化硅来作为GATE极下的绝缘体。这种晶体管称为金属氧化物半导体(MOS)晶体管,或,金属氧化物半导体场效应管(MOSFET)。因为MOS管更小更省电,所以他们已经在很多应用场合取代了双极型晶体管。
MOS管基本结构与工作原理
mos管学名是场效应管,是金属-氧化物-半导体型场效应管,属于绝缘栅型。本文就结构构造、特点、实用电路等几个方面用工程师的话简单描述。其结构示意图:


MOS场效应三极管分为:增强型(又有N沟道、P沟道之分)及耗尽型(分有N沟道、P沟道)。N沟道增强型MOSFET的结构示意图和符号见上图。其中:电极 D(Drain) 称为漏极,相当双极型三极管的集电极;
电极 G(Gate) 称为栅极,相当于的基极;
电极 S(Source)称为源极,相当于发射极。
MOS管驱动电路
驱动电路(Drive Circuit),位于主电路和控制电路之间,用来对控制电路的信号进行放大的中间电路(即放大控制电路的信号使其能够驱动功率晶体管),称为驱动电路。
驱动电路的作用:将控制电路输出的PWM脉冲放大到足以驱动功率晶体管—开关功率放大作用。驱动电路的作用: 将控制电路输出的PWM脉冲放大到足以驱动功率晶体管—开关功率放大作用。
在使用MOS管设计开关电源或者马达驱动电路的时候,大部分人都会考虑MOS的导通电阻,最大电压等,最大电流等,也有很多人仅仅考虑这些因素。这样的电路也许是可以工作的,但并不是优秀的,作为正式的产品设计也是不允许的。
MOS管导通特性
导通的意思是作为开关,相当于开关闭合。
NMOS的特性,Vgs大于一定的值就会导通,适合用于源极接地时的情况(低端驱动),只要栅极电压达到4V或10V就可以了。
PMOS的特性,Vgs小于一定的值就会导通,适合用于源极接VCC时的情况(高端驱动)。但是,虽然PMOS可以很方便地用作高端驱动,但由于导通电阻大,价格贵,替换种类少等原因,在高端驱动中,通?;故鞘褂肗MOS。
MOS开关管损失
不管是NMOS还是PMOS,导通后都有导通电阻存在,这样电流就会在这个电阻上消耗能量,这部分消耗的能量叫做导通损耗。选择导通电阻小的MOS管会减小导通损耗。现在的小功率MOS管导通电阻一般在几十毫欧左右,几毫欧的也有。
MOS在导通和截止的时候,一定不是在瞬间完成的。MOS两端的电压有一个下降的过程,流过的电流有一个上升的过程,在这段时间内,MOS管的损失是电压和电流的乘积,叫做开关损失。通??厮鹗П鹊纪ㄋ鹗Т蟮枚啵铱仄德试娇?,损失也越大。
导通瞬间电压和电流的乘积很大,造成的损失也就很大。缩短开关时间,可以减小每次导通时的损失;降低开关频率,可以减小单位时间内的开关次数。这两种办法都可以减小开关损失。
MOS管驱动
跟双极性晶体管相比,一般认为使MOS管导通不需要电流,只要GS电压高于一定的值,就可以了。这个很容易做到,但是,我们还需要速度。
在MOS管的结构中可以看到,在GS,GD之间存在寄生电容,而MOS管的驱动,实际上就是对电容的充放电。对电容的充电需要一个电流,因为对电容充电瞬间可以把电容看成短路,所以瞬间电流会比较大。选择/设计MOS管驱动时第一要注意的是可提供瞬间短路电流的大小。
第二注意的是,普遍用于高端驱动的NMOS,导通时需要是栅极电压大于源极电压。而高端驱动的MOS管导通时源极电压与漏极电压(VCC)相同,所以这时 栅极电压要比VCC大4V或10V。如果在同一个系统里,要得到比VCC大的电压,就要专门的升压电路了。很多马达驱动器都集成了电荷泵,要注意的是应该 选择合适的外接电容,以得到足够的短路电流去驱动MOS管。
上边说的4V或10V是常用的MOS管的导通电压,设计时当然需要有一定的余量。而且电压越高,导通速度越快,导通电阻也越小。现在也有导通电压更小的MOS管用在不同的领域里,但在12V汽车电子系统里,一般4V导通就够用了。
MOS管应用电路
MOS管最显著的特性是开关特性好,所以被广泛应用在需要电子开关的电路中,常见的如开关电源和马达驱动,也有照明调光。
MOS管驱动电路几个应用
1、低压应用
当使用5V电源,这时候如果使用传统的图腾柱结构,由于三极管的be有0.7V左右的压降,导致实际最终加在gate上的电压只有4.3V。这时候,我们选用标称gate电压4.5V的MOS管就存在一定的风险。
同样的问题也发生在使用3V或者其他低压电源的场合。
2、宽电压应用
输入电压并不是一个固定值,它会随着时间或者其他因素而变动。这个变动导致PWM电路提供给MOS管的驱动电压是不稳定的。
为了让MOS管在高gate电压下安全,很多MOS管内置了稳压管强行限制gate电压的幅值。在这种情况下,当提供的驱动电压超过稳压管的电压,就会引起较大的静态功耗。
同时,如果简单的用电阻分压的原理降低gate电压,就会出现输入电压比较高的时候,MOS管工作良好,而输入电压降低的时候gate电压不足,引起导通不够彻底,从而增加功耗。
3、双电压应用
在一些控制电路中,逻辑部分使用典型的5V或者3.3V数字电压,而功率部分使用12V甚至更高的电压。两个电压采用共地方式连接。
这就提出一个要求,需要使用一个电路,让低压侧能够有效的控制高压侧的MOS管,同时高压侧的MOS管也同样会面对1和2中提到的问题。
在这三种情况下,图腾柱结构无法满足输出要求,而很多现成的MOS驱动IC,似乎也没有包含gate电压限制的结构。
相对通用的电路
电路图如下:


用于NMOS的驱动电路


用于PMOS的驱动电路
这里只针对NMOS驱动电路做一个简单分析:
Vl和Vh分别是低端和高端的电源,两个电压可以是相同的,但是Vl不应该超过Vh。
Q1和Q2组成了一个反置的图腾柱,用来实现隔离,同时确保两只驱动管Q3和Q4不会同时导通。
R2和R3提供了PWM电压基准,通过改变这个基准,可以让电路工作在PWM信号波形比较陡直的位置。
Q3和Q4用来提供驱动电流,由于导通的时候,Q3和Q4相对Vh和GND最低都只有一个Vce的压降,这个压降通常只有0.3V左右,大大低于0.7V的Vce。
R5和R6是反馈电阻,用于对gate电压进行采样,采样后的电压通过Q5对Q1和Q2的基极产生一个强烈的负反馈,从而把gate电压限制在一个有限的数值。这个数值可以通过R5和R6来调节。
最后,R1提供了对Q3和Q4的基极电流限制,R4提供了对MOS管的gate电流限制,也就是Q3和Q4的Ice的限制。必要的时候可以在R4上面并联加速电容。
这个电路提供了如下的特性:
1、用低端电压和PWM驱动高端MOS管。
2、用小幅度的PWM信号驱动高gate电压需求的MOS管。
3、gate电压的峰值限制
4、输入和输出的电流限制
5、通过使用合适的电阻,可以达到很低的功耗。
6、PWM信号反相。NMOS并不需要这个特性,可以通过前置一个反相器来解决。
低电压高频率-自举电路的BiCMOS驱动电路
在设计便携式设备和无线产品时,提高产品性能、延长电池工作时间是设计人员需要面对的两个问题。DC-DC转换器具有效率高、输出电流大、静态电流小等优点,非常适用于为便携式设备供电。目前DC-DC转换器设计技术发展主要趋势有:
(1)高频化技术:随着开关频率的提高,开关变换器的体积也随之减小,功率密度也得到大幅提升,动态响应得到改善。小功率DC-DC转换器的开关频率将上升到兆赫级。
(2)低输出电压技术:随着半导体制造技术的不断发展,微处理器和便携式电子设备的工作电压越来越低,这就要求未来的DC-DC变换器能够提供低输出电压以适应微处理器和便携式电子设备的要求。
这些技术的发展对电源芯片电路的设计提出了更高的要求。首先,随着开关频率的不断提高,对于开关元件的性能提出了很高的要求,同时必须具有相应的开关元件 驱动电路以保证开关元件在高达兆赫级的开关频率下正常工作。其次,对于电池供电的便携式电子设备来说,电路的工作电压低(以锂电池为例,工作电压 2.5~3.6V),因此,电源芯片的工作电压较低。
MOS管具有很低的导通电阻,消耗能量较低,在目前流行的高效DC-DC芯片中多采用MOS管作为功率开关。但是由于MOS管的寄生电容大,一般情况下NMOS开关管的栅极电容高达几十皮法。这对于设计高工作频率DC-DC转换器开关管驱动电路的设计提出了更高的要求。
在低电压ULSI设计中有多种CMOS、BiCMOS采用自举升压结构的逻辑电路和作为大容性负载的驱动电路。这些电路能够在低于1V电压供电条件下正常 工作,并且能够在负载电容1~2pF的条件下工作频率能够达到几十兆甚至上百兆赫兹。本文正是采用了自举升压电路,设计了一种具有大负载电容驱动能力的, 适合于低电压、高开关频率升压型DC-DC转换器的驱动电路。电路基于Samsung AHP615 BiCMOS工艺设计并经过Hspice仿真验证,在供电电压1.5V ,负载电容为60pF时,工作频率能够达到5MHz以上。
MOS管驱动电路隔离技术
MOS管驱动电路隔离技术一般使用光电耦合器或隔离变压器(光耦合;磁耦合)。由于 MOSFET 的工作频率及输入阻抗高,容易被干扰,故驱动电路应具有良好的电气隔离性能,以实现主电路与控制电路之间的隔离,使之具有较强的抗干扰能力,避免功率级电路对控制信号的干扰。
光耦隔离驱动可分为电磁隔离与光电隔离。采用脉冲变压器实现电路的电磁隔离,是一种电路简单可靠,又具有电气隔离作用的电路,但其对脉冲的宽度有较大限制,若脉冲过宽,磁饱和效应可能使一次绕组的电流突然增大,甚至使其烧毁,而若脉冲过窄,为驱动栅极关断所存储的能量可能不够。光电隔 离,是利用光耦合器将控制信号回路和驱动回路隔离开。该驱动电路输出阻抗较小,解决了栅极驱动源低阻抗的问题,但由于光耦合器响应速度较慢,因而其开关延迟时间较长,限制了适应频率。
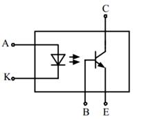
光耦指的是可隔离交流或直流信号KCB EA。
1.由IF控制Ic;电流传输比CTR-Current Transfer Ratio


2.输入输出特性与普通三极管相似,电流传输比Ic/IF比三极管“β ”小;
3.可在线性区, 也可在开关状态。 驱动电路中, 一般工作在开关状态。


典型光耦内部电路图
光耦的特点:
1. 参数设计简单
2. 输出端需要隔离驱动电源
3. 驱动功率有限


光耦基本电路
磁耦合-变压器隔离
磁耦合:用于传送较低频信号时—调制/解调磁耦合的特点:
1.既可传递信号又可传递功率
2.频率越高,体积越小-适合高频应用


受高频调制的单向脉冲变压器隔离电路
烜芯微专业制造二三极管,MOS管,20年,工厂直销省20%,1500家电路电器生产企业选用,专业的工程师帮您稳定好每一批产品,如果您有遇到什么需要帮助解决的,可以点击右边的工程师,或者点击销售经理给您精准的报价以及产品介绍
烜芯微专业制造二三极管,MOS管,20年,工厂直销省20%,1500家电路电器生产企业选用,专业的工程师帮您稳定好每一批产品,如果您有遇到什么需要帮助解决的,可以点击右边的工程师,或者点击销售经理给您精准的报价以及产品介绍