放大器电路的分类
本文介绍MOS管功率放大器电路图,先来看看放大器电路的分类,按功率放大器电路中晶体管导通时间的不同可分:甲类功率放大器电路、乙类功率放大器电路和丙类功率放大器电路。
甲类功率放大器电路,在信号全范围内均导通,非线性失真小,但输出功率和效率低,因此低频功率放大器电路中主要用乙类或甲乙类功率放大电路。
功率放大器是根据信号的导通角分为A、B、AB、C和D类,我国亦称为甲、乙、甲乙、丙和丁类。
功率放大器电路的特殊问题
(1)放大器电路的功率
功率放大器电路的任务是推动负载,因此功率放大电路的重要指标是输出功率,而不是电压放大倍数。
(2)放大器电路的非线形失真
功率放大器电路工作在大信号的情况时,非线性失真时必须考虑的问题。因此,功率放大电路不能用小信号的等效电路进行分析,而只能用图解法进行分析。
(3)放大器电路的效率
效率定义为:输出信号功率与直流电源供给频率之比。放大电路的实质就是能量转换电路,因此它就存在着转换效率。
常用MOS管功率放大器电路图
MOS管功率放大器电路图是由电路稳压电源???、带阻滤波???、电压放大??椤⒐β史糯竽??、AD转换模块以及液晶显示??樽槌?。
(一)MOS管功率放大器电路图-系统设计
电路实现简单,功耗低,性价比很高。该电路,图1所示是其组成框图。电路稳压电源??槲低程峁┠芰?;带阻滤波电路要实现50Hz频率点输出功率衰减;电压放大模块采用两级放大来将小信号放大,以便为功率放大提供足够电压;功率放大??橹饕岣吒涸啬芰?;AD转换??楸阌诘テ藕挪杉?;显示??樵蚴凳毕允竟β屎驼?。


(二)MOS管功率放大器电路图-硬件电路设计
1、带阻滤波电路的设计
采用OP07组成的二阶带阻滤波器的阻带范围为40~60 Hz,其电路如图2所示。带阻滤波器的性能参数有中心频率ω0或f0,带宽BW和品质因数Q。Q值越高,阻带越窄,陷波效果越好。


2、放大电路的设计
电压放大电路可选用两个INA128芯片来对微弱信号进行放大。若采用一级放大,当放大倍数较大时,电路可能不稳定,故应采用两级放大,并在级间采用电容耦合电路,图3所示是其电路图。图中,INA128具有低失调电压漂移和低噪声等性能指标,且放大倍数设置简单,只用一个外部电阻就能改变放大倍数。
图3中1、8脚跨接的电阻就是用来调整放大倍率,4、7脚需提供正负相等的工作电压,2、3脚输入要放大的电压,并从6脚输出放大的电压值。5脚则是参考基准,如果接地,则6脚的输出即为与地之间的相对电压。
3、功率放大电路的设计
功率放大电路往往要求其驱动负载的能力较强,从能量控制和转换的角度来看,功率放大电路与其它放大电路在本质上没有根本的区别,只是功放既不是单纯追求输出高电压,也不是单纯追求输出大电流,而是追求在电源电压确定的情况下,输出尽可能大的功率。
本电路采用两个MOS管构成的功率放大电路,其电路如图4所示。此电路分别采用一个N沟道和一个P沟道场效应管对接而成,其中RP2和RP3为偏置电阻,用来调节电路的静态工作点。特征频率fT放大电路上限频率fH的关系为:fT≈fhβh,系统阶跃相应的上升时间tr与放大电路上限频率的关系为:trfh=0.35。


对于OCL放大器来说,一般有:PTM≈0.2POM,其中PIM为单管的最大管耗,POM为最大不失真输出管耗。根据计算,并考虑到项目要求,本设计选用IRF950和IRF50来实现功率放大。
4、AD转换电路的设计
此工作可由单片机内部的10位AD转换器完成,但实验发现,单片机的10位AD芯片的处理效果不是很好。因此本设计采用了两个AD转换芯片来对负载输出的信号进行转换,并使用单片机控制计算,然后送入液晶显示其功率和效率。
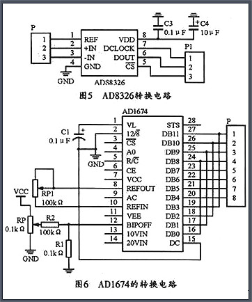
AD1674是一片高速12位逐次比较型A/D转换器,该芯片内置双极性电路构成的混合集成转换器,具有外接元件少,功耗低,精度高等特点,并具有自动校零和自动极性转换功能,故只需外接少量的电阻和电容元件即可构成一个完整的A/D转换器。AD8326是TI公司推出的16位高速模数转换器,其转换速度快,线性度好,精度高。AD8326和A1674的电路连接图分别如图5和图6所示。


5、显示电路
本电路采用12864液晶来实时显示输出的功率、直流电源供给的功率和整机效率。该液晶具有屏幕反应速度快、对比度高、功耗低等优点??梢允迪钟押玫娜嘶换?。为了简化电路,本设计采用串口连接。并在单片机的控制下,按照要求的格式显示接收到的数据和字符信息。图7为液晶显示电路的连接图。其中D0~D7为数据口,R/W为液晶读写信号,E是使能端。


6、系统软件设计
由于本系统是低频正弦信号的功率放大,要求能测量并显示输出功率、整机效率等信息,所以要用到AD转换。AD芯片测量的交流信号,所以,测量的电压数据进行比较,以获得最大电压值,此值即为正弦信号的最大值。而要想得到正弦信号的有效值,就要对最大值进行处理,从而获得有效值。这样,就可以将电源的输出功率和供给功率,根据欧姆定律计算出其数值,并将测得的数据用液晶适时的显示出来。
因此,本系统软件实现的功能应当可以实现对正弦信号有效值的测量;同时能够通过液晶准确显示输出功率和系统供给功率和整机效率。
图8所示是本系统软件的设计流程图。


(三)MOS管功率放大器电路图-功率音频放大器
MOS管功率放大器电路图之功率音频放大器,使用1操作放大器TL071C一些电子元件和2功率MOSFET的晶体管可以被内置音频功率放大器,可以提供音频输出功率高达8欧姆的负载45瓦。
T5和T6的场效应管的是潜在的差异驱动的奥迪R8和R13的。由于所需的电源电压是远远高于正常为一个共同的运算放大器,晶体管T1和T2系列集成电路的电源线。这些晶体管提供固定的潜力,通过在±15 V齐纳二极管D1和D2。因此,运算放大器的电压将永远是14.4五,
目前的设置是通过T3和T4的休息。这是非常重要的T4和T5热耦合,使电流稳定放心。由放大器吸收的总电流调整电位器P1,约75毫安(在这种情况下,将通过FET的电流约70毫安)。
MOSFET晶体管,必须安装至少1K / W散热器上,稳定的±30V的电源,45瓦的放大器可提供8欧姆或4欧姆负载70瓦的负载。

烜芯微专业制造二三极管,MOS管,20年,工厂直销省20%,1500家电路电器生产企业选用,专业的工程师帮您稳定好每一批产品,如果您有遇到什么需要帮助解决的,可以点击右边的工程师,或者点击销售经理给您精准的报价以及产品介绍

烜芯微专业制造二三极管,MOS管,20年,工厂直销省20%,1500家电路电器生产企业选用,专业的工程师帮您稳定好每一批产品,如果您有遇到什么需要帮助解决的,可以点击右边的工程师,或者点击销售经理给您精准的报价以及产品介绍